彩色电视机中设有各种类型的保护电路——X射线保护、过压过流保护、可控硅触发保护等安全保护系统。当保护电路发生故障,所表现出的故障现象是特殊的,容易与其他故障相混淆(如开关电源电路、行输出电路的故障),在一定程度上给检修带来不便,因此本文介绍几种保护电路的工作原理与检修方法。
X射线保护电路
1.松下TMII机芯(同类有牡丹TC—483 P、D、TC-818、松下TC-217、乐华TC-484 KD等):X射线保护电路(见图1)由集成电路AN5435及R\(_{518}\)、R508、R\(_{5}\)09、C509、D\(_{5}\)01等元件构成。原理如下:当比较电压+B(113V)升高时,将使行反峰电压升高,显象管束射电流增大,阳极电压升高,这时X射线将超过限定值而产生危害,与此同时设置在AN5435内的保护电路开始工作。即113V升高后⑤脚电位也随之升高,T25导通,T\(_{25}\)给T24提供基极电流,T\(_{24}\)也导通,此时T22的基极电压下降,T\(_{22}\)、T23截止,即断开⑥脚的行振荡脉冲输出,使行输出电路停止工作,达到保护目的。

故障现象及检修:若出现光栅很亮且不稳定,并且测113V偏高(如120V左右),表明保护电路没有动作,常见原因是二极管D501开路。另外当出现无光栅无伴音且开关电源发出轻微的“吱吱”叫声时,在检查其他电路都正常的情况下,就有可能是保护电路有故障,导致行输出电路、电源电路不能工作。检修时可将AN5435的⑤脚断开,若通电后声、光均出现,113V电压也正常,则说明保护电路损坏。
2.德律风根415机芯(德律风很5300型、5016型和6016型):X射线保护电路(见图2)设计为当阳极高压大于25kV或束射电流大于1mA时,实现X射线自动保护,当然以上电压电流数据因屏幕大小将略有差异。保护电路由三级分立元件组成,控制误差信号分两路注入,一路是将行输出逆程脉冲通过变压器M耦合过来,另一路是从ABL电路通过R\(_{275}\)、D554注入,这两种信号只要有一种产生问题,都将使保护电路工作,实现保护。正常情况下,输出管T\(_{481}\)截止,没有保护作用。当高压超过限定值即变压器M耦合过来的负脉冲大于60V后,就会超过D552的齐纳电压,使T\(_{482}\)截止,R272、R\(_{274}\)提供的偏置使T481、T\(_{483}\)导通,T481导通后,从发射极输出一个0.6V直流电压加到行激励管T\(_{491}\)基极,使其饱和导通,行输出管截止,而实现保护。当T483导通后,C\(_{131}\)对地进行放电,在放电过程中,改变了T482的基极电位,使T\(_{482}\)导通,这时C131又处于充电状态,过大的负脉冲又使T\(_{482}\)截止。由T483、T\(_{482}\)组成的单稳态触发电路,可以使电路瞬间过载保护,然后又自动恢复正常。另一路保护控制信号是由ABL电路输出,经R275注入,当ABL电路动作后,输出电压降低而使T\(_{482}\)截止,从而使T481导通,控制行激励级,实现保护。

故障现象及检修:若出现光栅时有时无不断闪动,则说明行输出电路有过电压现象,保护电路已经动作,也说明保护系统工作正常。造成过电压的原因往往是更换的行输出变压器参数差别大或逆程电容开路。当出现光栅极亮,调整亮度电位器无效,并测得阳极电压超过25kV时,则往往是保护电路失效。常见的原因是输出管T\(_{481}\)因电流过大造成各极间开路,使控制信号送不出去。另外就是比较信号输入二极管D552特性变差,这时表现的故障是时亮时暗,变化频繁,暗时图象基本正常。
3.采用TA7609集成电路的各类机型:这些机型的X射线保护电路是由TA7609及外接元件D\(_{4}\)、D5、C\(_{21}\)等组成(见图3)。其工作原理如下:行逆程脉冲(控制信号)由二极管D5整流、电容C\(_{21}\)滤波,经R26、R\(_{27}\)分压后作用到齐纳二极管D4上,当高压正常时D\(_{4}\)截止,TA7609的③脚上没有附加电位;集成块内部电子开关关闭,保护电路不起作用。当高压过高而产生超过限定的X射线时,行逆程脉冲同时升高,使D4击穿,③脚电压升高,内部电子开关接通,则④脚输出为低电平,即切断了行振荡脉冲,使行激励级、行输出级停止工作,而起到保护作用。当故障排除,高压不超过限定值时,电视机才能恢复正常工作。

与TA7609X射线保护原理相似的还有采用集成电路TA7698的各类机型。
过压过流保护电路
电视机产生过压过流的原因一般可归结于:交流电源电压变高、直流供电电压变高、行逆程反峰电压变高。因上述电压过高同样也将产生过量的X射线,所以从广义上讲过压过流保护电路也可认为是X射线保护电路的另一种形式。为了讨论方便,现分别介绍:
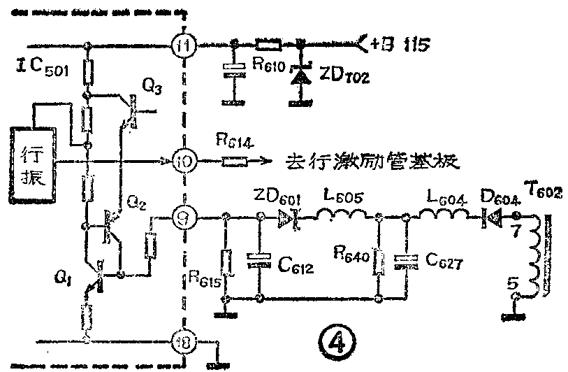
1.夏普D2010D/K20英寸彩电:过压过流保护电路见图4,其工作原理如下:行逆程脉冲(控制信号)从行输出变压器T\(_{6}\)02的⑦脚输出,经D604、ZD\(_{6}\)01、L604、L\(_{6}\)05加到集成电路I501(IX 0065 CE)的⑨脚,正常时I\(_{5}\)01内部的Q1、Q\(_{2}\)、Q3均处于截止状态,不起作用。当T602的⑦脚送来的行逆程脉冲高于Q\(_{1}\)的VBE与ZD\(_{6}\)01的齐纳电压之和时,Q1、Q\(_{2}\)、Q3均导通,切断对行输出级的供电,使之停止工作。其他电路也随之停止工作,完成行逆程脉冲升高时的过压保护(相当于X射线保护)。当电源发生故障如开关管损坏时,其开关调整作用也随之失效,这时由于开关变压器及其他储能元件的作用,直流输出电压+B(115V)有可能突然在瞬间升高到280V左右,这时过压保护元件——齐纳二极管ZD\(_{7}\)02将出现齐纳击穿,使+B电压接地,(严重时电源保险将熔断)电源停振而起到过压保护作用。另一方面,当外电出现突发跳变性升高波动或电源电路个别元件损坏等原因造成+B电压出现瞬间过压时,ZD702也将出现齐纳击穿,+B电压接地,电源停振而无+B电压输出,这时若关机后过几分钟再开机,仍可以恢复正常,但是若是因为故障或故障未处理而导致保护时,开机后工作一阵将继续出现保护,同样,故障严重时电源保险将熔断,这时就必须进行检修。

故障现象及检修:若保护系统出现故障,直观反映的现象就是无光无声,检修时如测得+B电压为零而开关调整管集电极电压正常,则说明开关电源没有振荡,在查得电源电路无损坏元器件的情况下,应考虑是否发生过压保护现象,判断方法是:将过压保护二极管ZD\(_{7}\)02断开,开机若测得+B电压正常,说明ZD702稳定性差,严重时将出现永久性击穿损坏,这多是由于过压时间长,或更换的保险丝的电流数值偏大所致,因此对于采用这类二极管的过压保护电路,更换的保险丝切不可偏大,否则极易造成二极管的损坏。ZD\(_{7}\)02是115V稳压二极管,损坏后可用几支稳压管串联达到115V稳压值后代用,但选择的代用管的反向电流要尽可能小一些。
2.金星C56-402型22英寸彩电(相似机型有日立CTP-236D、金星C37-401、福日HFC—236等):该机的保护电路又称高压限制电路,主要由可控硅Q\(_{7}\)04、高压限制厚膜组件CP701(HM7103)及C\(_{73}\)0、D705D\(_{7}\)06R732等元件组成(见图5)。其工作原理如下:正常情况下,行逆程电容C\(_{721}\)上端电位低于C730上端的电位,因此D\(_{7}\)06处于截止状态,不影响行输出管Q702的工作。在高压和场输出电路都正常的情况下,CP\(_{7}\)01①脚无电压输出。此时保护电路不起作用。当行逆程电压突然升高时(如瞬间过流,逆程电容开路等),致使D708导通,此电压加到CP\(_{7}\)01①脚,此外,若场输出电路出现故障而发生过流现象时,都将使电阻R732两端电压升高,于是C\(_{7}\)01的③脚便输出一个电压信号加到Q704的栅极作为触发信号使之导通,这样输出的58V直流电压就经电阻R\(_{729}\)对地短路,使开关稳压电源因无正反馈而停止振荡,整机无直流电源输出而起到了保护作用。

日立CTP-236D彩电与金星C56-402机保护电路的不同之处是多一只控制三极管和厚膜件CP701型号不同。另外就是控制对象不是58V而是108V(保护时使其接地)。其他方面如保护原理、工作过程、取样方式及故障检修都与金星C56-402机相同,
故障现象及检修:在正常收看时突然无光无声,此时关断电源,先发出从大到小的“吱吱”声然后全无,过半分钟后再开机声、光、象又正常。这样周而复始的出现,说明电视机内有过载故障,也说明保护电路在起作用。当保护电路出现故障时,一种情况是无光无声,常见原因是CP\(_{7}\)01损坏造成误输出使可控硅Q704长期导通或Q\(_{7}\)04阴极与阳极间击穿,致使开关电源停振。对于这类情况检修时可将Q704断开,若开机后声象均正常,则说明保护电路确有故障。另一种情况就是保护元件出现开路性损坏即无触发信号或可控硅损坏而长期阻断,失去保护作用,这种情况若行、场电路无过载故障时是不易直观发现的,但有时也表现为光栅极亮、抖动或图象瞬间忽大忽小,检修时应加以分析注意。
3.牡丹TC-483D型14英寸彩电:过压保护电路是由可控硅Q\(_{8}\)04及L804、C\(_{819}\)、R819构成的(见图1)。当外电突然升高或因其他故障使整机输出电压113V突然升高到130V左右时,Q\(_{8}\)04将导通,使113V接地,电源停振,无输出电压而起到过压保护作用。但是这种电路有时可能造成可控硅的永久性损坏。Q804的型号为TFD315M,更换时可用国产3CTK3F代换。保护电路常出现的故障为声、光时有时无,有时关机后过几分钟再开机仍正常,出现这种故障的主要原因是Q\(_{8}\)04稳定性太差。检修时可用电热吹风机给Q804加热进行判断,若其稳定性差则发生声光全无。
检修实例
1.德律风根5016型20英寸彩电
故障现象:光栅极亮,十分刺眼。
分析检修:因为该机设置有X射线及过压保护电路(见图2),通常情况下是不会出现光栅极亮的,光栅极亮说明显象管束射电流过大,从电路上分析有两种可能:一是亮度调整控制电路失效或电源输出电压过高,阳极高压过高。二是X射线保护电路失效。对上述电路分别检查,经测,电源电压为118.5V,正常。查亮度调整、控制电路,均完好,用高压表测得阳极电压高达27kV,而X射线保护电路的限定电压为25kV,由此说明保护电路失效,也说明行输出电路有故障,造成高压上升。首先查保护电路,发现信号耦合电容器C\(_{131}\)爆裂损坏,这样控制信号就无法注入保护系统,使保护电路失效。更换一只30μF/25V电容器后,光栅时有时无,这表明保护电路已正常工作,但行输出电路仍有故障,其原因就是阳极电压过高。而阳极电压的升高与行反峰电压及行逆程扫描时间有着直接的联系,因此应重点查行逆程电容是否变小,经检查发现逆程电容C185(两只并联)中有一只容量为2200pF电容器的引线从根部折断,使逆程电容变小、行反峰电压升高进而使阳极电压随之升高,造成光栅极亮,更换此电容器后,故障完全消除。
2.日立CTP-236D型20英寸彩电
故障现象:无光栅,无伴音,开机时有“吱吱”叫声,并从大到小逐渐消失。
分析检修:检测开关电源输出的54V、108V电压,均为零(见图6)。分析认为可能是开关电源没有振荡。造成停振的原因主要有:①电源电路有故障。②负载有短路性故障。经检查认定电源电路完好,然后检查负载电路。先将保护电路与电源分离,即断开三极管Q\(_{7}\)04基极,开机后图象伴音均出现。经测,54V、108V电压都很稳定。这说明故障是由于可控硅Q705被触发导通使输出电压短路造成电源停振。那么是什么原因使Q\(_{7}\)05导通呢?原因有两点:①行场扫描电路有过裁现象,使保护电路动作。②保护电路自身损坏出现误动作。因此分别检测,先将行场控制误差信号与保护电路分离(断开CP701①脚),然后接通Q\(_{7}\)04基极,开机后可控硅Q705仍触发导通,使电源无输出。由此证明行场电路工作正常。造成Q\(_{7}\)05导通的原因是保护电路自身有故障,经检查是保护取样厚膜电路CP701上的稳压二极管击穿。用一只2CW55代用后,故障完全消除。(陈克军)
