RTS-777是游戏用音乐集成电路,由于它的芯片内有振荡器、多种分频器、计数器等电路,因此只要外接少量元器件就能做成音乐猜灯游戏器和其他小制作。
RTS-777电路的外形见图1。为了读者使用时方便,笔者特编上1~17引脚序号,但实物上并无此编号,请读者使用时注意。

RTS-777集成电路的基本功能是能让外接的7个发光二极管依次“亮”一下,形成亮点转圈移动,并能让外接的压电蜂鸣器发出“滴、滴、……”声和两首乐曲声。此电路触发一次,工作一个周期,乐曲停止、自动停机。RTS-777电路上如不外接压电蜂鸣器,那么应在原位置上接一个0.047~0.2μF的电容器,否则有一只发光管损坏,就不能使亮点转圈移动,这一点使用时需要注意。
RTS-777集成电路的工作电压为2.2~3.5伏(典型值为3伏),工作电流为150μA,触发电流为2μA,供发光二极管的输出电流最小值为5mA,供压电蜂鸣器的电流最小值为2mA。
音乐猜灯游戏器
游戏器的电路见图2(a),焊好后的实物(没装外壳)见图2(b)。电路中S\(_{1}\)是触发按钮,也是循环按钮。S1按下后如不松开手,发光管LED\(_{1}\)~LED7按图3所示的a轨迹依次“亮一下”(称它为亮点大循环),并如此循环下去。与此同时,压电蜂鸣器HTD不断发出“滴、滴……”声。当松开(切断)S\(_{1}\)的瞬间,才是电路周期性工作的开始,亮点大循环进行5次后,循环速度变慢,约到第7次循环时,亮点停留在某一个发光管上,此时HTD奏出一首乐曲,表示一个周期结束,然后自动停机。如果亮点停留在LED1~LED\(_{6}\)中的某一个管子上,那么HTD都奏出同一首乐曲;如亮点停在LED7上,那么HTD奏另一首乐曲。


要估计亮点会停在哪一个发光管上,是比较困难,但还是有一定的规律。因为RTS-777的工作周期是内部设定的(触发一次亮点大循环可进行7圈),所以S\(_{1}\)松开瞬间正点亮的那个发光管,待循环7圈后,此管还可能被点亮。由于循环速度很快,在S1松开瞬间,很难判断哪个管子正好点亮,所以这个规律不容易掌握。如果要加大游戏的难度,可在1、2两引脚接一个电阻R\(_{1}\)(见虚线所示),这样循环速度更快。R1越小,亮点循环越快,为防止电路损坏,R\(_{1}\)不能小于200kΩ。
当大循环进行时,如亮点停在LED\(_{7}\)上时,这时快速按下S3,直到HTD奏曲完毕后,这样亮点循环就按图3所示的b轨迹进行(不经过LED\(_{7}\)),我们称它小循环。当松开S3的瞬间,是小循环周期性工作的开始,周期为8圈。
根据以上叙述,此游戏器可供两人(或两人以上)做多种游戏。第1种,每人猜某一个管子点亮,然后按一下S\(_{1}\),看亮点停在哪一只管子上,猜对者为胜。第2种,每个人按S1,并控制S\(_{1}\)钮的松开时间,使亮点停在自己所猜的位置上,对者为胜。第3种,能把大循环变为小循环者为胜。其他游戏方法,读者可以自行选择。
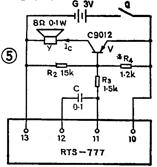
如果要增大音量,可在电路中采用三极管和扬声器,电路见图4、图5所示。其中图4电路简单,但静态电流较大,较费电。图5电路耗电较省,但需要调整R\(_{4}\)的阻值。使其静态时,集电极电流Ic在0.2~0.5mA范围内。


发光二极管LED\(_{1}\)~LED6可选用红色的,LED\(_{7}\)可选用绿色的,并把它安装在中心位置上。
介绍几种实用电路
1.闪光花朵:它是在图2电路下稍作改动而成的。把红色发光管换成各种颜色的管子。去掉压电蜂鸣器,在引出脚11、12上接一个0.1μ的电容器。去掉按钮开关,把14、17两端相连。接通电源后电路一直处于工作状态,各色管子依次亮一下、将这些管子安装在塑料花芯中,插在花瓶内,即成闪光花朵。
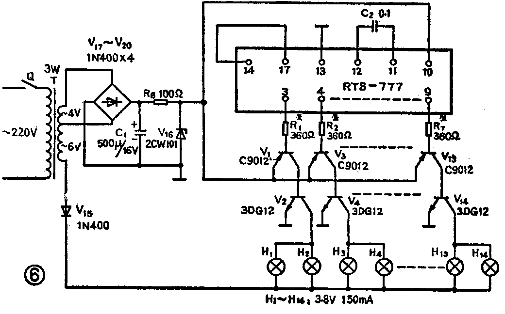
2.流水彩灯:电路见图6:接通电源后,3~9引出端依次发出脉冲信号,使三极管V\(_{1}\)与V2,V\(_{3}\)与V4……V\(_{13}\)与V14依次瞬间导通,彩色小灯泡(电珠)H\(_{1}\)与H2,H\(_{3}\)与H4……H\(_{13}\)与H14依次“亮一下”,产生流水似的效果。小灯泡可按H\(_{1}\)、H2……H\(_{14}\)依次排列,也可跳跃性排列等。图6电路中R1~R\(_{7}\)都需调整,使H1~H\(_{14}\)亮度合适。

3.光弱报警器:电路见图7,在光线不足时,HTD能发出报警声。光敏二极管H可选用2CU2A型。电路中R阻值需调整,以使光线照度低于100勒克斯时,报警器发出报警声。

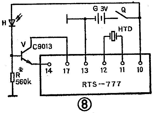
4.天亮呼唤器:电路见图8,如要增大音量,可参看图5作些改动。(沈绍雷)
