本文向读者介绍一种遥控指令接收机中用的新颖的鉴频电路,也称脉冲均值解调器。这种鉴频器的工作原理与一般鉴频器有显著不同,图1为它的原理方框图,图2为有关波形图。它的特点是将调频波变成重复频率等于调频波频率的等幅定宽脉冲序列,再经低通滤波器取出直流平均分量,即指令信号电压。



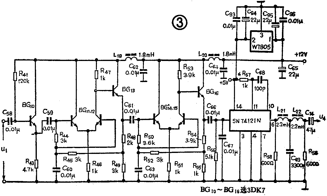
图3为某调频调幅遥控指令接收机中采用的鉴频电路图。从中频放大器送来的7.3MHz调频信号(u\(_{1}\)),经射随器BG10耦合到带射随器的两级差分对放大限幅形成级,进行零点形成(电原理图中BG\(_{11}\)~BG16)。形成级输出的脉冲u\(_{2}\)方波信号,经电容C66去触发定宽单稳态触发器。在触发脉冲作用下,由集成电路SN74121N构成的定宽单稳电路产生脉宽为t\(_{0}\)的脉冲序列,即图2中的u3正脉冲序列。这种脉冲是等幅定宽的,脉冲的重复频率与调频波的频率相等。在频率较高的地方,脉冲序列拥挤,相应的直流分量较大;在频率较低的位置,脉冲序列稀疏,相应的直流分量就很小。如果用低通滤波器取出脉冲序列的平均值即直流成分,就能恢复低频调制信号u\(_{4}\)(即指令信号)。该调制信号经电容C74耦合至低频放大级。
这种鉴频电路对各元器件的性能要求不高、容易调试,电路工作稳定、解调线性好、失真小。由于脉冲的频率受晶体管开关时间的限制,所以工作频率不宜太高,一般在10MHz以下为宜。
定宽单稳电路产生的脉冲宽度t\(_{0}\)的时间,应小于最高频率信号的周期,即R57·C\(_{68}\)<\(\frac{1}{f}\)max,其中f\(_{max}\)为信号的最高频率。正5V电压由W7805稳压块提供。调整R5,可改变信号输出幅度大小。限幅放大整形电路的形成电平需稳定可靠,否则会引起失真。与中放级输出信号耦合的射随器BG\(_{1}\)0的动态范围尽量大些为好。本电路的低频通带为0.5~85kHz(3dB时),带内波动为1dB,带外衰减≥30dB。(阮殿清)