打开任天堂(及其兼容的)家用电视游戏机的节目卡,可以看到2片存储器芯片。其中一片是游戏管理程序存储器,另一片是图案信息存储器。

图1是游戏卡插座与标准配置游戏卡的连接图。游戏卡插座的1~15与31~46引脚为机内CPU与游戏卡的游戏管理程序存储器的连接引脚;16~30与47~60脚为机内PPU与图案信息存储器的连接引脚。图中,CPU对游戏管理程序存储器的寻址位有15个(0A~14A),最大能管理32kB(256kbit)存储器。0D~7D为CPU数据信号,ROMS-为游戏管理程序存储器选通信号,R/W-为CPU的读写控制信号,IRQ为可屏蔽中断信号。0DA~13DA为PPU地址信号,0DB~7DB为PPU数据信号,OE-为图案存储器选通信号。PPU最大寻址能力为8kB(64kbit),地址线13DA状态为0时对图案存储器寻址;13DA为1时PPU对VRAM寻址(见《无线电》1989年4、5、6期)。
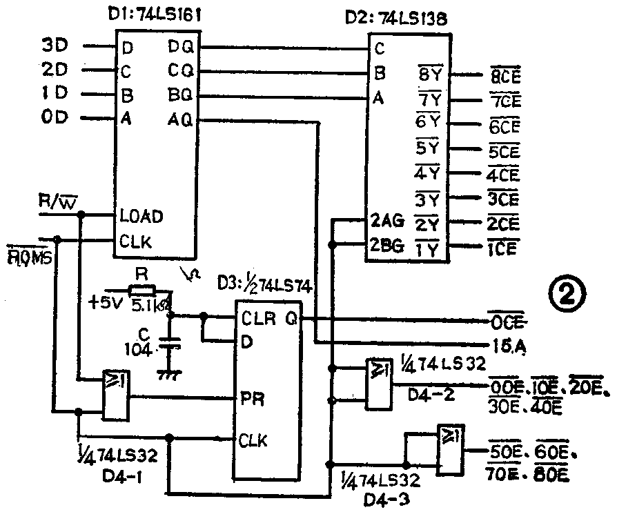
当游戏程序容量超过标准配置的容量时,就要对存储部分进行扩充。常见的扩充方法是将游戏管理程序存储器作为虚拟存储器,采用切换方式选择不同的存储体,而图案存储器无需扩充。图2是扩充到(4M+256)kbit容量的游戏卡电路图。当游戏机主机通电后,D3的Q端输出低电平,0CE-有效选中基本存储体;主机CPU也无条件转向初始地址(即基本存储体地址);主机送出ROMS-有效电平,使0OE-有效,基本存储体选通。CPU将按基本存储体命令执行,基本存储体上也固化了存储体转向子程序。当需要切换存储体时,转向子程序会将数据写入某地址。由于基本存储体为只读存储器,所以数据不会写入之;写入的是D1、D1这时相当于RAM。执行上述写入操作后,基本存储体就脱开主机,新的存储体被挂上。其它存储体之间的切换方法同上。由于CPU最大只能寻址256kbit游戏管理程序存储器,所以0CE-选通的基本存储体容量最大为256kbit。在切换存储体时,写入D1的3D、2D、1D用来选择存储体,而0D(产生15A信号)则用来选该存储体的高(或低)256kbit容量,所以1CE-~8CE-所选中的存储体最大容量为512kbit。故该扩充电路最大扩充容量为8×512kbit+256kbit,即4Mbit+256kbit。

使用EPROM的游戏卡,如果不是硬软件同时加密,还可以用紫外线擦除,再录上新的节目。一般EPROM芯片可以擦写10~20次。(武夷)