东芝半自动除霜直冷式双温双门电冰箱的型号、种类很多,如GR-185E、GR-205E及GR235E等,它们的电路都差不多,均采用了比较复杂的电子温度控制电路。GR-185E的电原理图见图1,其电路原理框图如图2所示,图3是它的简化电路原理图。图1中的元器件标号是按印制电路板所标注的。



压缩机的开车、停车由制冷继电器RC接点及pTC启动装置控制,而除霜则由除霜继电器R·H接点控制,RC及R·H均安装在主电路板上,其位置在电冰箱背面的上部。配合主电路板工作的有操作板,操作板上装有按钮开关等。下面就PTC启动装置、双越限控制电路、温控电路及除霜电路分别加以说明。
PTC启动装置
单相感应电动机的定子装有两组绕组,即运行绕组和启动绕组,当接通电源电机正常运行后,就不再需要启动绕组的协助了。当停止制冷时,则要切断电机的电源。PTC启动装置可以很好的实现上述功能。为保证电机的安全运行,在启动装置中还装有过热,过流保护器,以保证在压缩机过热或在电机过流时切断电源。
在图2中,A~C为运行绕组,M~C为启动绕组,1代表PTC元件,2代表过热过载保护元件。PTC元件为一正温度系数的热敏电阻,其特性曲线,见图4。在通电前,PTC处于室温条件下,其阻值很低(约20Ω左右),这时相当于“通”的状态。在通电瞬间,运行绕组和启动绕组同时得电,致使PTC元件本身发热,温度急剧上升到150℃左右,此时其阻值约为20kΩ左右。因启动绕组与PTC元件串联,故启动绕组相当处于“断”的状态。PTC元件从启动开始到运行稳定约需3分钟左右,它的启动时间仅有1~2秒钟。

过热、过流保护装置是由双金属片、端子、触点和感热元件等组合而成。双金属片由两种不同金属材料压合而成,在使用中将过热过流保护装置串接在电路中,并将其贴于压缩机的外壳上。当压缩机过热时,感热部件接受到的热量会使双金属片受热变形弯曲,从而切断电路。
双越限控制电路
GR-185E的温控、制冷和除霜电路均采用了图5所示的双越限电路。其简单工作原理如下。

如开关管饱和导通,则RC的接点接通;若开关管截止,则RC的接点断开。开关管Q811的导通与截止又决定于R-S触发器的工作状态,当R-S触发器的输出端Q=1(高电平)时,可使开关管饱和导通,而当Q=0(低电平)时,则开关管截止。
R-S触发器:R-S触发器是一具有记忆功能的器件,可由两个或非门交叉连接而组成。R-S触发器有两个输入端,两个输出端,它有两个稳定的状态。其特点是只有在R=1或是S=1时,触发器翻转,但应避免R和S同时是“1”的状态。
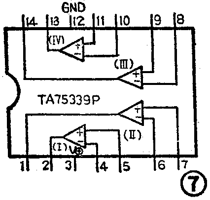
东芝GR-185E电冰霜使用一块TC4011BP型集成块构成温控制冷和除霜两个R-S触发器,TC4011BP为一CMOS4或非门电路,其内部电路见图6(a),其中或非门Ⅰ和Ⅱ组成温控制冷触发器,或非门Ⅲ、Ⅳ组成除霜触发器,如图6(b)所示。

只有当制冷触发器的S输入端(第1脚)为1时,压缩机才能得电开车,而当R输入端(第6脚)为1时,则压缩机停车。同样,只有当除霜触发器的S端(第8脚)为1时,开始除霜,而当R端(第13脚)为1时,则停止除霜。
东芝GR-185E电冰箱使用了一块型号为TA75339P的4电压比较器集成电路,其内部电路如图7所示。电压比较器有两个输入端(即同相(+)输入端、反相(-)输入端)和一个输出端。利用比较器可以比较两个输入电压的大小,在一定条件下,其输出可为高电平输出1,或是为低电平输出0。

了解了上述基本情况之后,可以结合图5进一步说明双越限控制电路的工作原理。由图可见,参考电压和V\(_{下}\)V上分别接到A比较器的“+”端和B比较器的“-”端,被控取样信号V\(_{s}\)同时接到A比较器的 “-”端和B比较器的“+”端。这里的Vs、V\(_{上}\)和V下均为正值,且V\(_{下}\)<V上,V\(_{S}\)是变化的,并设Vs由大变小,则有以下几种情况。
1.V\(_{s}\)>V上(取样信号大于上越限信号):这时A比较器输出为0,而B比较器输出为1,即R=0,S=1的情况,因而R-S触发器的输出端Q为1。此时开关管处于通态,使得继电器RS得电动作将被控电路接通。
2.V\(_{s}\)=V上(取样信号与上越限信号相等):此时A、B比较器的输出均为0,即处于R=0,S=0的情况,因而触发器的输出端Q保持原状态。
3.V\(_{下}\)<Vs<V\(_{上}\)(取样信号介于上下越限值之间):这时仍保持R=0,S=0的状态,保持原状态Q为1,继电器RC动作。
4.V\(_{下}\)=Vs(取样信号等于下越限值):此时仍为原状态而不翻转。
5.V\(_{下}\)>Vs(取样信号小于下越限值):此时A比较器输出为1,B比较器输出为0,即为R=1,S=0的状态,于是R-S触发器翻转为0态,使开关管截止、继电器失电而断开被控电路。
由以上过程可以看出,只有在上、下限值越限时,控制电路才能改变。当然V\(_{s}\)由小变大也是一样。
温控制冷电路
温控制冷取样信号V\(_{s}\)取自冷藏室温度传感器RS,RS实际上是一负温度系数的热敏电阻。当温度升高时,RS的阻值减小,相反温度降低时,RS的阻值增大。由图可见,RS与电阻R810串联,并由R810上端取出Vs温度取样电压,这个电压将随温度的升高而升高,且在上限温度时V\(_{s}\)最大,而在下限温度时Vs值最小。这样利用RS的温度感受将温度的变化转换成信号电压的变化并检测得到温度控制取样信号V\(_{s}\)。实测东芝电冰箱冷藏室、冷冻室温度传感器的典型电阻特性曲线如图8所示。

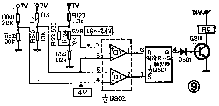
GR-185E温控制冷部分电路见图9。它由温控制冷取样电路、上下限温度参考信号电路、电压比较电路及触发器与开关管电路组成。本电路使用了两块集成块(4与非门电路、TA75399P)各自的一半,即Q801和Q802的I、II部分(\(\frac{1}{2}\)Q801和1;2Q802)。

下限温度参考信号电压取自操作板上的R122~R124组成的电路,V\(_{下}\)取自温度调节电位器R124的中心抽头,电位器有三档位置,分别对应操作面板上的“1”(弱)、“4”(通常)、“7”(强),SVR电压分别为2.4V、2.0V及1.6V,也就是说SVR调节电压范围在1.6~2.4V之间变化。弱、通常和强档所对应的冷冻室温度分别为—15℃、—18℃和—21℃,SVR电压送入12Q802的第7脚。
上限温度参考信号电压V\(_{上}\)取自R801及R802串联电路,其值为+4V。它相当于温度传感器RS处的温度为+3.5℃。V上送入12Q802的第4脚。
温控取样信号V\(_{s}\)取自R810,Vs值在1.5~4.1V之间变化。RS处温度为—19℃时相当于1.5V,而当RS处温度为+3.5℃时相当于4.1V。V\(_{s}\)分别送入12Q802的第6脚和第5脚。
图9的温控制冷电路是图5双越限控制电路的具体化电路,其工作原理是相同的。
在室温下开始使用电冰箱时,由于冷藏室温度高于t\(_{上}\)=3.5℃,则Vs>4.1V,因此Q802的第2脚输出为1(S=1),第1脚输出为0(R=0),这时触发器的输出Q=1而使开关管Q811导通。由于制冷继电器RC的触点接通了压缩机电机的电源,于是就开始制冷。
随着制冷的进行,RS的温度下降,进而V\(_{s}\)的温度也下降。当Vs<1.5≤4V时,Q802第1脚和第2脚输出同时为0,即R=0,S=0,故电机保持原状态通电制冷。这时也相当于一般继电器的自保状态。
随着开车时间的增长,RS处的温度也下降,当超越下限温度(约—19℃)时,V\(_{s}\)<1.5V(指强档制冷),Q802的1脚输出为1,2脚为0,因此R-S触发器翻转,开关管截止RC失电断开电动机,使压缩机停车而停止制冷。由以上分析可知,若改变V下的参考值,则制冷时间可缩短或增加,V\(_{下}\)值越小,则制冷时间越长,冷冻室的温度也越低。(毕鲁)