松下公司新近推出的NV-L15和NV-L10型录象机目前在我国甚为流行。这类L系列录象机的主要特点之一是能在PAL制彩电上放NTSC制录象带,因而拓宽了录象带的来源。但L系列录象机一般只能与具有场频调节钮的彩电配接才能播放NTSC象带,因为NTSC制信号的场频为60Hz,工作于PAL状态(场频为50Hz)的彩电不重调场频通常不能保持场同步,会出现图象垂直滚动不止的现象而无法观看。然而,国内现在拥有的彩电中,有相当多的机型却没有场频调节钮(机内也没有),用这类彩电与L系列录象机配合就无法正常播放NTSC节目带,使L系列录象机的这一主要功能名存实亡,不免令许多爱好者为之扫兴。本文对这个问题作一简析,并给出经实践表明效果良好的实用解决方法,以期对读者有所帮助和启发。
场频不能调整的原因
场频不能调的彩电主要是采用Mμ两片IC(M51354AP和μPC1403CA)机芯和夏普NC-I机芯的电视机,其牌号众多,有三洋CTP-3904,CTP-3906,CTP-4903/05/40;昆仑CTP-3904,S471;成都C47-851;夏普C-1404DK,C-1405CK,C-1820CK,C-1830DK,C-1836DK;天鹅C-1820MK,C-1830MK;虹美WJD-29等等,这里难以一一列出,读者可参阅《无线电》以前发表的有关资料。在上述彩电中,其行场扫描及亮度色度信号处理主要由集成电路μPC1403CA或IX0304CE(与μPC1403CA相同)来完成。μPC1403CA是一种设计先进,由模拟电路与数字电路相结合而造出的大规模集成电路,它的行场振荡部分由石英晶体振荡和数字分频电路组成,如图1所示。在图1中。由晶体压控振荡器产生32f\(_{H}\)(32倍行频,即500kHz)振荡信号,作为行场振荡的基准频率。该振荡信号经32分频和二级AFC锁相得到行扫描信号,即频率为fH(15625Hz)的行频信号。行频再经分频后便得到场扫描信号频中。由于晶振产生的基准频率很稳定,因此一般不需进行“行同步”和“场同步”的调整,也就没有外设的行频及场频调节元件。

采用μPC1403CA的彩电在接收PAL-D信号时,其行场同步性能无疑是稳定可靠的。但在接收L系列录象机播放的NTSC制信号时,因NTSC制信号的行频为15750Hz,场频为60Hz,而行同步捕捉范围(指μPC1403CA)至少可达±400Hz,故行同步一般没有问题;然而场同步就不行了。因为μPC1403CA的场扫描信号是15625Hz行频信号经行—场分频电路而获得的,行频和场频之间有一定的比例关系,该比例关系不是固定不变的,而是主要随5(同步脉冲输入端)输入信号在一定范围内可变的。当5同步输入信号为0,并在5施加V\(_{cc}\),即V37=V\(_{cc}\)时,行频fH和场频f\(_{V}\)(分别由和输出)的比例为fH/f\(_{V}\)=452;当5同步输入信号为0,并且V37=0(即5接地),则f\(_{H}\)/fV=288。这两个比例当然是测试条件下的极端情况,实际工作中的μPC1403CA当f\(_{H}\)=15625Hz时,场同步的捕捉范围约在44.4~54.2Hz范围内,显然,60Hz场频的NTSC制信号无法被场同步,重放图象必然翻滚不停。
如何解决场不同步
μPC1403CA虽然没设场频调整元件,但却是一种PAL/NTSC双制器件,只是除了多制式彩电外,一般电视机均没用上它的NTSC制功能罢了,而在用L系列录象机放NTSC磁带的情况下,我们则可以利用μPC1403CA的NTSC制功能,使场不同问题得以妥善解决。具体原理和方法如下。
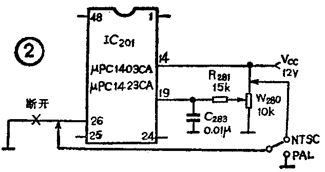
μPC1403CA的是PAL/NTSC制式转换控制脚,在施加大于1.1V(最高约1.5V)的电压,电路为NTSC制方式;当接地(小于0.7V~1.1V)时,电路为PAL制方式。当μPC1403CA工作于NTSC制方式时,除色解码电路转换为NTSC制外,行——场分频电路的分频比也相应改变,一般f\(_{H}\)/fV为230~296,场同步捕捉范围可达52.8Hz~67.9Hz。因此,利用后者,便可使NTSC制信号实现场同步。实际改动时,只要按图2所示,断开彩电中μPC1403CA原接地线,再增设一只单刀双掷转换开关K即可。当重放L系列录象机输出的NTSC带信号时,将K置于“NTSC”端位,并可适当调整W\(_{28}\)0,使色调最佳(调前记下原位置,以便复原)。当接收电视信号或放PAL带时,则将K置“PAL”位。经在昆仑S471型及三洋CTP6904型彩电上实际试验表明(图2电路中元件编号即这两种彩电所采用的)。重放图象不仅场同步稳定可靠,而且场幅压缩现象也有明显改善,屏幕上下端仅略见黑带,而不少场频可调彩电在用L系列录象机放NTSC带时场幅会明显压缩,图象也变扁而失真。

为了便于彩电正常使用,上述转换开关可用以下几种方法装在彩电上:(1)选购一只小型1×2开关装在彩电的后盖上,缺点是要在后盖上打孔。(2)利用彩电上已有的开关,这个开关必须是平时难得使用的,一般可用AFC或光控开关,因为这两种功能实际用处不大,完全可以省去这两个开关,但AFC应连接成工作状态。(3)利用一个节目预选键开关。由于一般彩电均有8~16个预选键,而目前我国绝大多数地区能供接收的电视台不超过6个,因此能利用一个预选键开关来作为PAL/NTSC制转换开关。此法对具有12~16个预选键的彩电更为合适。为使改装容易,W\(_{28}\)0不必另行引出,因为事实表明不调地W280一般也能获得较佳的图象质量。
如果不想增设转换开关,而且也不希望彩电上原有的功能开关失去作用,则可采用电子开关方式来转换NTSC/PAL制,如图3所示。图中,用三极管BG\(_{K}\)来起转换作用。当按下预选开关K101~K\(_{1}\)07中的任一个时,BGK截止,μPC1403CA通过R\(_{3}\)接地。此时工作于PAL状态,与原彩电电路一样。当按下预选开关K108时,12V电位通过K\(_{1}\)08、R1加到BG\(_{K}\)基极,使其获得足够的偏流而导通,电位升高,使μPC1403CA转换至NTSC状态。DK是隔离二极管。由上可见,经这样改动,K\(_{1}\)08成了专用于放NTSC带的预选开关,当然这个专用工作开关可指定K101~K\(_{1}\)08中的任一个担任,随你方便或喜爱而定。如果原彩电预选开关中有一个VTR或AV开关,则上述NTSC/PAL转换开关一般不宜与它合用。

上述改动方法同样适用于采用μPC1423CA的彩电,读者可根据自己的实际情况选择一种最适合的方法。顺便指出,μPC1403CA和μPC1423CA内电路结构有所不同,虽引脚功能一致,但一般不宜直接互换;μPC1420CA更不宜与μPC1403CA或μPC1423CA直接互换;而有些报刊杂志上载文称这3种集成电路能直接互换,这是不有妥的。
最后需要说明,以上改动仅是为了解决L系列录象机重放NTSC带时的场不同步问题。而不是将彩电改成了PAL/NTSC两制式机,要改成两制式机还应对晶振等电路进行改动,这里就不再作深入讨论。(王德沅)