在厨房的煤气炉上烧开水,一旦水沸腾了,如不及时熄火,开水就会溢漫出来,将火焰扑灭。煤气外溢,很不安全。使用水开报知器后就能解决此问题。
工作原理
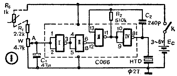
水开报知器电路如图1所示。采用热敏电阻作为温度传感元件,当水温升高后,热敏电阻阻值减小,A点电位增大,当A点电位高于门Ⅰ反相器转换电压时,门Ⅰ将输出低电平,门Ⅱ输出高电平,使门Ⅲ、门IV组成的音频振荡器工作,压电陶瓷片发声。在门Ⅱ输出低电平时,门Ⅲ、门IV组成的音频振荡器不工作,压电陶瓷片无声。

元件选择
集成块选用C066二输入端四与非门,工作电压为3V~18V,在本电路中E\(_{c}\)为3V~6V。Rt热敏电阻选用阻值为1kΩ的那种。压电陶瓷片选用直径为27mm。C066的管脚排列图见图3。

调试
水开报知器的印刷电路板见图2(1:1)。温度传感头制作方法:找2只废日光灯启辉器壳子,用铁皮做只夹子把两只启辉器顶部贴紧,并用螺丝紧固。其中1只启辉器可套在水壶口上,以取得水的温度。热敏电阻两引脚焊在另1只启辉器盖子上,并装入壳内,见图4。注意热敏电阻一定要紧贴内壳壁上,这样便于传热,焊上热敏电阻的外引线,温度传感器就做好了。全部元件焊好检查无误后,即可接通电源调试,将温度传感器套在水壶口上,等水沸腾时调W,使压电陶瓷片正好发出响声,反复调几次,就可以正式使用了。


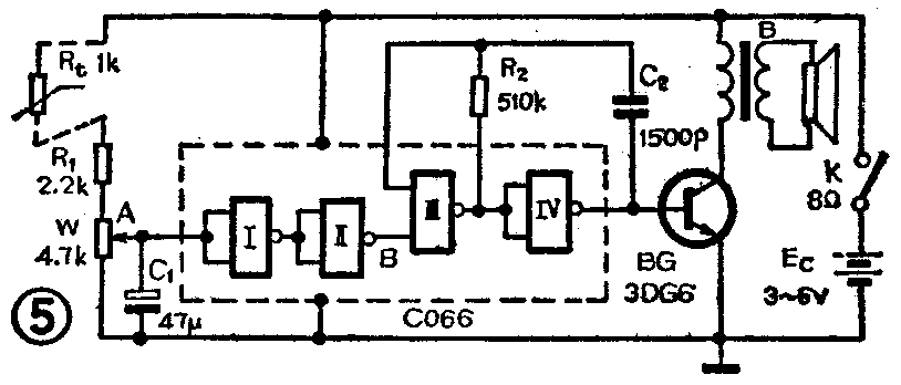
如果要改变发声频率,可改变C\(_{2}\)容量。如果觉得报知器发声不够响,可以按图5在门IV输出端接1只三极管,C2改换1500P。B是小型收音机输出变压器。发声器用小型扬声器,这样,声音就大大提高了。(程国阳)
