一、OTL功放级的调整
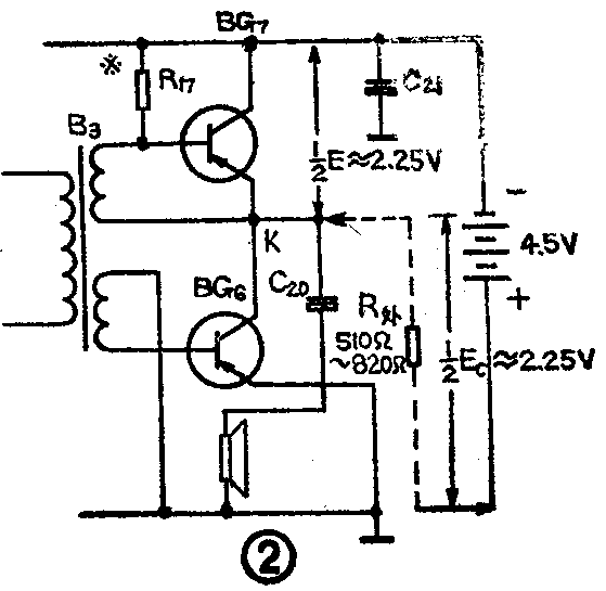
调整OTL功放级可先调整电阻R\(_{17}\),再调整R18。先将地线与电源正极线切断(两处),把BG\(_{7}\)集电极与电源负极间用一根辅助线连好;见图1。用电阻R外(阻值为510Ω~820Ω)代替BG\(_{6}\)及其有关电路,即把R外一端接中点K,另一端接电源正极。用万用表监测中点对地电压。OTL功放级工作点调整原理图见图2。


调整R\(_{17}\)时,需用一个1kΩ电位器串联一个300Ω电阻连接在R17位置上。调整时把电位器顺时针旋到底(轴对自己,焊片朝上),然后慢慢地逆时针方向旋转电位器,直到K点对地电压或BG\(_{7}\)集电极与发射极的电压为\(\frac{1}{2}\)Ec即2.25V为止。此时BG7集电极电流约为4~2.7mA(R\(_{外}\)用510Ω时为4mA,R外用820Ω时约为2.7mA)。再把替代电阻R\(_{外}\)去掉,恢复原电路R17阻值不再变动,焊上一个与R\(_{17}\)阻值一样的固定电阻。然后调整R18(可利用调R\(_{17}\)时的电位器和电阻),使中点对地电压恢复为1;2Ec,即2.25V。
中点对地电压调好后,可以复测一下BG\(_{6}\)、BG7的电流,因BG\(_{6}\)与BG7是串联的所以流过两管的电流相等,我们可以测一下BG\(_{7}\)的电流值。断开BG7集电极到负极的连线,把电流表(可拨在10mA左右)如图3所示串好。当我们看到电流表指示在2~6mA之间时,就可以封好测试口。如发现电流大于6mA就要按上述调整中点对地电压的步骤重新检查,直到正常为止。

二、前置低放级的安装与调整
按照上期介绍的使用定位元件的方法,把R\(_{1}\)0、R11、R\(_{13}\)~R16、 C\(_{14}\)、C16~C\(_{18}\)和BG4、BG\(_{5}\)安装到印刷线路板上。接通电源,把R12(阻值12kΩ)焊在印刷电路板敷铜箔那面的BG\(_{4}\)基极和BG5发射极之间。用万用表检查BG\(_{5}\)发射极与地之间电压,把黑表笔接发射极,红表笔接电池正极,此时电压值如在0.7~0.9V之间,即可把R12的引线剪短后紧贴印刷电路板焊好,这一级就调好了。若电压表指示大于0.9V,应减小R\(_{12}\)阻值,即换一个阻值略小于12kΩ的电阻;若电压表指示小于0.7V,则要加大R12阻值,换大于12kΩ的电阻。因本机配套供应时已选好BG\(_{4}\)、BG5的β值,所以R\(_{12}\)阻值一般不会偏离12kΩ太多。
接着可试一下整个低频放大级是否正常。接好电源和扬声器,用手捏起子金属部分,碰触C\(_{16}\)正极,扬声器里应发出很响的嘟、嘟声。否则应检查电路中有无短路和断路现象,电容器、电感器有无损坏。
三、变频、中放、检波级安装与调试
低频放大级装好后,其它各级可一次安装好。注意电位器旋轴应在无铜箔那面,而且电位器中间的三个焊片要用辅助线和电路连接好,如图4所示。

安装中波振荡线圈和中频变压器时,要注意变压器的型号和磁帽颜色(B\(_{2}\)红色,BZ1黄色、BZ\(_{2}\)白色、BZ3黑色),不要装错。各个变压器的引出脚要和电路板焊好,但屏蔽罩的引出脚暂时不要焊在电路板上,待收音机收到广播后再把引出脚焊好。在焊接磁性天线线圈时,一定要把线圈头上的纱包与漆皮去掉,可用火柴烧一下,也可用图5所示方法,在去纱包、漆皮同时把锡镀上,然后焊到线路板上。

除两个偏置电阻R\(_{1}\)、R4暂不装外,其他元器件都按印刷板所示装好。有的套件中电容器C\(_{2}\)选用的是拉线电容,这在整机统调时会带来不方便,有条件的可换成5/20P的微调电容。
各级安装好后,先调整第一、二中放级的工作点。接通电源,把R\(_{4}\)接在印刷电路板有铜箱一面,用电压表测量BG2发射极与地之间电压,如在0.5V~0.7V之间,即可把R\(_{4}\)引线剪短,紧贴在电路板上焊好(注意引线不要和其他焊点短路)。如果BG2发射极与地之间电压小于0.5V,需减小R\(_{4}\)的值;如大于0.7V则应加大R4的阻值。BG\(_{2}\)调整好后,BG3一般不用调整即可达到BG\(_{3}\)发射极规定的电压值0.25~0.4V。
变频级的调整:把R\(_{1}\)装在印刷电路板有铜箔的那面,用万用表测量BG1发射极与地之间电压,如果在0.6V~0.8V,即可把R\(_{1}\)的引线剪短,并紧贴电路板焊好。由于电阻的两个焊点在电路板上的跨度较大,因此需在电阻引线上穿上塑料套管,这样可防止和其他焊点短路。如BG1发射极与地之间电压小于0.6V,可减小R\(_{1}\)阻值;如大于0.8V,则要加大R1阻值。在调测BG\(_{1}\)工作点时,还可看一下本机振荡是否起振。具体方法按图6所示,用手捏改锥金属部分,碰触振荡连定片,如电压表指示数下降,表示电路已起振,否则就要检查B2、C\(_{6}\)、C4等元件是否正常,必要时可更换B\(_{2}\)一试。

在各级直流工作点分别调好后,可测一下整机总直流电流,方法如下:安装好电池,在电位器开关关断的情况下,把电流表分别接电位器开关两端,黑表笔接开关与电池负极连接的一边,红表笔接开关另一端,如图7所示。整机总电流应在10mA左右,如果与这个值相差太多,就要检查一下电路中是否有短路和断路现象。到此整个收音机直流工作点就全部调好了。

四、超外差式收音机的交流信号调整
把整机的旋钮、螺丝都安装好,然后进行以下三项工作。
1.调整中频放大级频率
调整的方法是:先转动双连可变电容器收听一个声音比较弱的电台(因为以弱信号电台为标准,灵敏度的高低变化容易被辨别),然后按照BZ\(_{3}\)、BZ2、BZ\(_{1}\)的顺序微调每个中频变压器的磁芯,直至听到声音最大为止。注意在转动磁芯时,最好使用无感起子(如有机玻璃、竹皮、塑料等做成的起子),而且调整时动作要慢、要轻。只要左右稍微调一下即可。在调整时还应随时控制音量电位器,使收听到的电台声音不要太大。因为人的听觉对微弱声音的变化较灵敏。
有时也会把中频变压器调乱,遇到这种情况,可用下列方法来调整:用一个100P的电容一头接标准收音机的第三中频变压器次级,以取出中频信号。另一头接入被调收音机双连电容器输入连定片上。再用一根导线,连接两机地线,如图8所示)。随后接通两机的电源开关,用标准收音机收一电台,把被调收音机拨在频率最低端(靠近530kHz一边)同时还要避免外来电台干扰。然后由后级(BZ\(_{3}\))向前级调整被调收音机的中频变压器,一直调到被测收音机中收到的电台声音最响为止(标准收音机传送过来的中频信号)。

2.调整频率范围:
超外差式收音机在中波段工作的频率范围应从525kHz到1605kHz。
①低频端的调整:在低频端选一电台,如选639kHz的电台(具体收到的电台频率是多少,可用一台好的收音机对照)。这时我们看一下被调收音机双连旋钮上的红色刻度线应大致在刻度盘600kHz左右。如刻度线指示的数值比639kHz低(如600kHz),这时应将中波振荡线圈B\(_{2}\)的磁芯往里旋(增大电感量)。因为振荡频率f=\(\frac{1}{2π}\)\(\sqrt{LC}\),式中π为3.14,L为电感量,C为电容量。所以增大电感量后为保持接收电台频率不变就要减小电容量,即把可变电容器的旋扭逆时针旋转。此时旋钮上的刻度线就可向大于600kHz的方向偏转,一边调B2磁芯,一边转动可变电容器旋钮,直到旋钮刻度线指到639kHz位置时听到该频率的电台广播,低频端就调好了。调整方法可见图9左部所示。反之,就要将中波振荡线圈B\(_{2}\)的磁芯往外旋一些(减小电感量),此时双连旋钮刻度线就可顺时针旋转,指到639kHz时,听到该频率电台的播音,如图9右部所示。经过以上调整,低端的最低频率(双连旋钮顺时针转到底)就可达到525kHz左右。

②高频端的调整:在频率高端选一个电台,比如1476kHz的电台(用成品收音机对照),这时看旋钮刻度线的指示,如果大于1476kHz刻度,这时可以减小C\(_{3}\)(拉线电容)的容量,即拉出拉线电容动片的金属丝,边拉出金属丝,边顺时针转动可变电容旋钮,此时刻度线向1476kHz处移动,直到当刻度线指在1476kHz,听到该频率的电台为止,如图10所示。

另一种情况是,当双连旋钮刻度线指在小于1476kHz刻度线时就听到了1476kHz电台的播音,此时就应加大C\(_{3}\)的容量。但这种情况在本机套件使用拉线电容时,一般是不会出现。因为拉线电容最大容量为30皮法,比设计要求大。当C3采用瓷介微调电容时可能出现这种情况。
3.统调:统调也叫做调“跟踪”,目的就是使双连电容在旋转到任何角度时,使接收电台信号的输入回路频率和本机振荡回路的频率差值都等于465kHz(f\(_{本振}\)-f输入=465kHz时叫两个回路同步),这样就可在下一级的中频放大级得到最大的放大量,从而得到最高的灵敏度。
但是,在实际调整中要真正做到双连旋在任何角度上本振回路和输入回路的差值都等于465kHz是不可能的。所以一般只要在三点频率上即低频端600kHz附近,中频端1000kHz附近、高频端1500kHz附近实现同步就可认为其他各点也基本同步。调整方法如下:
①低频端的统调:在频率低端选一个电台,如639kHz赫的电台,听到这个电台的播音后,移动线圈B\(_{1}\)在磁棒上的位置,使听到的广播声最大为止(如图11所示)。

②高频端的统调:在频率高端选一个电台,如1476kHz的电台,听到这个电台的播音后调整C\(_{2}\)微调电容。如果C2是拉线电容,就要边拉出动片的金属丝,边听广播声的变化,直到声音最大为止。因高端低端的调整互相有影响,所以要反复调整两次使高端、低端都达到最好的状况(如图11所示)。
在统调时,应注意随时调节音量电位器到合适的音量,使调整时广播声的大小变化能清楚地分辨出来。
为了判断统调是否达到最好的状况,可以做一个如图12所示的铜铁棒加以检验。

铜铁棒中的铁棒可用高频磁芯或摔断的磁棒代替。检验时:把双连旋到统调点(高端、低端均可)附近的一个电台上,然后把铜铁棒靠近磁性天线B\(_{1}\)。如果铜端靠近B1(会使B\(_{1}\)电感量减小)声音增加,说明B1的电感量大了。这时应把线圈向磁棒端移动,如移到头还是声音增大,则说明B\(_{1}\)(初级)的圈数多了,应该拆下几圈以减小电感量。反之,若磁棒靠近B1(会使B\(_{1}\)电感量增加),使声音增大,则说明B1电感量小了,可把线圈往磁棒中间移动,或增加几圈。如果铜铁棒无论哪头靠近B1都使声音变小,说明统调是合适的。
③中间频率的统调:中间频率的统调点在1000kHz。在使用密封双连的收音机中,因电路设计时已保证了中间频率的统调,所以这项调整实际上可不进行。必要时可改变垫整电容C\(_{4}\)的数值来达到统调。
整机调好以后,转动双连收音时,如果双连旋转到各个位置都听到啸叫声,一般是由于中和电容太小造成的。这时可适当加大中和电容C\(_{1}\)0、C13的容量(中和电容一般在2~7皮法之间)。如果发现在整机装好后,不加中和电容也不产生自激啸叫,那就可以不加这个电容。本机的套件中没有配备中和电容。
因本机套件中的元器伴都经过筛选,所以只要读者认真照图安装,一般都可以取得满意的效果。(沈征)