光耦合器具有信号传输可靠、输入输出在电气上隔离、抗干扰能力强、体积小、寿命长、只需小信号控制、并能与集成电路直接适配等特点,是各种自动化机械、程控装置、数控设备及计算机接口中作为各部分间信号传递和电气隔离的较理想器件。一般的光耦合器因其输出端所能承受的电压较低(约30V左右),且输出电流小,在需要工作于高电压及较大电流的场合时,往往无法直接应用。GD-L型光控晶闸管输出光耦合器(以下简称GD-L光控耦合器)就是为了满足这一需要而开发的新型光耦合器件。它由红外发光二极管与小功率光控晶闸管所组成。输出端的耐压可达400~600V,电流可达200mA,且具有可控闸流特性。

GD-L光控耦合器采用双列直插全塑封装,如图1所示。其外型及性能与国外同类产品相同,可取代日本夏普S22MD1、S12MD1,东芝TLP541G、TLP545J,美国莫托罗拉H11C1、H11C2、H11C3、MOC3002、MOC3003、MOC3007及英国ISOCOM公司的H11C4、H11C5、H11C6、CNY30、CNY34、MCS2400、4N39、4N40、IS605、IS606等产品。
GD-L光控耦合器有GD-L-400和GD-1、-6O0两个规格,可分别适用于对AC110V和AC220V的控制。
GD-L光控耦合器的特性
应用线路举例

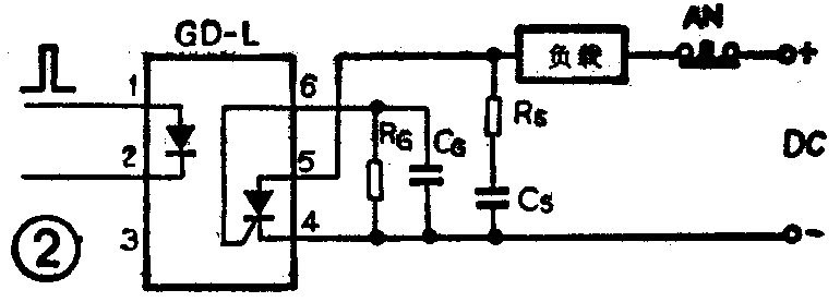
1.小功率高压开关:图2为自锁式小功率直流高压开关的线路。当输入端有电流流过发光管时,发光管发出红外光,使光控晶闸管受光触发而导通,接通负载。此后即使撤去输入信号,由于光控晶闸管的闸流特性,输出端将一直保持导通。只有按下按钮AN断开电路,才能使光控晶闸管恢复断态。R\(_{G}\)、CG用以减小干扰,并可改善器件的临界断态电压上升率。但它们的接入会使触发灵敏度有所下降,通常可取R\(_{G}\)为20kΩ,CG为0.01μF。R\(_{s}\)、Cs组成一般的阻容吸收回路,对光控晶闸管起保护作用。

图3(a)为半波小功率高压开关的线路。当V\(_{IN}\)为高电平时,IC输出为低电平,发光管导通而发光,从而在交流正半周时可触发光控晶闸管导通而接通负载。
图3(b)是在图3(a)基础上增加整流全桥,成为全波整流小功率高压开关。

2.驱动大功率单向或双向晶闸管:图4(a)为驱动大功率单向晶闸管的线路,可用于半波控制。R\(_{2}\)为触发电阻,当光控晶闸管被触发导通后,取R2两端电压加到大功率晶闸管的门极和阴极之间,使其触发导通。R\(_{3}\)为限流电阻,用以限制光控晶闸管的通态电流,防止Cs的放电电流损坏光控晶闸管。
图4(b)为驱动大功率双向晶闸管的线路,可用于全波控制。

3.构成大功率过零触发型固态继电器:图5为大功率交流过零型固态继电器线路,它具有过零触发的特性。即只有当交流电源电压在过零区时,输出端才可能被触发导通。所谓过零区并不是指交流电压过零的瞬间,通常是指交流电压瞬时值为±10V~±25V范围的区域。(林锡珪)

