本文介绍的微型收音、书写两用收音机,结构小巧新颖(整机尺寸9×32×67.5mm\(^{3}\)),元件少,成本低,耗电少,调试容易。频率显示为直线指示式,选台采用调感式,提高了可靠性,根除了可变电容器的静电噪声,并在机内巧妙的加装了一支圆珠笔,笔可自由伸缩,集收音机,书写笔于一体,既能收音,又能书写。
一、电路工作原理
图1是完整的电路原理图,其中LC\(_{1}\)组成调谐回路。改变L的电感量就能改变接收频率。C2为调谐回路的高频通路。由LC\(_{1}\)回路接收进来的高频信号,经过SD881中的多级高频放大、检波和低放之后,从输出端送出的即为音频信号,可直接驱动中阻耳机放音。R2是SD881电路AGC的控制电阻。由于集成电路增益略有差别,改变R\(_{2}\)可对增益作一定范围调整。C3是检波级和低放级的耦合电容器C\(_{4}\)是滤波电容器,R3是低放级发射极电阻,R\(_{4}\)是低放级偏置电阻。C的作用是高频负反馈,适当调节可消除电路自激。由于最后是集电极输出,故其输出阻抗较高,因此需配中阻耳机。耳机直流电阻为75Ω~150Ω。电池采用AG13扣式电池。

二、SD881单片调幅收音机集成电路
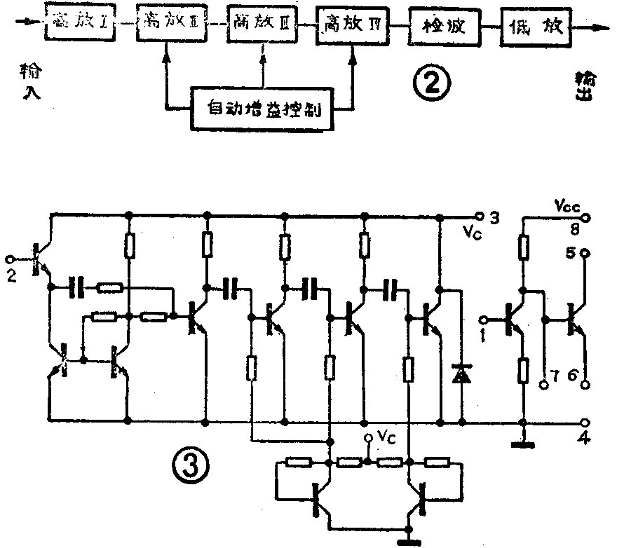
SD881是一种性能较为完善的单片AM收音机专用电路。该电路含有高阻抗输入、多级高放、自动益控制,检波和独立低放电路。图2为电路方框图。图3是内部电原理图。

用SD881组装的收音机可直接推动中阻耳塞,而不象7642、414等电路必须外接低放级。它的封装形式采用标准软包封,外形尺寸为11.2×8.7mm\(^{2}\),见图4。它的外引线功能见表1。参数规范见表2。


三、安装与调试
图5是印制电路板图。图6是整机装配图。磁棒为φ5×25mm。电源采用AG13扣式电池。线圈用0.08mm漆包线在φ6mm塑管上密绕183圈。全部零件按图5焊接无误基本不用调试,耳塞插头插入后,A、B、C三簧片应接触可靠。插头拔出后,簧片应断开,无短路现象。

本机采用调感方式调谐。即天线线圈固定不动,磁棒插入螺丝孔底紧配式粘合,螺丝旋入手轮,调节手轮,带动螺丝、磁棒,并由螺丝在塑壳刻度指标槽中的滑动部分指示频率刻度。装配时,只需校正低端540kHz刻度位置成高端1600kHz刻度位置便可保证接收范围为540~1600kHz。具体可根据各地区的电台情况,选择一个电台,将螺丝刻度指示对准其相应频率刻度,再调整线圈位置,并用塑料粘合剂固定线圈即可。
若有目激现象,可适当增大R\(_{2}\)阻值(一般取820Ω)或者在线圈低端粘贴4×5mm\(^{2}\)香烟铝箔即可消除。为使电池接触可靠,在后盖对应电池部位应粘一小块泡沫塑料。
本机选用标准圆珠笔芯,使用时,推动笔卡于自锁位置,笔芯伸出即可书写。使用完毕,将笔卡退出自锁位置,笔芯自动弹回。(范东平)