特性
单向电压二极管简称FLD管,它由硅PNPN四层结构组成,故又称为四层二极管,也有人称它为转折二极管。这种二极管的伏安特性见图3(a),其正向为负阻电压开关特性,反向为稳压特性。图3(a)中,U\(_{s}\)为正向转折电压。当外加电压升高到Us值时,FLD管将由原先的截止状态向导通转化,即二极管由高阻转为低阻,这种特性就称为负阻开关特性。I\(_{s}\)为开启电流,也就是发生电压转折时的最大截止电流;IT为通态电流,当二极管通以I\(_{T}\)电流时的压降,就称为通态压降UT;I\(_{H}\)为维持电流,当二极管的导通电流下降到IH以下时,二极管将由导通状态转化为截止状态;U\(_{B}\)为反向稳压值。AB之间的一段曲线表示二极管由截止变为导通,或由导通变为截止的过渡过程,这个过程变化极快,导通时间一般为0.2~0.3微秒,关断时间15—30微种。图3(b)为单向电压开关二极管的符号,其箭头方向表示FLD管工作于正向特性区时的电流方向。

双向电压开关二极管的伏安特性和符号见图4所。其正向和反向具有相同的负阻开关特性。双向管一般由硅NPNPN五层结构组成,简称DAC管。

FLD管和DAC管一般按转折电压U\(_{s}\)值分档,Us值在6V~280V范围内。表1列出了单向管K130和双向管2CTK的具体参数,供读者参考。

应用
硅电压开关二极管可以应用于脉冲发生器、过压保护器、触发器以及高压输出、延时、逆变、电子开关、直流电机稳速、光电检测等电路中。下面举两个例子加以说明。
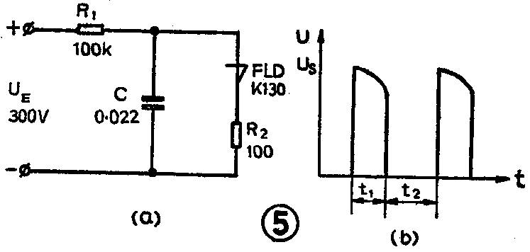
一、脉冲发生器

电路如图5(a)所示,当电源接通后,电源通过限流电阻R\(_{1}\)向电容C充电,当C两端电压升高到FLD管的转折电压时,FLD管由截止突变为导通状态,电容C上储存的电荷通过FLD向负载R2放电。当放电电流下降到维持电流I\(_{H}\)以下时,FLD管由导通变为截止。电容C又继续充电,如此周而复始,形成张弛振荡,在R2两端输出毫微秒前沿的高速高压脉冲,其波形如图5(b)所示。其中:
输出电压峰值 U\(_{m}\)=Us-U\(_{T}\)
脉冲输出时间 t\(_{1}\)=-R2Cln(1-\(\frac{U}{_{T}}\)Us)
脉冲间隙时间 t\(_{2}\)=-R1Cln(1-\(\frac{U}{_{s}}\)UE)
振荡频率 f=\(\frac{1}{t}\)\(_{1}\)+t2
当选用图5所示元器件时,振荡频率约为800Hz。若把负载R\(_{2}\)接到电容C支路中,则负载上获得的脉冲前沿将变成后沿。当选用不同电容器、电阻器、FLD管和UE值时,振荡频率可以从超低频到音频范围内变化,这种电路的振荡频率最高可达20-40kHz。
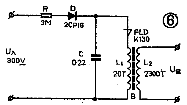
二、高压发生器

电路如图6所示,图中电容C和FLD管形成的负阻振荡,经升压变压器升高后输出高压,选用不同的脉冲变压器初、次级匝数比,可获得几百到几万伏的电压。当选用图6所示元器件时,可以输出1.5万伏高压脉冲,振荡频率为3次/秒。图6的升压变压器要用“I”字型或口字形磁芯,不要用铁芯,以保障输出波形的上升沿良好。
图6的输入电压可以用交流市电,也可用电池经晶体三极管振荡升压到300~400V获得。这种高压脉冲发生器可用于可燃气体点火器,负离子发生器,静电除尘器,电子保鲜器,电子助燃器,电疗仪等产品中。(南通晶体管厂 沈福兴)

