本文介绍的多能道遥控玩具坦克,是由一般价格较便宜的线控玩具坦克(上海兴利塑胶制品厂生产)改装而成的。全部电路选用通用元器件,不用继电器,性能稳定可靠。
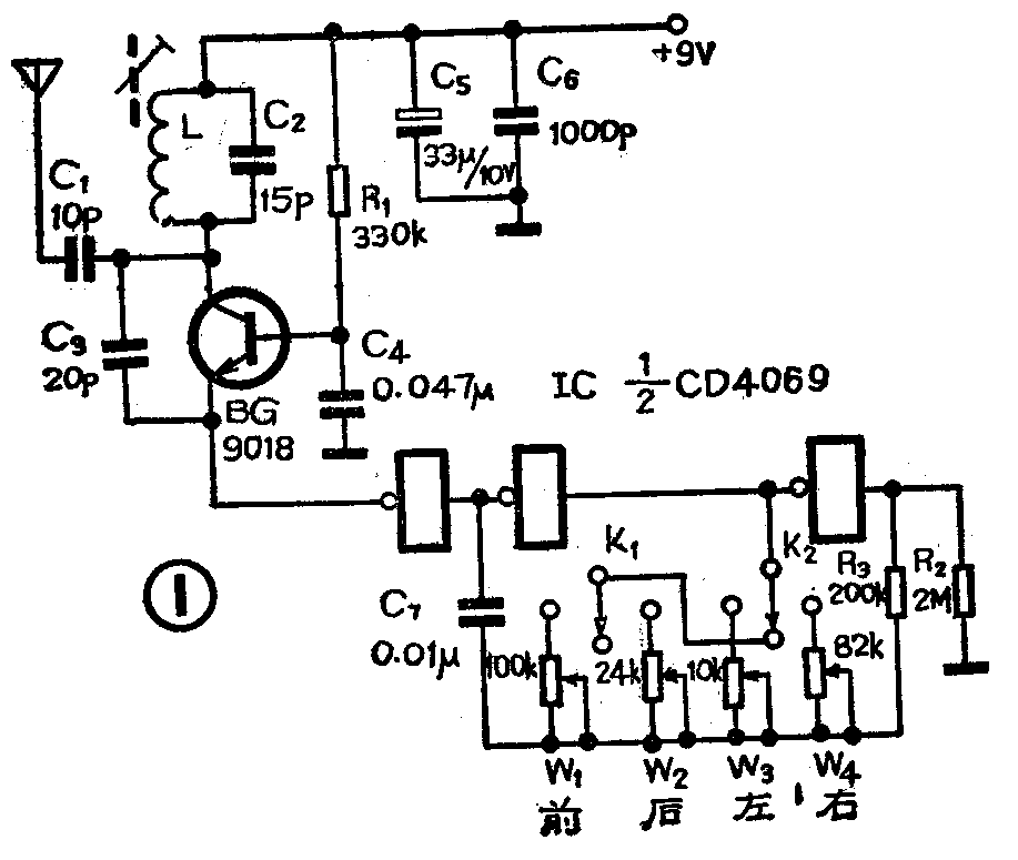
一、发射机电路:如图1所示,由晶体管BG\(_{1}\)及有关元件组成高频振荡器,振荡频率由L、C2决定,调谐在27MHz,并从集电极通过C\(_{1}\)耦合到天线端。集成电路CD4069及有关阻容元件构成低频调制器,此调制信号直接加到BG的发射极。K1、K\(_{2}\)是操纵开关,用原线控坦克操纵盒上的开关改制。K1控制坦克的前、后运行,K\(_{2}\)控制坦克左右转弯。R2的作用是保证在操纵开关K\(_{1}\)、K2都处于中间位置时,三极管BG的发射极为高电位,使BG停振。该发射机不需设电源开关,这是因CD4069是CMOS电路,耗电极微,停振肘,工作电流仅有5mA左右,一节9V叠层电池即可使用数月。图2为发射机的印制电路板图。


二、接收机电路:接收机的电路见图3。由BG\(_{1}\)组成超再生接收电路,检波后的音频信号从A1的正端输入。A\(_{1}\)及有关无件组成一个对数绝对位放大器,输入和输出成对数关系,这样接收机即使距发射机较近,接收机的工作也不至于混乱。A2\(_{5}\)组成四个形式一样的选频放大器,其中心频率分别对应于发射机发出的前、后、左、右控制频率。它们的输出经峰值检波后,直流信号触发A6\(_{3}\)组成的比较电路。BG4~BG\(_{11}\)构成输出电路控制电路,直接去控制电视的工作。

下面简述一下整个遥控过程:①当接收机没有接到信号时,由于A\(_{6}\)8正端参考电压的作用,它们均输出正电压,BG\(_{2}\)、BG3饱和导通,使输出电路锁定,两电机均不转动;②当A\(_{5}\)所对应的信号收到时,A8的输出从正变到负,BG\(_{2}\)、BG3截止,此时由于A\(_{6}\)7输出为正,则BG\(_{4}\)、BG8、BG\(_{6}\)、BG10导道,+4.5V电源接通电机。为了让前进和后退时两组电池能均衡消耗,两电机一正一反接电源。上述情况对应玩具的转向;③当A\(_{3}\)所对应的信号收到时,通过D5、D\(_{6}\)两个二极管检波,分别使A6\(_{7}\)两比较器输出为负,而A6\(_{7}\)输出端的二极管又使A8输出也为负,则BG\(_{5}\)、BG9、BG\(_{7}\)、BG11导通,两电机接通负电源,坦克向另一方向转向;④当A\(_{2}\)所对应的频率信号接收到时,A6输出为负,BG\(_{5}\)、BG9导通,同时A\(_{6}\) 输出电压经过D9\(_{8}\)输出也为负,此时BG2、BG\(_{3}\)截止。A7输出的正电压使BG\(_{8}\)、BG10导通。显然此时两电机分别按正、负电源,坦克则向一个方向前进;⑤当A\(_{4}\)所对应的信号接收到时,A7输出为负,同样使A\(_{8}\)输出也为负,BG4、BG\(_{2}\)、BG7、BG\(_{11}\)导通,两电机均分别换向,坦克则向另一方向后退。
接收机的印刷电路板图见图4。

三、制作与调试:
①发射机中的L和接收机电路中的L\(_{1}\)是同样的高频磁芯电感线圈,选用10K型中周骨架,用φ0.94mm的漆包线排绕9圈,电感量为1.6μH(可调);接收机中L2用1MΩ以上18W电阻作骨架,用φ0.08mm的漆包线密绕55圈,电感量为3.5μH。
②发射机操纵盒的改制:将原线控联线焊下,选用长0.5m左右、最大外径7.5mm的多节拉杆天线,用自攻螺丝钉固定在操纵盒上(盒上有固定孔),也可用相应长度的细钢丝代替拉杆天线,将钢丝两端分别弯成小圆圈,一端的小圆圈用来固定,另一端的小圆圈可以防止划伤人。
K\(_{1}\)、K2利用原有的开关,将原两块小印制板用刀刻划,使之附合图1要求即可。
③坦克接收机的改制:接收机天线用一根长0.4米左右的细钢丝,从坦克尾部的出线孔引出。由于坦克使用4节2号电池,而本接收机采用±4.5V电源,所以要用原坦克上一个未用的9V叠层电池仓,将此仓改装成可装两节5号电池的电池仓,用铜片制作电池卡,用热压法压入机壳内,要保证接触良好、结构牢固。两节5号电池串联后,一端引线作为电源的正极(或负极),另一端和2号电池串联构成9V电源。在9V电源中点,引出一根引线作为接收机的地线。电池的另一端引出线则作为电源的负极(或正极)。将原坦克上的单刀单掷拨动开关,换成同样大小的双刀双掷拨动开关,两个刀用来分别开关正、负电源,而地线(电源中点引线)直接焊在接收机电路板上。
④调试:发射机和接收机焊接装配完毕后,暂不接电视就可进行调试。首先调接收机电路中BG\(_{1}\)基极偏置电阻R3,使BG\(_{1}\)发射极电流为0.4mA,也可测R4两端电压应为0.8V。这时(发射机不工作),A\(_{6}\)7\(_{8}\)的输出端应为正电位。若有负电位输出,应检查相应运放的负输入端电位。如果A6\(_{7}\)8的负输入端电位均为零,则是正输入端和参考电压V\(_{B}\)电路有问题,应进一步检查元件数值是否准确,二极管是否击穿。如果A6\(_{7}\)8的负输入端有+1V以上的直流电压,则应用万用表交流电压档测量A\(_{2}\)3\(_{4}\)5的输出端,若有交流电压,则相应放大器可能有自激,应细心检查,直至消除自激。
以上过程完毕后,接上电机,电机应不转动。若转动,则可能是BG\(_{2}\)~BG11有损坏,应检查更换。
将坦克底部整起,让履带悬空,打开接收机电源,在距离2米左右调节发射机。扳动开关K\(_{1}\),调节W1和发射机上的电感磁芯,使电机转动起来,这时不必考虑电视转动方向。然后仔细调节磁芯,逐渐拉大距离,如果磁芯已调到了一端仍未出现峰值距离,可同时调一调接收机上的电感磁芯,直至控制距离最远为止。
进一步调整W\(_{1}\),使坦克前进(左右履带均正转),并使控制距离最远;操纵K1、K\(_{2}\)至相应位置(后、左、右),调节W2、W\(_{3}\)、W4,两电机运转方向应正确,且控制距离最远;拉近发射机和接受机的距离,调整接收机上A\(_{1}\)负端的W1,使在控制距离近到1米时,前、后、左、右操纵均正确无误。以上调整需多次反复进行,应达到四个动作操纵正确、控制距离高达15米以上,单一动作应达25米以上。
调整完毕后用蜡将可调元件固定,接收机和发射机均加盖,上好螺丝钉,制作即完成了。(桂铁男 苗则允)