本文介绍的KDW-250型不间断电源具有如下特点:(1)电网停电,无负载时自动关机;有负载时自动开机,将电瓶电能转变成220V交流电,供用电设备使用。(2)电网来电,自动转换为电网供电,同时对电瓶充电。(3)电瓶充足电,自动停止充电,可节约电能,延长电瓶使用寿命。
原理简介
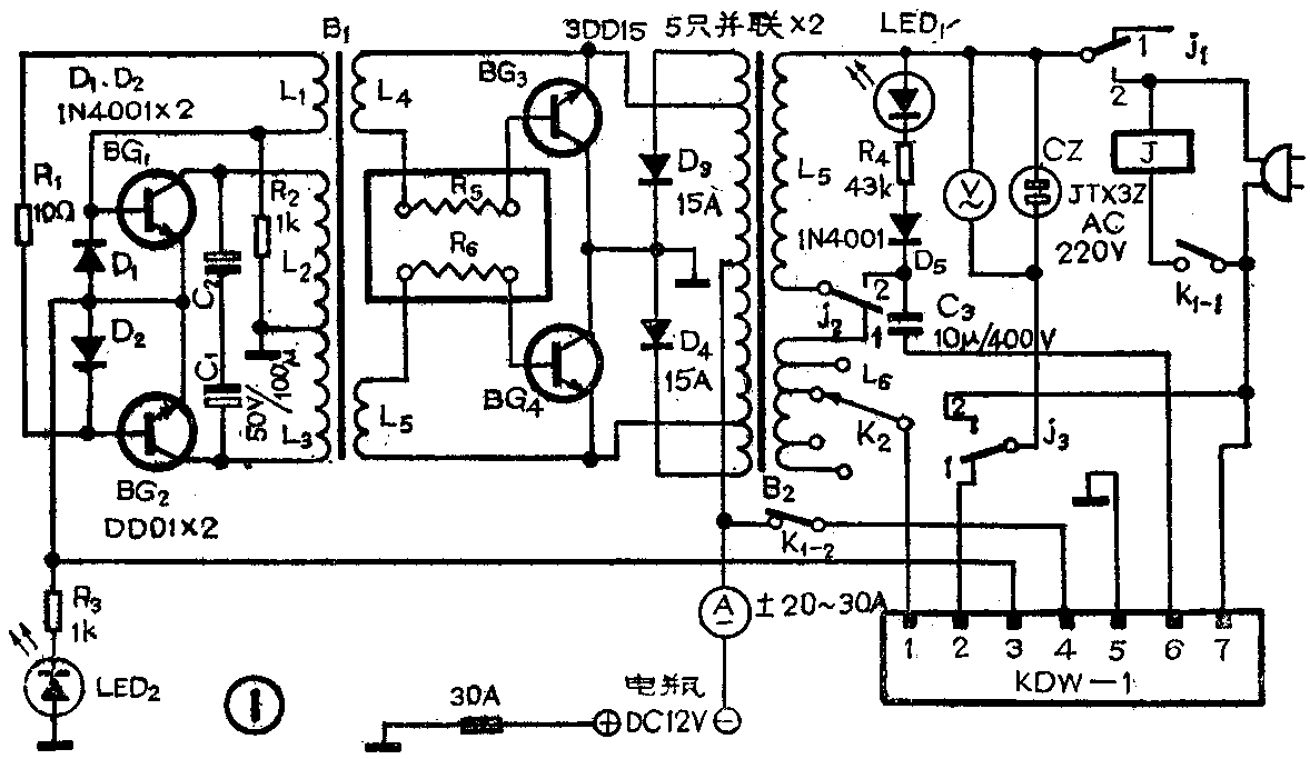
整机电路如图1所示。振荡电路部份由BG\(_{1}\)、BG2、变压器B\(_{1}\)等有关元器件组成,采用变压器反馈、自激振荡方式。变压器B1可输出足够大的功率,推动由BG\(_{3}\)、BG4组成的功放级工作,R\(_{5}\)、R6是两段电炉丝,在电路中起稳流作用。BG\(_{3}\)、BG4采用集电极接地方式,可直接安装在机壳上,不需装绝缘片,安装方便,散热效果也好。

图1中的KDW-1是一块自动控制板,它与电路中的继电器联合作用,完成机器的自动控制功能。电网停电时,继电器J释放,它的接点j\(_{1}\)、j2、j\(_{3}\)均倒向“1”端,此时如果插座CZ处接有负载,则控制板KDW-1的1、2脚检测到有负载的信号,3、4脚之间导通,12V电瓶电压通过闭合的K1-2加到振荡电路,发光二极管LED\(_{2}\)点亮,振荡电路工作,变压器B2则有220V交流电输出;当插座CZ处的负载断开(即无负载)时,KDW-1的1、2脚检测到无负载信号,3、4脚之间开路,发光管LED\(_{2}\)熄灭,实现自动关机。
电网来电时,继电器闭合,接点j\(_{1}\)、j2、j\(_{3}\)均倒向“2”端,插座CZ处的负载直接由电网供电。与此同时,KDW-1的6、7脚之间导通,发光管LED1点亮,电瓶开始充电。当KDW-1第4脚的电位上升到15V,也就是电瓶电压升到15V时,6、7脚之间开路,LED\(_{1}\)熄灭,电瓶停止充电。
为了适应电网电压的大范围变化,本机采用给电瓶恒流充电的方式。在变压器B\(_{2}\)、L5一侧的线圈回路中串入了电容C\(_{3}\),利用C3的容抗作用,使电网电压在180~250V变化时也能对电瓶可靠充电,充电电流在6A左右。
利用DKW-1控制板,可制作100~500W不间断电源,但图1中的元器件数据要相应变动。
元器件选择
BG\(_{1}\)、BG2选用DD01,β应在40~150范围,V\(_{CeO}\)≥50V。BG3、BG\(_{4}\)分别采用5只3DD15并联使用,要求管子的参数尽量一致,VCES≤1.5V,β在40~150之间,V\(_{CEO}\)≥100V。D3、D\(_{4}\)采用15A汽车发电机用整流管。波段开关K2采用单刀4位瓷介开关。稳流电阻R\(_{5}\)、R6需自制,可取两段500W电炉丝,每段绕10圈,用M3螺丝钉固定在环氧板上。B\(_{1}\)2的数据见图2。

组装无误后,可试机调试。接上电瓶,将K\(_{1}\)置于接通位置,在CZ处插上220V100~250W灯泡,此时LED1点亮,观察输出电压表,指示应在220V左右。如果电压表没有指示,则可能是振荡变压器B\(_{1}\)相位不对,将反馈线圈L1的两个头对换一下即可。输出正常后,调整K\(_{2}\),选择合适的输出电压。去掉负载时应能自动关机。然后将电源插头插入电网插座,电流表指示应在6A左右,表明充电回路正常。(张景峰)