本文介绍的紫外线擦除只读存储器EPROM编程卡(亦称烧写卡),能够对2716、2732(A)及2764(A)等2~8kB的EPROM进行空白片检验、读EPROM内容、写EPROM及核对写片内容等操作。拥有LASER310微电脑的用户可以借助此卡进行EPROM复制,将内存中程序固化到EPROM中。拥有此卡后,LASER310微电脑由原来的纯学习机上升为学习、开发机。
为方便使用,该卡还增加了汇编、反汇编等一系列功能和命令(已固化于27128EPROM中),用户可以很方便地使用汇编语言编写程序,然后固化到EPROM中。
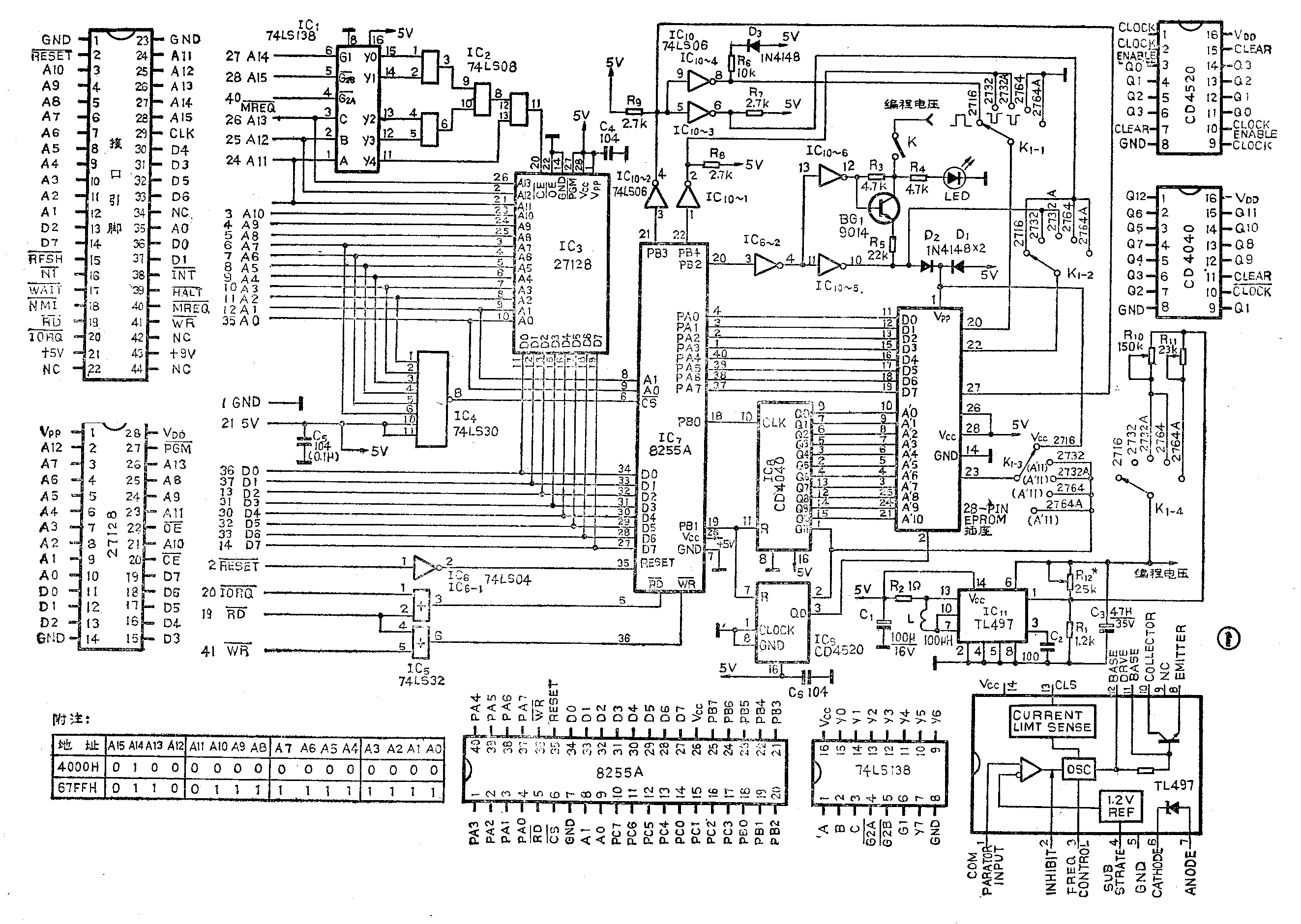
电路原理
电路原理图见图1。印制线路板图限于篇幅本文不作介绍。该电路分为编程电路、主机地址译码电路和8255A地址选通电路等3个部分,下面分别介绍各部分的工作原理。

1.编程电路
编程电压发生电路:电路中,IC\(_{11}\)及其周围元件组成编程(烧写)电压发生电路。直流5V电压经IC11内部变换由6脚输出一直流电位,这个直流电位的值由接在6脚和1脚之间的阻值决定。从表1中看到编程电压有3种:25、21、12.5V, 3种电压是通过K\(_{1}\)-\(^{4}\)选择与R12并联的不同电阻(R\(_{1}\)0、R11)来获得的。

软开关电路:为避免编程电压烧毁EPROM芯片,电路中增设了一个编程电压软开关。软开关电路由IC\(_{6-2}\)、IC10-5、IC\(_{1}\)0-6及BG1等组成。软开关的通断由可编程外围并行接口芯片8255A\(_{2}\)端控制。开关K接通时,当PB2为0(低电平)时,BG\(_{1}\)截止,编程电压不会通过BG1、D\(_{2}\)加到EPROM的Vpp(1)脚;当PB2为1(高电平)时,BG\(_{1}\)导通,编程电压通过BG1、D\(_{2}\)加到EPROM的Vpp脚。这样减少了因操作过程中的误动作烧毁芯片的可能性,有效地保护了EPROM芯片。
EPROM地址控制和产生电路:这部分电路用来产生EPROM的地址信号A′\(_{0}\)~A′12(2716的A′\(_{11}\)除外),包括IC8、IC\(_{9}\)和C6,由8255A\(_{0}\)提供计数脉冲CLK1(为高电平时有效)提供计数器IC\(_{8}\)、IC9的清零信号。IC\(_{8}\)是个12位计数器,负责计数A′0~A′\(_{11}\)地址位,另一位地址A′12由IC\(_{9}\)根据A′11(即IC\(_{8}\)的1脚)跳变次数进行计数得到。通过不断从PB0端输出脉冲,计数器IC\(_{8}\)、IC9就从低向高依次计数,从而产生EPROM所需的地址A′\(_{0}\)~A′12。
50ms脉冲供给电路:这部分电路是PB\(_{3}\)端所接的50ms正、负脉冲供给电路[正脉冲通过IC10-4加到2716的18脚,即插座20脚;负脉冲加到2764(A)的27脚]\(_{4}\)端是50ms负脉冲供给电路。(未完待续)(北京宣武科技馆 钱忠慈 华峻 夏鹏)