本文介绍的控制板是专为国产LX—401及同类的双电机型电子控制机芯设计的,具有结构简单、功能多、装调容易等特点。控制板的原理框图见图1,其核心部分采用了一片单片微处理器XY8901A。该电路具有丰富的控制功能,配上少量的接口驱动电路即可组成多功能的控制板。本文向大家推荐一种实用电路,请参见图2,该电路具有以下功能:电子轻触操作;全自停;电脑选曲;节目搜索;程序编辑放音;反复、循环放音;多功能显示;电子磁带计数,磁带记忆定位;红外线遥控。由于XY8901A电路内部极其复杂,本文不赘述其内部原理,只结合具体电路介绍各功能的实现及一些装配调试的方法。


控制板组成
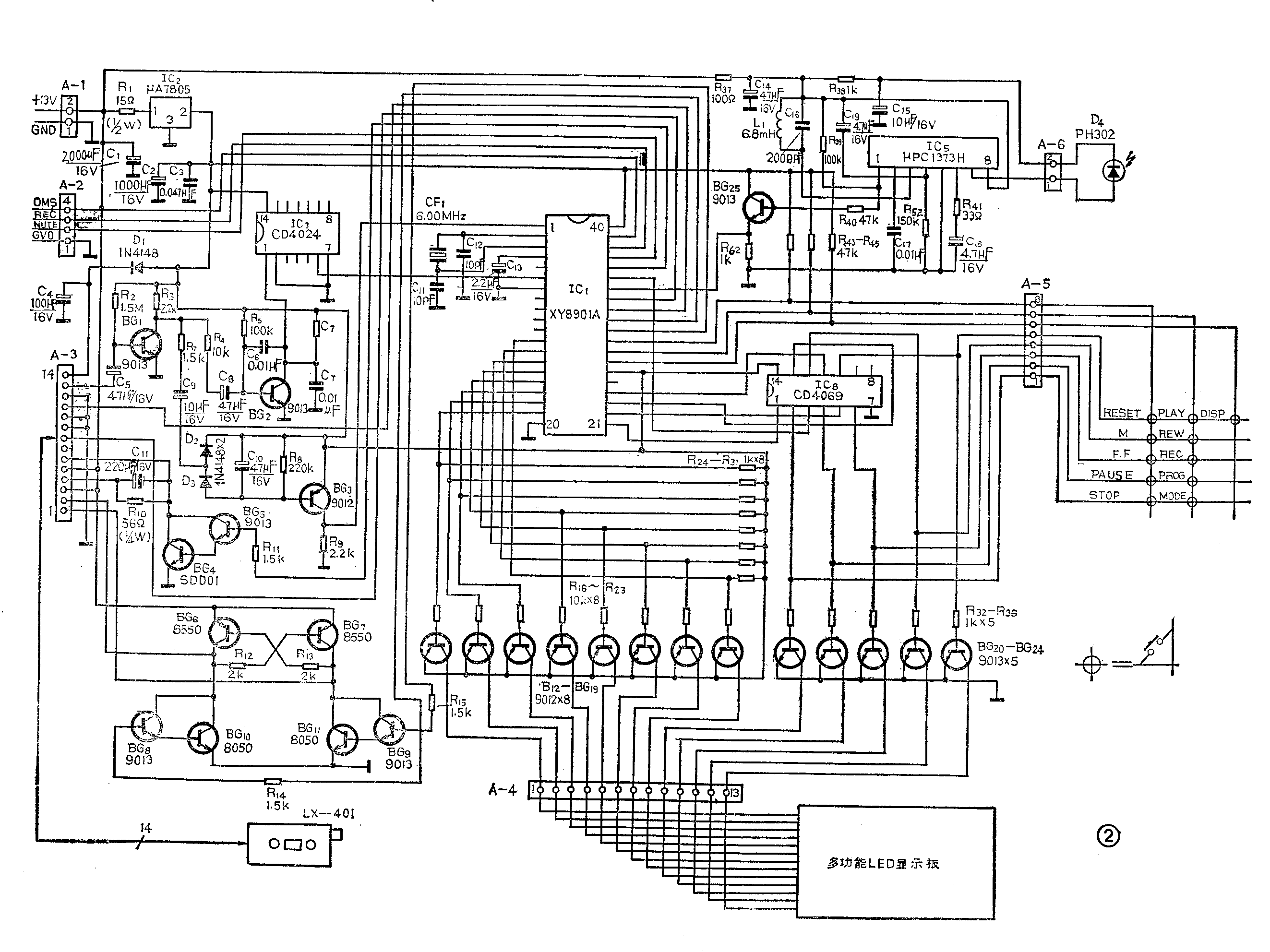
从图1可见控制板以XY8901A电路为核心,外接红外线前置放大电路,键盘接口电路、显示接口电路及机芯驱动传感器、接口电路、稳压电路。在控制板之外还接有轻触键盘、多功能显示器、机芯。并设有一个与音频电路接口的插座A—2,电源输入插座A—1。下面结合具体电路介绍。
1.XY8901A:它是一片微处理器,其内包含有控制所需的软件程序。由于采用了软件工作方式,所以从电路中看不出输入输出的硬件联系。XY8901A电路的引脚功能见附表。第④脚是电路的复位端,开始工作时,④脚必须先对地短路,然后恢复高电位+5V。因此在使用中该脚接有电容器C\(_{13}\),利用电容器的充电过程即可完成复位动作。②、③脚是接晶体的,晶体频率必须是6MHz,而不能使用其它频率的晶体,否则将导至电路工作不正常。该电路工作电压为+5V,电流100mA。所有的信号输入端(①、⑥、)阻抗均为50kΩ。所有的信号输出端(~、、、)电流为0.1mA。在电路的各引脚上均不能出现大于+5V的电压。

2.红外线前置放大电路:它由D\(_{4}\)(PH302),IC5(μPC1373H)及外国电感L\(_{1}\)和有关阻容元件组成。D4是专用的红外线接收二极管。D\(_{4}\)将收到的信号送入IC5⑦脚,经IC\(_{5}\)放大、整形后由①脚输出到BG25基极、BG\(_{25}\)接成射随器,主要起电平转换和隔离作用,最后将信号送到IC1的。L\(_{1}\)和C16组成谐振回路,要求谐振在红外发射信号的调制频率32kHz处。
3.键盘接口电路:键盘电路主要为键盘提供一个扫描矩阵,以识别各功能健是否按下。IC\(_{1}\)~输出的扫描信号经IC4(CD4069)反相隔离后输出到插座A—5,为键盘提供扫描信号。按键信号通过IC\(_{1}\)输入到电路中,经处理后作出相应操作。本文的控制板共设有11个功能键,一种典型的导电橡胶键盘开关见图3。

4.显示接口电路:本文介绍的控制板具有比较丰富的显示功能,为此专门设计有多功能LED显示板,如图4所示。各部分意义如下:①序号显示器,用于显示选曲时的节目数,15s放音的节目序号,在程序编辑放音时显示存储单元编号。②红外线接收管,用于接收遥控信号。③放音指示灯。④录音指示灯。⑤暂停指示灯。⑥电子磁带计数器,用于显示磁带位置(000~999)。在节目搜索15s放音时显示放音时间。在程序编辑放音时显示存储单元序号所对应的节目编号。⑦循环指示灯。⑧搜索15s放音指示灯。⑨磁带计数器记忆指示灯,用于指示计数器处于记忆状态。当磁带快进、快退至计数器显示000时,即自动停止。由于显示板功能多,在设计时采用了动态扫描工作方式。有关动态显示原理请参阅有关文章。为简化设计,显示板的位扫描信号与键盘扫描信号共用,经BG\(_{2}\)0~BG24放大后提供给显示板。显示内容信号由XY8901A的~出,经BG\(_{12}\)~BG19放大后供给显示板。显示板作为一个单元通过插座A—4与控制板连接。具体显示方式由IC\(_{1}\)电路内部决定。

5.机芯驱动传感器接口电路:LX—401机芯上配有1个14线的插座。在控制板上设计有A—3插座与机芯连接,用来采集机芯工作状态和驱动电机、电磁机构工作。反映机芯工作状态的信号有3个:霍尔传感器输出的脉冲信号,仓门位置检测开关信号,磁带防抹开关信号。机芯需驱动的负载有3个:录放电机M\(_{1}\)、录放电磁铁J1、进退电机M\(_{2}\)。霍尔传感器在机芯上是与收带轮联动,机芯运转工作正常,就输出脉冲信号,经BG1放大后一路送给BG\(_{2}\)作整形放大再经IC3(CD4024)分频后送入IC\(_{1}\)⑥脚作为磁带计数信号。另一路经BG3处理以后在输出给IC\(_{1}\) ①脚作为机芯工作状态检测信号,当机芯运转正常时,该信号为高电平。如磁带走完或绞带导至收带轮停止运转,该信号为低电平,IC1检测到该电平后即发出停止工作命令,这就实现了电子全自停。仓门开关K\(_{D}\)的一端接地,另一端接IC1,根据该脚信号,IC\(_{1}\)即可识别出仓门是否关闭。在未关仓门时,IC1为高电平,各操作都将无效。如在工作中打开仓门,IC\(_{1}\)将发出停止命令。因此在退出磁带时无须先执行停止操作。磁带防抹开关KR一端接地,另一端接IC\(_{1}\),根据该脚信号,IC1能判断出磁带是否有防抹片。存在时,IC\(_{1}\)为低电平,操作REC键将正常录音,否则将不执行录音操作。
6.稳压电路:控制板需2个工作电压。一个是供电机等用的电源电压。另一个是IC\(_{1}\)、IC3、IC\(_{4}\)等需要的+5V电压,这个电压由1个三端稳压器IC2 (7805)供给。
7.音频接口电路:控制板是和音频电路配套使用的。其处理信号来源和一部分控制信号也是与音频电路有关的。为此设计有插座A—2。这里推荐一种典型的曲间空白检测电路如图5所示。REC线是用于录放电路转换的开关信号线,在放音时为低电平,在录音时为高电平。MUTE线是音频静噪开关线,在选曲和电机启动等情况下,MUTE线为高电平使音频电路静噪。

工作过程
1.通电初始:控制板加电后IC\(_{1}\)④脚由C13复位之后,即进入初始工作状态:显示脚⑥显示磁带计数为000,IC\(_{1}\)出低电平使BG4、BG\(_{5}\)、BG8~BG\(_{11}\)截止,机芯停止工作。IC1③脚输出高电压使MUTE线控制音频电路静噪。IC\(_{1}\)输出低电平使录放电路处于放音状态。
2.放音(PLAY):按PLAY键IC\(_{1}\)输出高电平,使BG4、BG\(_{5}\)导通,机芯进入放音状态。同时IC1③脚输出低电平使音频电路静噪关闭。IC\(_{1}\)⑥脚得到计数信号,开始计数。

3.快进(F.F):按F.F键,IC\(_{1}\)输出高电平,使BG6、BG\(_{9}\)、BG11导通,驱动电机正转,实现快进。IC\(_{1}\)输出低电平使静噪打开。
4.快退(REW):按REW键,IC\(_{1}\)输出高电平使BG7、BG\(_{8}\)、BG10导通,电机反转,实现快退。IC\(_{1}\)输出低电平,使静噪打开。
5.录音(REC):录音时的机芯工作状态与放音一样,按REC键后,IC\(_{1}\)输出高电平使音频电路处于录音状态。显示器④亮。
6.手动停止(STOP):按STOP键,IC\(_{1}\)输出低电平,输出高电平,机芯停止工作,电路处于放音状态。各工作灯熄灭,磁带计数器停止计数。
7.电脑选曲:在放音(PLAY)时,按F.F键即可向前选曲,这时显示①显示选曲数,该数字由F.F键按动的次数决定,最大为15。显示超过9以后以十六进制数A~F表示。进入选曲状态后IC\(_{1}\)输出高电平使磁带快进,到指定节目时自动由IC1输出高电平回到放音状态。选曲过程中IC\(_{1}\)输出高电平使音频电路静噪。向后选曲时,按REW键,动作过程类似向前选曲,只是IC1输出高电平使磁带快退。停止选曲过程时按STOP键,IC\(_{1}\)将发出信号使机芯返回到放音状态。
8. 15s搜索放音:按MODE键使显示⑧亮,按PLAY键即进入搜索放音状态。IC\(_{1}\)将自动发出信号控制机芯放音和快进,实现每个节目的开始放音15s′直到磁带放完。这时显示⑥将显示放音时间,显示①将显示节目序号。在搜索过程中,可随时按PLAY键,使当前这个节目放完而不影响搜索过程,这即是插入放音。
9.程序编辑放音:这个功能可以把磁带节目按自己编排的顺序放音,例如:①、③、⑤,④、②、①,②、②、③等。配合反复放音功能,即可实现某一个 或几个节目的反复放音。这个功能实际上是放音和前后自动选曲的结合功能。利用DISP键配合F.F和REW键可检查所存储的8个节目。(周刚)