资料说明
(2) LA 7724
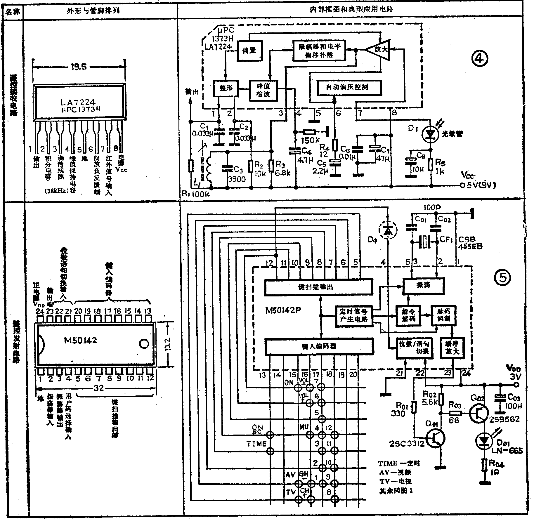
图4是LA7224内电路框图、典型应用电路及各脚功能说明。LA7224系三洋公司产品,其内电路原理及外形均与CX20106相似。LA7224的主要参数:①电源电压5V,电源电流2mA。②第一级增益60dB。③输入阻抗60kΩ。④输出低电平0.5V。⑤允许功耗0.25W。

3. M50142P和μPC1373H
M50142P是遥控发射电路,由日本三菱公司生产。μPC1373H是遥控接收电路,由日电(NEC)公司生产。这两种集成电路应用在上海Z647-2、Z656-2、胜利(JVC)7225D等型彩电中。
(1)M50142P
图5是M50142P内电路框图、典型应用电路、外形尺寸和各脚功能说明。M50142P采用24脚双列直插塑村结构,它有8个键入端(~)和8个键出端(⑤~脚),故可构成具有64个键的键盘矩阵,图5中仅设置了22个键。M50142P的④脚功能与μPD193G的功能相同。由于遥控器相互间干扰的机会较少,故在有些电路中不用该功能脚(但仍有用户码),图5电路即是一例。M50142P也是CMOS电路,特点同M50119P。M50142P的电源电压为3V,电源电流为0.1mA(动作时)和1μA(不动作时)。振荡频率455kHz,载波信号频率约为38kHz。
(2)μPC1373H
μPC1373H的功能、内部主要结构及引脚功能等均与LA7224相同,请参考图4。不同于LA7224之处主要有:①电源电压6~14.4V(典型8.5V最大15V)、电流1.5~3.5mA。②允许功耗0.27W。③常在④脚对地接一个150kΩ的电阻,如图4中虚线所示。(兰德)