在住房紧张的情况下,如父母要看精采的电视节目,而孩子要学习,就会出现小矛盾。本文介绍的电视无线耳机,电视伴音只在看电视者的耳机中发声,不会干扰孩子的学习,使一家老小各得其所。
本电视无线耳机,解决了电视机原外接耳机要拖很长的连接线的问题。在一定范围内(距电视机旁发射机5米左右)能使多个无线耳机发声,供几个人同时享用。
电路原理
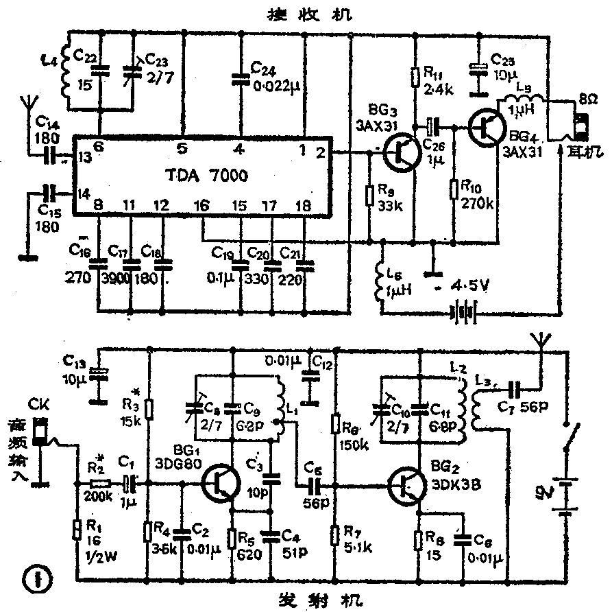
本装置由发射机和接收机两部分组成,如图1所示。

电视机伴音从CK输入,信号经R\(_{2}\)衰减后送至BG1的基极。BG\(_{1}\)与L1、C\(_{8}\)、C9等组成44~54兆赫的调频振荡器,被调频的信号经C\(_{5}\)耦合至由BG2与L\(_{2}\)、C10、C\(_{11}\)等组成的倍频器,倍频后的信号由天线向空间辐射。由于接收机离发射机的距离不会很远,所以实际发射机不需要装接发射天线。
接收机采用TDA7000单片调频集成接收电路,该集成快较适用于低电压微调谐系统。该集成块组成的接收机的选择性由内部的有源RC滤波器来决定,所以它的外围电路不需要中频变压器,这样的接收机,装置时既不需要调整,又能缩小体积,该集成块内部有稳压电路,供电电压在2.7~6伏范围内都能正常工作各脚直流电位也不需要调节,该接收机唯一要调节的是L\(_{4}\)或C23。集成电路的2脚输出音频信号,经BG\(_{3}\)、BG4的放大与阻抗匹配,供低阻抗耳机发声。
元件选择
BG\(_{1}\)选用3DG80型的超高频管,要求fT≥800MHz。BG\(_{2}\)选用3DK3B,要求fT≥250MHz,并要求两管的β值在80~120为好。BG\(_{3}\)、BG4选用3AX31锗低频管,β值要求在120~180,IC采用TDA7000。电阻除R\(_{1}\)为1/2W以外,其他均采用超小型。C8、C\(_{1}\)0、C23采用瓷介微调电容器。L\(_{1}\)、L2、L\(_{3}\)及L44个线圈均用φ0.51mm漆包线在直径为3mm的钻头上绕制后脱胎而成.其中L\(_{1}\)绕9匝、并在第5匝处抽头,L2绕6匝,L\(_{3}\)绕3匝,L4绕5匝。L\(_{5}\)、L6两个线圈用φ0.13mm的漆包线在1/8W电阻止绕40匝即成。

制作与调试

本装置需调试的为发射机部分。不装BG\(_{2}\)管先测BG1的发射极电压应为1伏,如电压值相差太大可调节R\(_{3}\)。然后调整发射频率,这时需要自制一个波长表,该电路如图3所示。图中的电流表可利用万用表的50μA档。线圈L用φ0.51mm漆包线绕5匝,波长表的频率可借助于高频信号发生器来校正。具体作法:将高频信号发生器拨至48MHz把波长表的L靠近信号发生器的振荡线圈,通过拉松或压紧线图使电路谐振电流表指示数最大,然后将波长表的L靠近发射机的L1,调节C\(_{8}\)(用胶木或塑料调整片调节),使波长表中电表的指示数最大,这时发射部分的振荡频率已接近48MHz。然后用同样的办法找出波长表的96MHz的频率,接上BG2调节C\(_{1}\)0使倍频级的频率在96MHz附近,适当改变R7使BG\(_{2}\)的集电极电流约7mA。通过以上的调试发射机已能发射96MHz的调频信号,如当地有该频率的广播,应适当改变发射机频率。最后调试接收机。接收机的耳机插座改制一下使插头插入时电源接通,接收机只要总电流在10mA左右即正常,接上100mm左右的引线作天线。插上耳机,开启发射机,电视机,用胶木或塑料调整片仔细地调节C23就能听到电视伴音,适当调节电视机的音量电位器使耳机中的音量适中,再微微调节C\(_{8}\)、C10、C\(_{23}\)使声音悦耳。(周富发)