RTS0071A是一种新型单片CMOS大规模集成电路。它可将按正常速度输入的某人的话音,变成一个陌生人的声音。它将输入的音频信号变为数字信号,进行处理,再变为音频信号,原来的声音就改变了。可广泛应用于玩具、电话系统和其它领域。
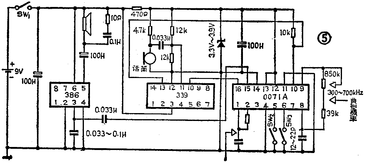
图1为引脚图和内部电路图。各引脚功能如表1所列。RTS 0071A变声集成电路为单一电源供电,工作电压为3.0~5.0V;工作温度范围0℃~50℃;储藏温度范围-10℃~100℃。表2为工作温度25℃,V\(_{DD}\)=4.0V,振荡器频率为800kHz时的电路特性。 RTS 0071A变声集成电路的应用电路如图2~5所示。图2采用了外比较器,使用按钮改变声音。图3是采用外比较器,通过可变电阻改变声音。图4和图5则采用的是内比较器,分别通过按钮和可变电阻改变声音。(维民编 译)






