编者按:本刊收到许多读者来信,热切希望报导功率稍大、通话距离稍远、性能较好的无线对讲机业余制作项目,下面发表的这篇文章,可供读者参考。但请注意:凡生产和使用这种对讲机的,均必须经当地有关管理部门批准。
本文介绍一种使用元件少、电路简单、性能较为优越的无线对讲机,若调试好,接收机在信噪比为20分贝时的灵敏度可优于2微伏。发射机输出功率为1W,实际通话距离市区不小于1.2公里,开阔区不小于2.5公里。若将电源电压提高到13.5伏,通话距离还可以远些。
由于本机在调制部分采用了脉宽调制形式,故发射状态下的电流比较小,静态时约为140mA,讲话时约为200mA,这样使电源利用率得到提高。
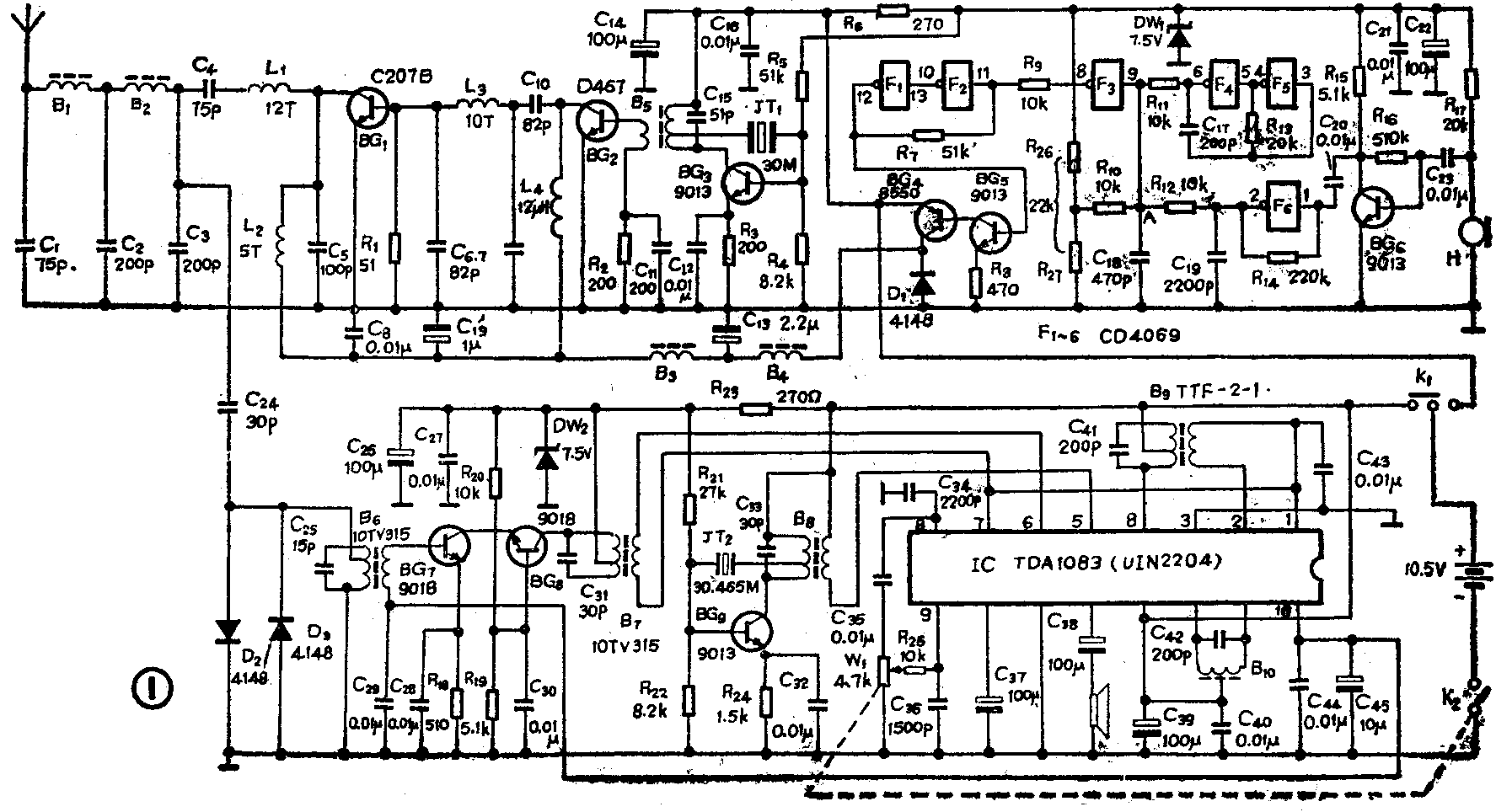
电路工作原理
1.发射机:发射机分音频调制和高频发射两部分。图1中的门电路F\(_{4}\)、F5组成占空比为50%、频率为100kHz的方波发生器,用来对音频信号进行调制。话音信号经话筒H、BG\(_{6}\)及F6组成的放大器放大后,经F\(_{4}\)、F5产生的方波信号调制,从A点输出一个三角波,R\(_{11}\)、R12及C\(_{18}\)组成积分加法器,A点信号经F3比较后输出脉冲宽度和话音幅度成正比的脉宽调制信号。F\(_{1}\)、F2及R\(_{7}\)组成施密特触发器对脉冲信号进行整形,从F112脚输出完善的调宽脉冲,此脉冲经BG\(_{4}\)与BG5组成的开关放大器放大后,经B\(_{3}\)4、C\(_{19}\)、C13组成的解调电路解调出音频信号去调制发射电路。
BG\(_{3}\)及有关元件组成频率为30MHz载频振荡器。BG1、BG\(_{2}\)为30MHz丙类放大器,它们的工作情况分别取决于R1和R\(_{2}\)的阻值。由于丙类放大器中的二次谐波成分非常高,所以必须用LC调谐回路选出基波成分。激励级输出电路由低通滤波器L3、C\(_{6}\)、C7选频。发射级输出回路中,由L\(_{1}\)、C4组成串联谐振电路,由C\(_{1}\)、C2、C\(_{3}\)1\(_{2}\)组成低通滤波器,对输出高频信号进行选频和阻抗变频。在发射电路中,晶体的质量及BG1的性能好坏决定了整机调试的成败,所对这两个器件一定要选用高性能的。
2.接收机:由BG\(_{7}\)、BG8组成共发—共基高频放大器,以放大从天线经C\(_{24}\)耦合过来的高频调制信号。这种电路增益高,稳定性好,可提高输入信噪比和改善对镜象频率的抑制能力。被放大后的高频调制信号经B7耦合至TDA1083的第6脚和第7脚。由R\(_{23}\)和DW2组成的稳压电路。BG\(_{9}\)和晶体JT2等共同作用产生30.465MHz本振信号,此信号经B\(_{8}\)耦合至集成电路TDA1083的第5脚,在集成电路内混频出465kHz的中频信号,通过电路内部的中放进行放大和检波,最后经低放后从第11脚输出再去推动扬声器发声。TDA1083为一块调幅、调频收音机专用集成电路,本刊以前曾多次介绍,这里不再多讲。因为对讲机的使用距离差异很大,所以对电路内的AGC控制能力要求很高,不然在近距离使用时会产生阻塞现象。本机AGC电路由TDA1083的第16脚引至BG7的基极。经测试,AGC的控制能力可达20dB。
元器件选择
JT\(_{1}\)、JT2为一对晶体,频率可选择在30MHz,并且要求每对晶体的频率相差465kHz。每两只机器的工作频率应要求完全一致。两台对讲机所用晶体管也应尽量一致。BG\(_{7}\)、BG8为高频小功率三极管,宜选用低噪声管,工作频率应大于150MHz。可直接选用的管子有9018、3DG56、 3DG30、C1417等。BG\(_{2}\)为高频中功率管,只要管子PCM≥0.5W、工作频率大于100MHz,均可以使用,如可使用3DG12B、8050等,但一定要是正品。BG\(_{1}\)选用工作频率大于100MHz、功率大于5W的管子,如C2020等。F1~F\(_{6}\)选用CD4069。集成电路选用TDA1083,也可用ULN2204或T900B直接代用。各个电感线圈的制作数据详见表1。

装配与调试
1.发射部分低放级:首先将B\(_{5}\)的磁芯退出,使30MHz振荡器停振。将电阻R26、R\(_{27}\)换为一个22千欧可调电位器,调节此电位器,使A点的电压等于二分之一电源电压,如果有条件,可利用示波器观察F3的输出端,输出波形的占空比为50%,然后在D\(_{1}\)两端并接一只8Ω扬声器(时间要短),此时扬声器应发出响亮的音频自激啸叫声。经上述试验后,可确认低放级已正常工作,可将22千欧电位器拆除,换上相应的电阻,低放部分就算调整结束了。
2.发射部分:如无仪器调整发射电路,可先按图3制作一个简易选频电压表,电压表指示部分可用万用表的直流电压档。图3中线圈的型号为10TV、315。选频频率的校准方法很简单,只要将探针接入BG2基极,调节B5的磁芯使表头有指示。然后细调10TV315的磁芯使表头指示最大,再封好蜡就可使用了。调整发射电路时,可按如下步骤进行:①将6.3V0.15A的小灯泡串接一只0.01μ的小电容并接在BG\(_{2}\)的e、c两电极间,调节B5磁芯使灯泡最亮,然后再退出一圈,此时振荡器则已处于最佳工作状态;②将灯泡与小电容拆除,并将串接后的灯泡和小电容并接在C\(_{3}\)两端,拨动电感线圈L1使小灯泡最亮。再将串接后的灯泡、电容改并在C\(_{1}\)两端,调整B1\(_{2}\)使灯泡最亮。此时对着话筒讲话灯泡的亮度应随话音的增大而增强。然后拆除灯泡与电容,将选频电压表的探针焊接上0.5米的软线作简易场强计使用,将此场强计放在距对讲机约30cm的地方,将对讲机天线接入,调节B1\(_{2}\)、L2、L\(_{3}\)使场强计指示最大。

3.接收部分的调试:首先检查各静态工作点的电位(标准静态电位值参见表2和表3),如果正常,可将选频电压表探针接在TDA1083的第5脚,调节B\(_{8}\)使选频电压表有指示即可。拆除选频电压表,使另一部机器工作在发射状态(拆除天线),细调被调试机器的各接收线圈,使噪声全部被抑制。(荆宝成)



