任天堂家用电视游戏机遥控器包括红外线发射机和接收机两部分,它们的外形如图1所示。其中红外线发射机由操纵者控制,其面板上的主要按钮功能与游戏机控制盒的基本相同,所不同的是发射机上多了一个单人/双人游戏开关,该开关用来选择单、双人游戏的状态。红外线接收器用15芯插头与游戏机相连,用来将游戏操作者发出的控制信号传给游戏机,实现游戏机的遥控。

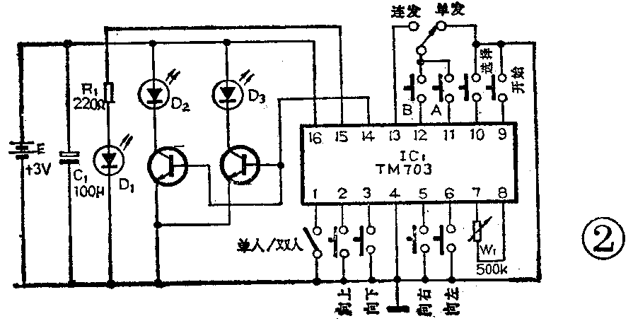
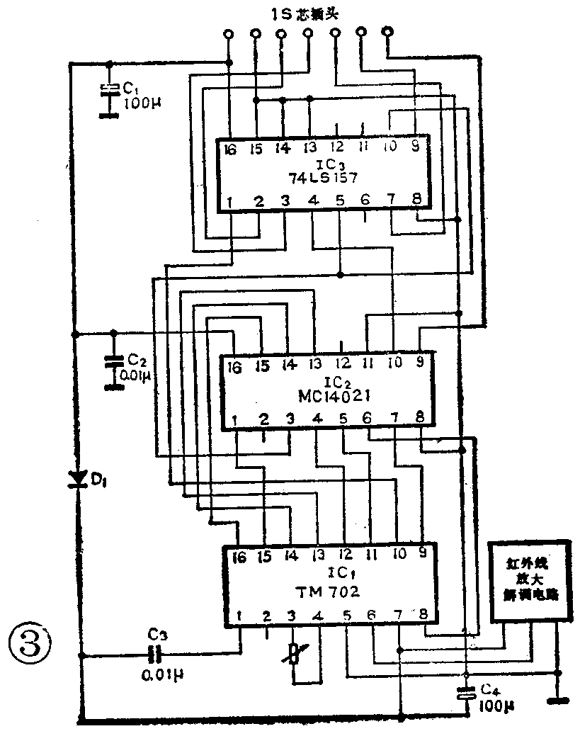
红外线发射机及接收机的原理图请见图2和图3。 从图中看到,电路用了TM702、TM703集成电路,其中TM703是红外线发送专用IC,TM702是接收专用IC。关于TM702、TM703,《无线电》1990年第1期有详细介绍,请参照阅读。下面介绍有关核遥控器的使用知识。


接收机放置于游戏机旁的适当位置,将接收机的15芯插头在断电情况下插入游戏机的手枪插座,受光窗口面向游戏者。同时游戏操作者也应将发射机前向接收机,中间不能有阻挡物,保证游戏的顺利进行。(刘彦茂)