华强牌HQ-819音响系统由主机、半自动回臂电唱机、落地式机柜、立体声三分频音箱组成。功能齐全,性能优良,造型新颖,主要技术指标达到国家优质品水平。在全国首届组合音响集中测试评比中,荣获优秀产品奖。
该音响收音部分采用数字调谐器具有手动和自动跟踪调谐,有预置12个电台和数字显示功能。主要性能指标如下:
1.频率范围:AM:531~1602kHz; FM:87.5~108MHz;
2.灵敏度:AM:1.5mV/m(S/N=26dB) FM:10μV(S/N=30dB)
3.信噪比:调幅40dB;调频54dB
4.选择性:调幅26dB(单选);调频30dB(双选);
5.立体声分离度不小于27dR;
6.总谐波失真(组合)不大于1.5%
该机调谐器部份工作原理如下:
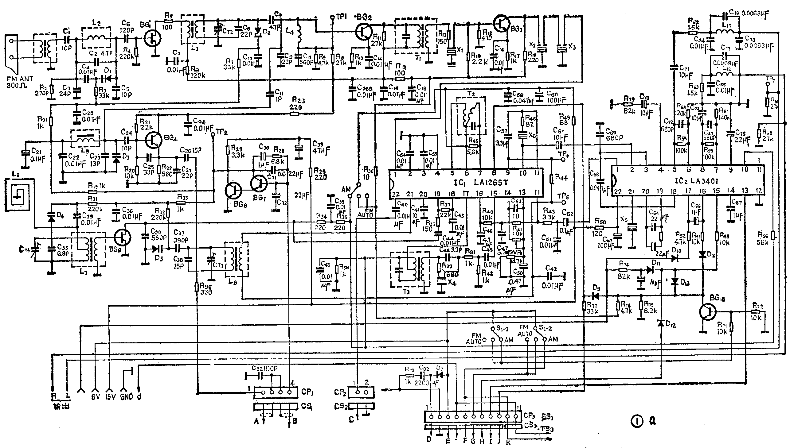
收音部分由收讯通道、频率产生和接收频率显示3部分组成。收讯通道选用集成电路LA1265T、LA3401,颇率产生和显示部分选用集成电路TD6104P、TC9157AP和TD6301AP。
FM波段工作原理如下:天线感应的高频信号,经L\(_{1}\)、L2、C\(_{1}\)、C2、C\(_{3}\)、C4、C\(_{5}\)、D1、R\(_{2}\)等组成的输入回路,由C6耦合至场效应管BG\(_{1}\)放大。L3、CT\(_{2}\)、C3、D\(_{2}\)组成调谐回路,对高频信号进行选择。经C9耦合至混频管BG\(_{2}\),与C11来的本振信号fvco混频,经T\(_{1}\)和X1选出10.7MHz中频,f\(_{中}\)=f本-f\(_{外}\),经BG3放大和X\(_{2}\)、X3陶瓷滤波器滤波后,输入IC\(_{1}\)放大、鉴频。鉴频后的信号从IC1的10脚输出,由C\(_{61}\)耦合至IC2解码,分别由IC\(_{2}\)的5、8脚输出立体声音频信号,经由R62、R\(_{7}\)0、C76、C\(_{78}\)、C84、L\(_{11}\)和R63、R\(_{69}\)、C77、C\(_{79}\)、C85、L\(_{12}\)组成的低通滤波器(去加重电路),滤除残余的高频成分,输出至均衡器,最后至功放集成电路STK 4131Ⅱ放大,输出至三分频音箱。
在收讯通道中,为了提高FM灵敏度,选用了噪声小,增益高的场效应管2SK315作高放,增益大于22dB。信号经1级变频,2级中放,增益大于70dB。为了提高信噪比,采用了阻抗转换变压器L\(_{1}\)来提高次级阻抗,使天线与高输入阻抗的BG1相匹配,减少天线输入回路的损耗。本机振荡管BG\(_{4}\)接成集电极电容反馈式振荡器,振荡强弱由C24与C\(_{25}\)、C27,串联的分压比决定。为保证接收灵敏度和减小干扰辐射,振荡电压取190mV左右。混频后的信号经3个10.7MHz陶瓷滤波器滤波,提高了本机选择性。放大级加入了负反馈电路(R\(_{1}\)0,R17等均为负反馈电阻),这样可扩展频带,减小失真。
控制管BG\(_{6}\)输出的控制电压除控制本振工作外,经R19、R\(_{91}\)、R3、R\(_{7}\)控制输入回路和高放回路的变容二极管D1和D\(_{2}\),进行电子调谐。通过改变有关的电阻,即可改变D1、D\(_{2}\)的工作点,以达到良好的跟踪。
AM波段工作原理如下:框形天线L\(_{6}\)感应的高频信号,由L7、C\(_{35}\)、CT4和变容二极管D\(_{4}\)等组成的输入回路选出,经场效应管BG8放大,输出至IC\(_{1}\)的19脚,在IC1内混频、中放、检波。检波后的信号从IC\(_{1}\)的12脚输出,由C52耦合至IC\(_{2}\)放大,从IC2的5、8脚输出,经低通德波器至音调均衡器.最后至功放IC放大输出。
BG\(_{6}\)输出的控制电压除控制本振工作外,经R33、R\(_{31}\)控制输入回路的变容二极管D4,以达到良好的跟踪。
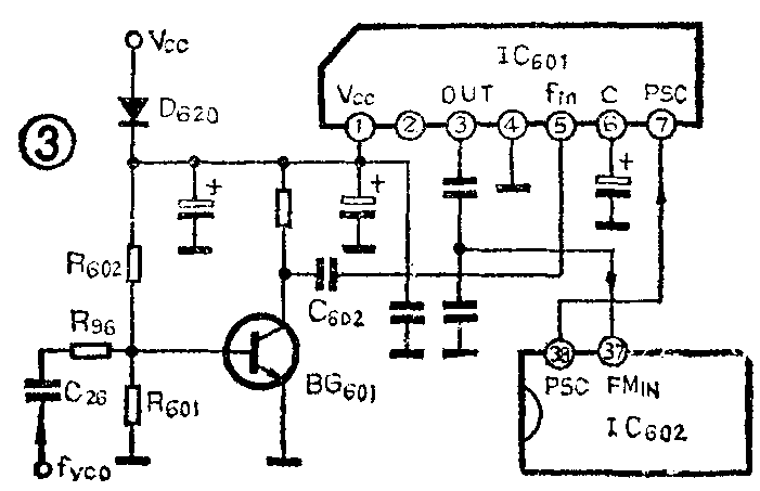
数字调谐应用了PLL频率合成技术和微处理器控制技术,方框图见图2。FM频段由于频率高,VCO(压控振荡器)产生的振荡信号先送入IC\(_{6}\)01作30(或32)预分频,然后送入IC602的37脚,经可编程分频器N\(_{1}\)再分频,得到中间信号(fm)送入鉴相器,与7.2MHz晶振频率经参考分频器分频所得25kHz参考频率(fR)进行相位比较,鉴相器输出的误差电压Vd由IC\(_{6}\)02的35脚输出,经LPF(低通滤波器)送至VCO压控端,当fR、fm两个信号保持同频和一个稳态相位差时,频率被锁定,这一频率即为本振频率,可知f\(_{VCO}\)=N1×30(或32)×25kHz。

AM振荡信号直接送入IC\(_{6}\)02的39脚经分频并锁相,这时的本振频率为fvco=N\(_{1}\)·9kHz。
频率产生电路的特点如下:
1.FM压控振荡器,由甚高频线圈L\(_{5}\),晶体管BG,电容器C23、C\(_{24}\)、C25、C\(_{27}\)和变容二极管D3组成。
AM压控振荡器由振荡线圈L\(_{8}\) ,电容器C37、C\(_{38}\)、CT3,变容二极管D\(_{5}\)和IC1内晶体管等有关元件组成。
2.预分频器TD6104P(IC\(_{6}\)01),利用CPU与IC602。内的可编程分频器配合实现脉冲计数器分频,把FM振荡频率按一定分频比先分成较低的频率,CPU给计数器提供置数数据。分频比是由计数器产生的PSC(脉冲吸收计数器)电压来转换的。PSC经IC\(_{6}\)02的38脚输出至IC601的7脚,当V\(_{PSC}\)≥2V时,分频比为1/32,VPSC≤1V时,分频比1/30,(见图3)。

FM振荡频率经C\(_{26}\)、R96至三极管BG\(_{6}\)01进行放大,以推动分频器工作。
3.低通滤波器由晶体三极管BG\(_{6}\),BG7和有关元件组成。L\(_{PF}\)有效地滤除fref(调谐步长)而不漏到VCO控制端,使VCO在调谐电台时受到控制。
4.大规模集成电路TC9157AP(IC\(_{6}\)02)在频率产生中起下列作用:
①参考分频器根据频段选择,对晶振频率7.2MHz进行分频,接收FM频段时,分频得25kHz参考频率;接收AM频段时,分频得9kHz参考频率。
②可编程分频器(分频系数为N\(_{1}\))把经过预分频的FM振荡频率再分频得到“中间信号”,把AM振荡频率直接分频为中间信号。在FM和AM的整个频段VCO输出本振频率分别满足。fvco(FM)=N\(_{1}\)·25kHz×30(或32),fvco(AM)=N\(_{1}\)·92kHz,式中N1为变数,通过CPU提供数据去改变。
③鉴相器把中间信号与参考频率进行相位比较,输出相差电压V\(_{d}\)。Vd的不同值,决定着VCO的频率。
④CPU(微处理器)数字调谐中有两个主要作用。一是为分频计数器和PSC(脉冲吸收计数器)提供数据,获得合适的分频比,现以一个实例说明如图4。若接收频率为90MHz,预分频器的分频比为30,则f\(_{vco}\)=90MHz+10.7MHz=100.7MHz,fvco=N·f\(_{ref}\),N=fvcof\(_{ref}\)=100.7MHz;25kHz=4028=30×134(Np)+8(Ns),134就是给主计数器置的数,8为吸收计数器的置数,即N除以30后的余数8被吸收了,这样就满足了N=4028分频。概括起来,这里CPU起的作用就是以25kHz为参考频率,先算出总分频比N,然后再除以30,得出的整数(Np)给主计数器置数,余数(Ns)给吸收计数器置数。(罗晋根 黄浪如)


