有人喜欢睡在床上听收音机广播,但往往是人睡着了,收音机还响着,这样就白白地浪费了电池。为了解决这个问题,我用一块型号为C 073的D触发器集成电路,制成简易定时器。它可以从30分钟到1小时之间任意定时,定时结束能自动切断收音机电源。
工作原理
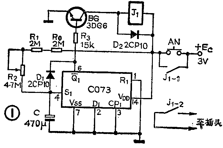
电路如图1所示,利用D触发器组成单稳态电路,R\(_{0}\)、R1、R\(_{2}\)、C组成RC延时器电路。当接通电源,按下按钮开关AN时,Q-1输出高电平,三极管BG饱和导通,继电器J\(_{1}\)工作,常开触点j1-1闭合,接通电源,并实现了自保;另一个常开触点j\(_{1}\)-2闭合,接通收音机的电源。

当j\(_{1}\)-1闭合时电源经R0、R\(_{1}\)、R2对电容器C充电,待充电电压上升超过S\(_{1}\)置位端阈值电压时,触发器置位,Q-由高电平变为低电平,三极管BG截止,J1释放,触点j\(_{1}\)-1、j1-2断开,分别切断定时器电源和收音机电源,实现定时“关”的功能。
元器件选择与制作
图1中触发器C073为双D触发器,我们只用其中的一个触发器。继电器选用JRC-5M型超小型小功率密封继电器,AN选用一般小型按钮开关。
定时器的线路板见图2。焊接前先检查一下元器件的质量。CMOS集成块可焊接在有铜箔面的那面。焊接时,电烙铁要求接地,以防止损坏集成块。在调试定时时间时,先将R2电位器旋到最小,检查最小延时时间是否为30分钟左右,然后逐步增加电位器阻值,分别在40分、50分、60分……处标上刻度,这样使用时可很方便地选择定时时间。另外可用若干电阻串联分别代替R\(_{0}\)、R1、R\(_{2}\),组成分段式定时,利用波段开关来选择定时时间。

下面谈谈如何将定时器接入收音机中。打开收音机后盖,将音量电位器电源开关连线某处切断,成A、C两端,用导线将A、C端连接到插座上,如图3所示。平时,插头不插入,A、B两端连接一起,与普通收音机一样使用。当需用定时器时,将插头插入,A、B两端分离,A、C两端分别连到继电器触点j\(_{1}\)-2上,定时状态下,j1-2闭合,收音机接通电源;定时结束,A端、C端断开,收音机电源切断,实现自动关机的作用。(程国阳)
