问:一台三元牌47SYC-3型彩色电视机,最近接收V\(_{L}\)和U频段节目正常,但在VH频段不能接收节目,无论怎样调整微调旋钮,均无图象和伴音,应如何修理?
答:电视机收不到某一频段节目,而能接收其他频段的节目,说明中频放大及以后各电路均正常,故障发生在高频调谐器及频段转换电路。应首先检查高频调谐器各引出脚的电位,当变换预选器的频段时,各脚上电位值变化情况应如下表所示。如果调谐器各引出脚电位均正常,说明电视机频段转换开关及接线是良好的。因其他频段能正常接收节目,则AGC电压、频率微调电压和AFT电压是正常的,这时应重点检查开关二极管是否开路。V\(_{H}\)频段不能接收节目,应重点检查开关二极管D111是否内部断路。(王文凯)

问:有一台北京电视机厂生产的德律风根2006型14英寸彩色电视机的行输出变压器损坏了,原机的行输出变压器是进口配件,现买到沈阳彩色电视机配件厂生产的代用品,但结构与原来的不同,不知如何代换?是否还需要更换或调整周围电路中的元件?
答:沈阳彩色电视机配件厂生产的代用品是与北京电视机厂合作研制的,专为德律风根2006型14英寸彩电所配备的,虽然外型不同,但接线脚的位置是正确的,因此,可以直接代换。在代换中应注意以下几点:(1)代用品内部带有聚焦电压的分压输出电路,省略了原进口行输出变压器所必须接的高压线。在接线时,只要将代用品的高压帽直接接在显象管的高压嘴上,聚焦输出端直接焊在原机的聚焦电位器上即可。(2)代换后,原高压的泄放电路被破坏了,在关机后有可能出现亮点,因此,在显象管的外围电路上要做如下改动。将显象管尾板上的电阻R\(_{396}\)去掉,改换上一只二极管。此二极管的耐压应为1000V,电流为0.5A。焊接时,二极管的正极接C381和C\(_{382}\)的公共端,负极接显象管的控制栅极。(吴建忠)
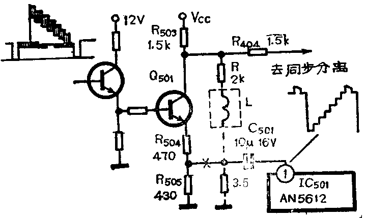
问:一台港产NATION14英寸彩电伴音正常,无图象,有光栅,调节亮度旋钮不起作用。经检查发现是亮度、矩阵集成块TEA5030损坏。用AN5612代替,屏幕上出现的图象是负象,不知何故,请问如何解决?
答:由于AN5612和TEA5030集成块内部结构不同,区别较大,因此代换时部分外围电路需要改动才能正常工作。至于屏幕上出现的负象,主要是输入到亮度矩阵集成电路上的彩色全电视信号的同步头极性不对所造成的。TEA5030要求在第脚输入同步头朝下的彩色全电视信号,而AN5612则要求在第①脚输入同步头朝上的亮度信号,所以代换时彩色全电视信号的极性需要经过变换,具体做法如图所示。先将C\(_{5}\)01(10μF16V)从R504、R\(_{5}\)05公共端焊开,再从Q501集电极取出彩色全电视信号,通过亮度延迟线L滤去色信号接入C501即可。图中虚线部分是电路改动后新增加的元件。(黄福森)

问:拟对一台松下NV-G20EN录象机的射频变换器进行改频,为此参考了一些书刊资料。但发现有好几种方法,使人难以决定究竟用何种为好。由于录象机价格昂贵,故是否帮助我们选择一种较稳妥的改频方法?
答:常用的射频变换器改频方法主要有:①取出集成块IC\(_{1}\)(TA7673 P)4、5脚间连接的线圈T1中的磁芯;②将T\(_{1}\)线圈拆去5~8匝;③把电容C10(56pF)换为27~33pF的电容(以上均对G20EN机而言)。第①法虽简单,但不易将LC回路调准于6.5MHz。第②法较麻烦,但不需添元件。第③法需增加一个电容。因此,第②、③法均是实用的。一般来讲,对于初次接触录象机的人来讲,因缺乏经验,建议还是采用第③法进行改频较为稳妥,这样不会拆坏T\(_{1}\)。(德沅)
问:一台三洋79P机芯彩电中的行输出管2SD995被击穿。经多方设法也没能购到原型号管子。后用2 SD 869及2 SD 898代换,结果都烧坏了。不知2SD995的主要电参数如何?能用什么管子代换?
答:在三洋79P机芯中,行输出管集电结要承受高达1900V左右的峰压,而2SD869及2SD898的BV\(_{cbo}\)。仅为1500V左右,因此很容易被击穿。2SD995是采用TO-3金属壳封装的硅NPN型超高反压大功率管,其主要电参数如下:BVcbo≥ 2500V,P\(_{CM}\)=50W,ICM=3A,H\(_{FE}\)≥8。根据这些参数及电视机中的实际情况,可以选用2SD838,2SD2125、2SD621、BU225、BUY71、BDX31等型号管来代换2SD995。(兰德)
问:时钟集成电路LM8363的第一脚“消隐输入”在实际应用中有何作用?如何使用?
答:LM8363第一脚“消隐输入”(英文是“Blanking Input”)。实际上就是LM 8363内译码驱动器逻辑门的输入端,用以控制该译码驱动器逻辑门的锁闭与开启。在制作或使用时,当第一脚悬空,则逻辑门锁闭,使IC与显示板相连的各引脚均呈低电位。于是显示板无任何数字显示。即数字被“消除”。但这时,IC的其他功能(如计时、寄存、报警、睡眠等)均能维持正常工作,不会受其影响。如果将第一脚与“地线”相连接,则逻辑门开启。于是,显示板显示数字(时间)。
“消隐”功能的使用,不需更改其他线路,只须在第一脚与地之间设置一个按键开关“K”。按下按键,显示板会显示现时的“真实时间”。松键后,则数字(时间)“消隐”。用以减少不需观察时钟时的无谓的耗电。若不使用该功能时,则必须将第一脚与“地线”妥善相接,使数字钟正常显示。(颜文章)
问:一台冠达(WONDER)袖珍收音机,出现收不到电台故障。经测量,整机总电流正常,各管各极电压也正常,当用小起子碰触变频管基极时,喇叭有较响的咔咔声,碰触双连振荡连,声音较小,怀疑是本机振荡电路停振,检查振荡绘圈及电容器均完好,观察双连也无碰片现象,是何原因?
答:如果确实证明振荡线圈及电容器良好,这种故障很可能是双连振荡连定片与动片漏电造成的。漏电不严重时虽然不能造成完全停振,但振荡已相当微弱,故碰触该连时咔咔声较小。检查其是否漏电可把振荡连与该机电路断开(焊开或用小刀割开电路板),然后用R×10K档测量定片对地电阻,良好的双连阻值应近似无穷大,否则,虽没有碰片现象,也足以证明双连的动、定片间的介质薄膜严重磨损或积聚一些杂质灰尘引起漏电。检修时可用酒精将其杂质清洗干净,然后用灯泡烘干,待烘干后再用R×10K档检查。合格后即可使用。(梁怀斌)
问:一台“先锋”OC-X992Z组合音响电源变压器中的一个绕组烧坏,由于买不到原型号变压器与代用品,也没有其它技术参数,如何修理?
答:将烧坏绕组的变压器拆开重绕即可。
一般进口音响设备的变压器,其初、次级绕组多数是分绕在两个骨架上的。例如烧坏的是次级,拆其绕组的漆包线时只要记住原先匝数,然后选用同样线径的高强度QQ或QZ型漆包线按原先记下的匝数绕制。如果烧坏的是初级,那只好在拆线圈时记住共有多少层绕组,每层绕多少匝,来得到初级线圈的匝数。然后用QQ或QZ型同线径的漆包线绕制。
拆变压器时可先将其放入100℃左右的烘箱内或相同温度的灯泡下烘烤一会,使浸渍物软化后拆起铁芯来就比较方便;绕完线包装上铁芯后要用万用表测量绕组的通断与铁芯的绝缘,然后用绝缘漆浸渍烘干。 (张国华)
问:一台美多牌CP6961型收录机,磁头已磨损,想更换该录放磁头,但由于原机磁头上的型号已无法辨认,请问该机磁头是用何种型号,其主要参数如何?
答:美多牌CP6961型收录机,生产批量很大,所用的录放磁头有多种型号,其中有BT62, TC821DK、J24B2等。其直流电阻为220Ω±20%、交流阻抗(1kHz测)为850Ω±20%,磁头外型及安装尺寸为标准型或非标。该机所采用的录放磁头是十分普通的立体声磁头,若找不到上述型号的磁头,可用直流电阻为200Ω左右,交流阻抗为850Ω左右的双声道立体声磁头代换。若代换后,录音重放失真或音轻,可适当增大或减小些偏磁电流。(彭贤礼)
问:一台国内组装的SPC088型袖珍立体声放音机有一种奇怪的故障,即:每断开电源一次,在磁带相应位置上就会出现抹音现象。一盒好端端的原声带有时用了一次,就出现了好几处空白点段,还混有“的噪声。放音机没有抹音头为何会使磁带抹音?
答:SPC088型放音机采用单片立体声放音专用集成电路CXA1034P,放音磁头与CXA1034P的输入端直接耦合。因此对有些CXA1034P来讲,由于断开电源时IC输入端会流过较大的脉冲电流,致使磁带上的信号被消去。解决这个问题的方法是:在CXA1034P的两个输入端(③、⑥脚)各串入一个0.47~2.2μF的电容器(负极接磁头),并在③~⑤和⑥~⑤脚间各接一个200~300Ω的电阻即可。(言取)
问:一台燕舞L1543型收录机在自动选曲过程中常常出现误动作,即不到预置节目时快进或快倒键自行弹起。请问如何排除这种故障?
答:可以适当增大自动选曲集成电路TC9138AP的④脚对地电容器6C\(_{4}\)的容量,因为TC9138AP的④脚对地所接RC决定着自动选曲电路“识别曲目”的灵敏度。RC时间常数太小,虽灵敏度高,但电路会受曲内休止区或弱信号干扰而误动作,时间常数太大则会失去选曲功能。L1543型机中的6C4用0.1μF电容器,当6C\(_{4}\)容量减小或遇到不太标准的磁带时,电路就容易出现误选曲动作,一般只要在6C4上再并一个0.047~0.1μF的电容器就能解决这个问题。(吉力)