夏普彩电中所用的集成电路大都以IX为其型号的前缀。这类集成电路的售价通常较高,而且有些品种很难购到。其实,IX系列集成电路中有不少产品可与常见的国产或国外产品直接互换;有些产品只要对原机电路稍加改动就可用易购到的集成电路予以代换。本文较全面地介绍一下夏普彩电常用集成电路的代换,以供参考。
中放和视频信号处理集成电路的代换
1.IX系列集成电路的直接互换
IX0204CE、IX0261CE、IX0388CE是三种特性相似、封装一样的集成电路。IX0204CE应用在夏普C-1411DF等型号彩电中;IX0261CE应用在夏普C-2001DK等型号彩电中;IX0388CE则广泛用于采用夏普NC-Ⅰ型机芯的多种中外彩电中(NC-Ⅰ型机芯简介见文末)。这3种集成电路均为30脚双列直插塑封结构,内含图象中放、视频检波、噪声抑制、AFT检波、高放AGC、中放AGC、伴音中放、鉴频、伴音前置放大等电路,其内部功能框图及外形如图1所示。各引脚的功能如下:①高放AGC调整,②高放AGC滤波,③中放AGC滤波,④图象中放部分电源V\(_{CC}\),⑤键控脉冲输入(AGC锁定保护),⑥地,⑦旁路,⑧、⑨图象中放输入,⑩旁路,地,直流音量控制,伴音部分电源VCC,、伴音鉴频回路,伴音前放旁路和负反馈,伴音输出,音中频输入,音中放旁路,音中频输出,伴音去加重电容,、伴音中频30.5MHz陷波回路(IX 0388 CE为空脚),T输出,T谐振回路,频检波调谐回路,频输出,放AGC电压输出。

尽管IX 0204 CE、IX 0261 CE、IX 0388 CE3者的电特性有些差别,在不同型号彩电中的具体应用电路也不尽相同(主要是、、、等脚的外围电路有所不同),但对一般修理来讲,这些差别并不影响它们之间的直接代换。此外,日本三菱公司产品M 51356 P与IX 0204 CE对应,两者可直接互换;M 51354 AP则与IX 0261 CE对应;M 51318P与IX 0388 CE对应;它们也可直接互换。不过,以上6种IC在互换时通常要处理好下面4个问题。
(1)由于不同型号集成电路的高放AGC电压不一定相同,故代换后一般可按原机要求的高放AGC电压予以重调,直到满足要求为止。
(2)如果原机的集成电路的、脚间连接着伴音LC鉴频回路,则代换后应微调一下电感线圈的磁芯,以使伴音清晰响亮,哼声基本消失。
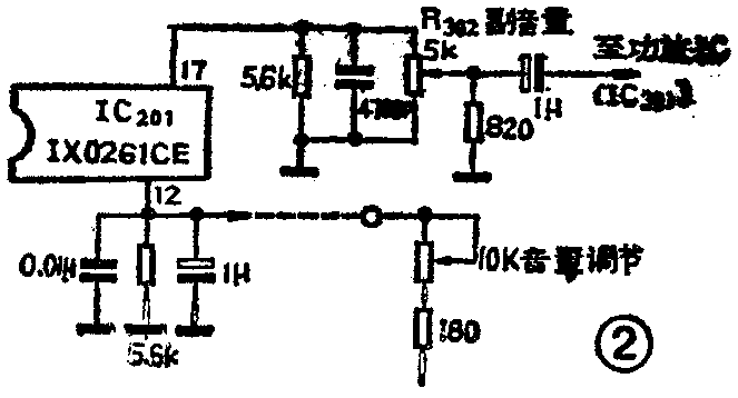
(3)在有些彩电中,若代换集成电路后出现伴音输出功率不足或音量控制不平滑等现象时,一般只需适当调整一下副音量电位器即可获得解决。以夏普C-2001 DK型彩电为例,只要调一下如图2中所示的R\(_{3}\)02便可。

(4)有些集成电路的、脚间接有30.5MHz的伴音中频陷波回路,其作用是在视频检波级之前衰减伴音中频信号,以消除伴音干扰图象现象和避免出现2.07MHz(彩色副载波中载频32.57MHz与伴音中频30.5MHz之差拍信号)网纹干扰。但由于一般彩电的图象通道中均有较佳的伴音中频吸收措施,故、脚间的LC回路大都可以不用,即原机中若无此回路一般可以不另装,实践表明,这样做对图象质量没什么影响(当然是在其它吸收回路良好的情况下)。
2.IX系列集成电路与其它型号集成电路的代换
能与IX系列集成电路直接代换的集成电路很多,详细情况见表1。

伴音通道集成电路的代换
1.IX系列集成电路的直接互换
IX 0017 TA、IX 0043 CE、IX 0018 TA、IX 0052CE可以直接互换,这4种集成电路均采用14脚双列直插式塑封结构,其内部电路框图及典型应用电路见图3。它们的主要电特性和各引脚功能都相同,只是应注意IX 0017 TA、IX 0043 CE和IX 0018 TA、IX 0052 CE的主要区别在于后两者的⑤脚内连接有稳压管,而前两者没有。因此,前两者一般适用于V\(_{CC}\)=10~14V的电路。若VCC>14V,则需在⑤脚串接降压电阻,使IC电源电压降至10~12V;并在⑤脚对地接上一个10~12V的稳压二极管和一个0.1~0.33μF的退耦电容。后两者适用于V\(_{CC}\)=10~45V的电路。互换时不要搞错。此外,还有不少其它型号的集成电路可直接代换这4种伴音集成电路,请参见表2。代换后通常需微调一下⑨、⑩脚间的LC回路。


2.IX系列集成电路与其它型号集成电路的代换
IX 0365 CE是伴音功放集成电路,在夏普彩电中应用很广,主要见于采用NC-Ⅰ型机芯的彩电。IX0365 CE采用带散热片的10脚单列直插塑封结构,其内电路框图、外形及典型应用电路如图4所示。IX0365 CE的各脚功能如下:①地,②输出,③电源V\(_{CC}\),④空脚,⑤滤波,⑥、⑦相位补偿,⑧输入限幅,⑨负反馈,⑩输入。日本三洋公司的LA 4265和松下公司的AN 5265与IX 0365 CE 3者属同类品,通常可以直接互换。在没有此3种IC时,可以用国产D 4420或D 4430(同三洋的LA 4420 4430)间接代换。具体代换要点如下:(1)分别切断连接至原IX 0365 CE ⑤、⑧脚的印制线路。(2)把原⑤脚对地连接的100μF电容改接至⑧脚对地。(3)在⑤、⑥脚间增接一个33~56pF的防振电容;在②、③脚间增接一个47~100μF的自举电容;在③、④脚间增接一个0.022~0.033μF的聚酯(CL型)电容。(4)将D4420固定在原IX 0365 CE的位置上,焊好即可。代换后若觉得增益太大或太小,可改变串接在⑨脚对地的负反馈电阻之阻值。图5示出D 4420和D 4430的典型应用电路,供代换时可对照参考。应该注意,D 4420和D 4430的最大VCC为18V,一般应用时不要超过16V。若原机电压高于16V,应降至13~16V为宜。


在伴音集成电路中,能与IX系列集成电路直接代换的集成电路很多,详细情况见表2。 (王德沅)