LK-138型电视机遥控器是国外为普通电视机增加遥控功能而设计的一种装置。其详细工作原理请参见《无线电》1988年第11期。由于设计原因,该机在我国使用时存在3个缺陷:①延迟关机时间太短,以至于选台时每循环一次都要关机一次;②只能收看1个频段的节目,而我国的电视节目在3个频段内均有分布;③调谐电压不是对“地”而是“悬浮”输出的。下面针对这些缺陷详述改装原理与电路。
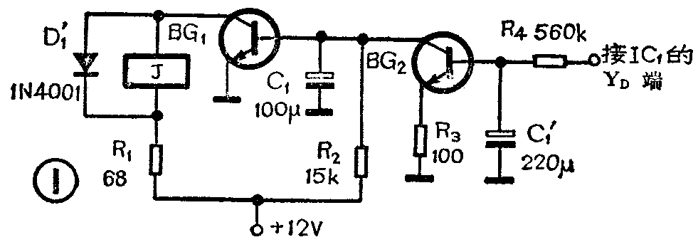
1.延迟关机的改装:改装后延迟关机部分电路见图1。根据原机工作原理知,计数器IC\(_{1}\)的Y0端为低电平时(红色发光管亮),BG\(_{2}\)截止而BG1导通,继电器J吸合,电视机加上市电。当循环选台使IC\(_{1}\)的Y0端输出高电平时,即绿色发光管(OFF)点亮时Y\(_{0}\)输出的高电平经R4给电容C\(_{1}\)\(^{′}\)充电,约经5秒钟后BG2导通而BG\(_{1}\)截止,继电器J释放,电视机断电,即真正地进入了“OFF”状态。当不需关机而只是循环选台时,可利用这5秒延迟时间跳过“OFF”状态。改装方法:将原机继电器J线圈两端的电容C6(220μF/16V)焊下,直接焊到BG\(_{2}\)基极与地之间(焊在印板铜箔一面,即图1中的C1′)。利用C\(_{6}\)的原焊孔再焊上一只1N4001二极管(图1中的D1\(^{′}\)),以消除继电器线圈反向电势、保护BG\(_{1}\)。请参照图2进行。


2.频段转换控制电压的取出:笔者对8种不同型号彩电实测,彩电频段转换控制电流消耗为20mA左右,已大大超过原机IC\(_{1}\)(CD 4017)的输出驱动能力。所以,控制电压应从原机的BG8~BG\(_{15}\)集电极取出而不能从CD4017的输出端Y1~Y\(_{8}\)取出。频段转换控制电压取出电路如图3所示。本方案将8个频道分配如下:VHFL内用两个(Y\(_{1}\)、Y2)、VHF\(_{H}\)内用3个(Y3~Y\(_{5}\))、UHF内用3个(Y6~Y\(_{8}\))。图3只画出VHFL频段控制电压V\(_{L}\)的取出电路,原理如下:当Y1和Y\(_{2}\)任意一个输出高电平时,BG8、BG\(_{9}\)必有一个导通,则增加的三极管BG1\(^{′}\)亦导通,故经R\(_{5}\)′送出控制电压VL。D\(_{2}\)\(^{′}\)和D3′组成一个或门,逻辑关系为:V\(_{L}\)=Y1+Y\(_{2}\)。VH、V\(_{U}\)的取出电路与图3类似,只是或门由3只二极管组成,相应的逻辑关系为:VH=Y\(_{3}\)+Y4+Y\(_{5}\);VU=Y\(_{6}\)+Y7+Y\(_{8}\)。

图3电路只适于以“日立”、“胜利”为代表机型的彩电。一些以“松下”为代表机型的彩电其频段转换控制电压取出电路如图4所示。该机型彩电的频段转换控制定将其V\(_{L}\)(VH、V\(_{U}\))端经一个二极管到地。相应地,其逻辑关系应为:VV=Y-\(_{1}\)·Y-2;V\(_{H}\)=Y-3·Y-\(_{4}\)·Y-5;V\(_{U}\)=Y-6·Y-\(_{7}\)·Y-8。图3、图4电路无需调试,分清彩电机型、接线焊接无误即可工作。

3.调谐电压“悬浮”输出的转换。在电视机中,调谐电压和频段转换控制电压是共“地”的,故改装后本机的调谐电压和频段转换控制电压也应共“地”,调谐电压转换电路见图5。原机输出的0~30V调谐电压经R\(_{6}\)\(^{′}\)加到BG2′基极,随输入电压变化,BG\(_{2}\)\(^{′}\)集电极对地输出电压也线性变化,即将原机的“悬浮”输出转换成对地输出。

调试方法:置IC\(_{1}\)的Y1~Y\(_{8}\)任意一路为高电平,调该路相应的半可变电位器,在BG2\(^{′}\)集电极对地之间用万用表监测输出电压是否随电位器转动而变化,如存在截止区死点或饱和区死点,只需适当减小或增大R\(_{6}\)′阻值即可。
4.附加电路的安装:调谐电压转换电路和频段转换控制电压取出电路安装在同一印板上。适于“日立”、“胜利”等机型的电路印板见图6;适于“松下”等机型的电路印板见图7。印板右上角打一φ4孔,直接固定在原机电源变压器一固定座上,元件面朝下,如图8所示,5根输出线用一五芯连接器固定在原机后面板中缝处;或用两芯和三芯插头各一只,经输入电源线固定座固定后输出。两芯插头输出调谐电压B\(_{T}\);三芯插头分别输出,VL、V\(_{H}\)、VU控制电压。11根输入线直接从原机印板铜箔面焊接引到新增印板上。11根输入线和5根输出线最好使用不同的颜色,以示区别,以免焊错。



5.遥控器与电视机的连接方法:笔者查阅对照几十种彩电线路,可将其分为两大类。第一类以“松下”为代表机型,此类机型使用图7印板。电视机改装方法:在彩电调谐器板找出通至选台板的L、H、U、B\(_{T}\)4点,用两芯、三芯插头座各一只,按图9连接,打“X”处为断开标记。

第二类以“日立”、“胜利”为代表机型,要使用图6印板。其中“日立”型改装方法和图9一样,只是各点编号不同,分别为B\(_{L}\)H\(_{U}\)和VD;“胜利”型改装的方法是,在节目预选控制板与主电路板电子调谐器部分的连线中找到编号为N\(_{4}\)、N5、N\(_{6}\) 3根引线,分别对应VH、V\(_{L}\)T输出,切断后按图9连接,但V\(_{U}\)悬空不接。“胜利”型彩电预选器中,L、H、U三档频段开关打在L、H档时是将+12V电压送出,而打在U档时是将+12V电压经一只1.2kΩ电阻接地,仅为频道指示LED提供一电流通路。“胜利”电子调谐器各输入端控制电压是由波段开关IC(TA 7315BP)提供的,凡在电子调谐器部分使用此IC的彩电,均可照此接线改装。改装电视机时,切记要先查看线路、分清机型,避免带电操作。(李洪明 张惠明)