编者按 本刊1988年第5期到1989年第12期上连载了数字电路讲座的内容。此讲座共分为20讲,目前已顺利结束。在此,我们衷心地感谢作者和广大初学者对本栏工作的大力支持和热情关怀。对于这次讲座有什么意见和看法,对“初学者园地”有什么建议和要求,欢迎大家来信反映。
为了便于读者检查学习效果,现刊登自我检查题40道,希望大家认真细致地答题。答案刊登在本列下一期上。请读者不要把答案寄到编辑部来。
一、填空题
1.数字电路里的0和1有时是表示______进制数。有时是表示________值。在电路中可用下列状况:电路的_____和_____,电平的_____和_____,晶体管的____和_____,灯的_____和____等来表示。
2.说明脉冲特性的主要参数有:______________、_______、_______和______。
3.分析逻辑电路时有两种不同的逻辑规定。用1代表高电平,用0代表低电平的为____逻辑;反之,用1代表低电平,用0代表高电平的为____逻辑。一个正逻辑的与门,在负逻辑工作时就成为一个____门。
4.触发器是一种具有_____功能的电路。触发器分两大类,一类是______,另一类是________。用触发器可以组成各种部件,如____、______、______、______等。
5.D触发器是用cp脉冲的____触发的,当cp=0时,触发器的状态______;当cp=1时,触发器的状态________。
6.J-K触发器是用cp脉冲的____触发的,当cp=0时,触发器的状态______;当cp=1时:①J=0、K=1,触发器是____态,②J=1、K=0,触发器是____态,③J=0、K=0,触发器是_____,④J=1、K=1,触发器______。
7.如果要分别对① 3、② 5、③9、④13、⑤22个脉冲进行计数,至少需要用①___、②___、③___、④___、⑤___个触发器来组成计数器。
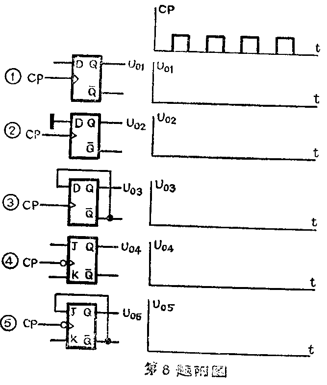
8.设cp脉冲波形如附图,画出各个触发器输出端的波形。设触发器的原态均为0。

9.分别在附图中由TTL与非门组成的电路上注上电路的名称和各个端子的符号。

10.MOS集成数字电路是指用________管作基本元件组成的集成数字电路。CMOS集成电路是______型MOS集成电路的简称,它是由_______MOS管和________MOS管组成的。
二、选择题
供11~15题选择的答案有:A.非门、B.与门、C.或门、D.与非门、E.或非门、F.与或非门、G.异或门。
11.为附图中逻辑符号选择正确答案:

12.为真值表选择门电路答案:

13.为下列逻辑表达式选择门电路答案:
① Z=A+B_______。
② Z=A—B______。
③ Z=A______。
④ Z=AB+CD—________。
14.为附图中门电路的波形图选择答案:

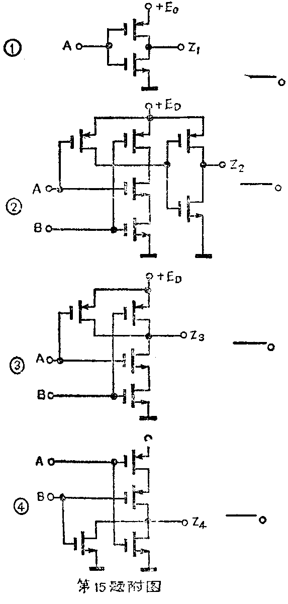
15.为附图中CMOS逻辑电路选择答案:

16.标出附图中门电路的输出状态(设门电路工作于正逻辑,高电平为1,低电平为0):

17.附图中各逻辑电路输入端所加电平如图,标出它们输出端的状态:

18.有一个移位寄存器如附图,寄存器的原态为0000,现在输入端D\(_{0}\)加有输入信号1010,设cp脉冲和输入信号是同步的,在4个cp脉冲后,寄存器输出端的状态从左到右是(A:1010、 B:0101、C:1101、 D:0000):

19.有一个分频电路,共有8级,每级为2分频。设输入1024千赫的矩形脉冲,输出端得到的矩形脉冲频率是(A:1千赫、B: 4千赫、C:8千赫、D:16千赫):_____。
20.用任意进制异步计数器C186接成一个计数器,反馈端A、B、C连接如附图。设输入7个计数脉冲,计数器的状态从左到右应该是(A:1001、B:0001、C:0111、D:0000):

三、计算题
21.设A=1101,B=1011,分别计算A和B的二进制加、二进制乘、逻辑加和逻辑乘的结果(提示:逻辑运算是按位进行,没有进位的)。
①1101+1011=______。(二进制加)
②1101×1011=______。(二进制乘)
③1101+1011=______。(逻辑加)
④1101×1011=______。(逻辑乘)
22.将下列十进制数转换成二进制数和BCD码:
①(101)\(_{1}\)0=( )2=( )\(_{2}\)-10
②(518)\(_{1}\)0=( )2=( )\(_{2}\)-10
23.将下列二进制数转换成十进制数和BCD码:
①(10101101)\(_{2}\)=( )10=( )\(_{2-1}\)0
②(1000000001)\(_{2}\)=( )10=( )\(_{2-1}\)0
24.将下列十进制数转换成二进制数和16进制数:
①(255)\(_{1}\)0=( )2=( )\(_{16}\)
②(1990)\(_{1}\)0=( )2=( )\(_{16}\)
25.利用逻辑代数的公式把下列各题化简:
① Z=AAB—
② Z=B—C+B—C—D
26.利用逻辑代数的公式证明下列等式:
① AB+A—C+BCD+B—C=AB+C
② AB—+BC——=A—B+B—C+C
27.将逻辑表达式化简,并画出化简后的逻辑电路图,要求使用与非门
Z=ABC—C+ABC—
28.按附图写出逻辑表达式,然后进行化简并画出化简后的逻辑电路图,要求使用与非门。

29.用公式法证明附图三个电路是等效的。

30.环形RC振荡器的R=1kΩ,C=1000pF,求它的输出频率的变化范围。(提示:分别求 R=100Ω和R=1kΩ时的频率)。

四、问答题
31.cp脉冲在数字电路中起什么作用?
32.为什么TTL与非门输入端悬空时在逻辑上相当于接高电平(指正逻辑工作)?
33.逻辑符号图中的小圆圈说明什么?
34.附图为常用的触发器清零电路。说明开关在什么状态时清零以及清零的原理。

35.附图为10线-4线8421码编码器电路,说明它的工作原理。按下键“7”时,输出端得到什么数码?

36.某编码器如附图,当旋钮开关在0~9之间变化时,相应的输出是什么数码,列出真值表进行分析,说明它的输出是什么码?

37.TTL与非门的主要特性参数有哪些?
38.有一个数字电子钟,用七段字形数码管作时分显示。现要求显示“19:20”,这时应该给数码管输入什么代码?
39.附图为用J-K触发器组成的十进制计数器,列出每个触发器输入端的逻辑表达式并分析其工作原理。

40.MOS数字集成电路在使用中要注意哪些问题?(俞鹤飞)