触发音频发生器
电路如图所示,它由两个定时器构成。当A端有一正触发信号时,可使B端产生一定持续时间的音频信号。

IC\(_{1}\)接成单稳电路构成一个定时器,它可控制输出音频信号的持续时间T,T由公式T=1.1RTC\(_{1}\)计算。
IC\(_{2}\)接成一无稳态振荡器,它可决定音频信号的频率,其频率由公式f=1.44/(RA+2R\(_{B}\))C2计算。
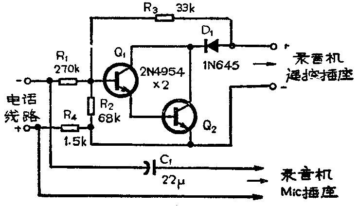
电话机控制录音机电路
电路如图所示。该电路可控制录音机的启动(Rec)和停止(stop),使录音机成为通话录音装置。

当电话处于控机状态时,线路电压(约50伏)使达林顿管Q\(_{1}\)、Q2反偏,输出信号通过录音机遥控插头使其处于停止状态。摘机后线路电压极性反转,此时电路输出高电压使录音机启动。这样话音可经录音机Mic孔录在磁带上。如果录音机没有遥控孔,可用输出信号控制继电器或可控硅使录音机动作。
该电路的特点是不需外接电源,因而十分方便。
声控继电器电路
电路如图所示。声音信号可通过图示电路驱动继电器K以完成声控动作。电路中的Q\(_{1}\)、Q2完成信号的检测并发出触发信号,IC\(_{1}\)构成单稳触发电路,RC用于控制时间常数。图中所给出的数值可使延时时间在0.05到0.5秒的时间内调节。

声控双向开关
电路如图所示。声音信号加至放大管Q\(_{1}\)的输入端,放大后经Q1、Q\(_{2}\)组成的施密特电路触发后面的由J-K触发器组成的双稳电路。每触发一次,电路就改变一次状态,每次状态的改变又都控制着后面继电器的通和断,如此实现双向开关的功能。例如,第一次拍手的声音控制继电器接通,则第二拍手的声音可使继电器断开。

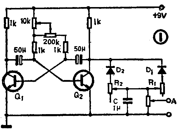
音响效果发生器电路
图1所示电路可产生不同波形的振荡信号。该电路由两部分组成,由Q\(_{1}\)、Q2组成的多谐振荡器产生基本信号,然后再经D\(_{1}\)、D2、R\(_{1}\)、R2、C电路部分整形。改变R\(_{1}\)、R2、C可在A点得到不同波形的信号,几种典型的信号见图2。此类信号如再经放大接入喇叭,即可产生不同的音响效果。(以上均为晓琳 编译)

