《无线电》实验制作栏1988年11期至1989年3期刊载了“用EPROM实现的自动节奏电路”一文。本人依据文中介绍的电路自制了一台,收到了较好的演奏效果,但在使用中发现,该机演奏时只能按键盘选定的花样击打,比较死板。如果能在演奏乐曲时加入鼓、镲等的连击音响(称“花打”),则可使乐曲演奏得更加生动。
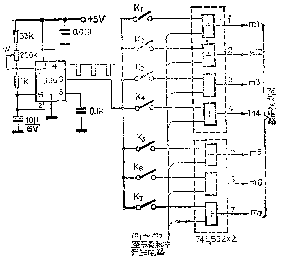
本人在不改动原机电路的前提下增加了部分电路,使演奏时可即兴加入“花打”。增加的电路如附图所示:时基电路组成脉冲发生器,产生触发音源所需的脉冲串。若按下K\(_{1}\),脉冲串经门1触发音源,获得连击的低音鼓声。同理,按其它键K2~K\(_{7}\),可获得对应的连击音响。调整W,可改变“花打”的频率。图中的或门为两片74LS32,时基电路用NE 555,K1~K\(_{7}\)可根据原文介绍的方法自制。(申锦蓉)
