PC-81微机的转储电路如图1所示,由C4005第35脚输出的信号经过电阻、电容分压后,原大约8V\(_{PP}\)的信号被衰减到约8μVPP。这么小的信号对于一般录音机的MIC输入来说是太弱了。对此,笔者对该电路进行适当地改进。

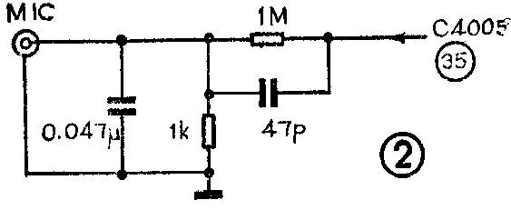
改进后的转储输出电路见图2。虽然元器件没有变动,但由于改变了接法,使原来电阻分压和电容分压的串联衰减变为并联衰减。这样便有约等于8mV\(_{PP}\)的信号输出,对于一般录音机的MIC输入是合适的。如个别录音机灵敏度较低,则可进一步减小1MΩ电阻的阻值。但首先需要判别的是录音机有故障(如磁头磨损,过脏等)还是原来的技术指标就不高。假如改动后感觉字符显示的边缘清晰度受到影响,可以干脆去掉47P电容器,效果仍然很好。

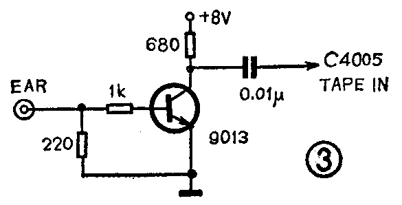
如果改动以后虽然能在磁带上录上较强的信号,但仍不能装入计算机的话,这是因为PC-81的C4005是CMOS IC,它的阈值电压约为1/2 Vcc即约为4V\(_{PP}\),要输出这么大幅度的信号,对于供电电压在9V以下的录音机来说是很困难的,甚至是不可能的。因此,对于这些小录音机来说,还必须改造PC-81的输入电路才能解决。输入电路的改进有两种方案。图3是第一种方案,在机内增加一级晶体管放大器,该放大器不需偏置电流,只要录音机能输出1VPP的信号就能实现装入。图4是第二种方案,它是利用晶体管收音机的推挽输出变压器组成一个自耦升压电路,采用这一方案不要忽略了保护性稳压二极管,以免烧毁IC。该稳压二极管可以用三极管的eb结代替,但不如用7.2~8V的稳压二极管可靠。经过以上的改进,PC-81就能够可靠地转储程序了。PC-81转储信号的频谱范围在1kHz到10kHz之间,有选频网络的录音机应把频谱设定在500Hz至10kHz之间。每段程序之前有一段引导程序,输入引导段时,开亮的显示器上应出现暂时的“干净”。如果这时有杂波,说明信号幅度不够,它会导致输入出错。有些用户不能可靠转储还可能由于程序名搞错了。在程序名中使用空格,往往在输入时会忽略,因此建议程序名称尽量不要用空格。在改进当中注意不要将PC-81的输出信号取得过强,因为过强的信号在录音机ALC电路的作用下会损失高频分量,这对转储的可靠性是不利的。实验表明使用普通磁带就可以了。(希平涛)

