随着电子技术的发展和人们对声音的认识,环绕立体声已逐步由专业人员的实验室进入寻常百姓家中,现在市场上出售的一些音响设备已配有环绕立体声处理器或将其作为选购件。普通的音响设备配用这种处理器后就能产生环绕立体声,它能使聆听者感受到强烈的声像包围感、仿佛置身其中,无论在现场感、空间感、音色透明度等几方面均较普通立体声有质的飞跃,使人们在家中便可享受到剧场、音乐厅的现场音响效果。
本文向大家介绍一种实用的环绕立体声处理器。
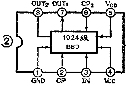
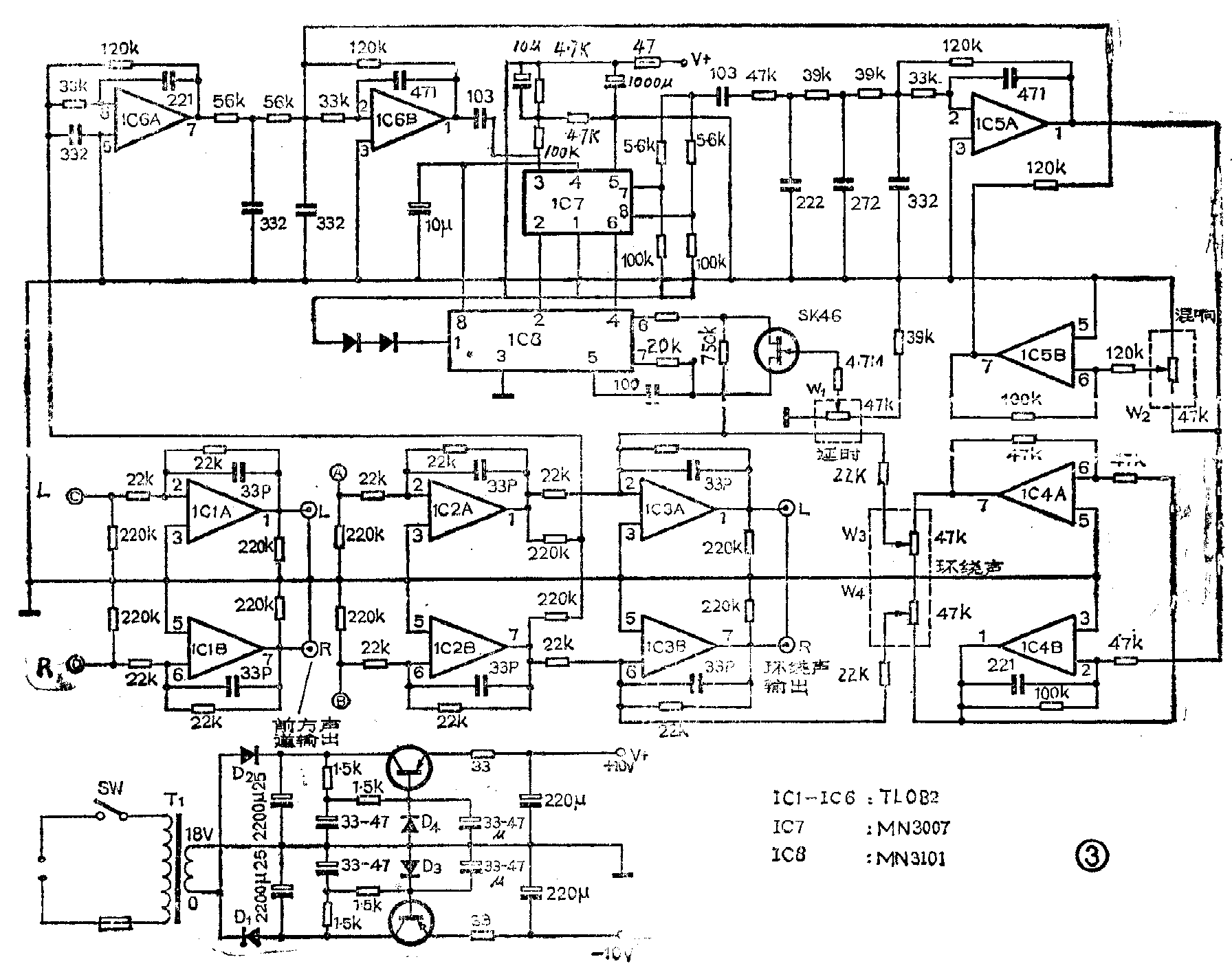
本电路中的关键器件是BBD(Bucket BrigadeDevice 戽斗式电荷耦合器件)MN3007。它是一片P沟道MOS大规模集成电路,内部包含有1024级移动式电荷存储器和MOS管组成的电子开关。它的内电路如图1所示。其管脚排列如图2所示,该器件的主要性能指标如下:信噪比S/N=80dB;失真度THD=0.5%;时钟频率范围10kHz~100kHz,对应信号的延时时间为51.2~5.12mS;插入损耗0dB,漏极电源V\(_{DD}\)=-14~-16V;栅极电源VGG=V\(_{DD}\)+1V。图3是环绕立体声处理器电路原理图。图中MN3101是专用于MN3000系列BBD电路的时钟信号驱动器,它能产生两个反相时钟信号CP1、CP\(_{2}\),用来作为BBD工作的时钟信号,MN3101的组成框图及管脚排列见图4。它的第8脚专门为BBD提供合适的栅极电压VGG。在MN3101内部有两级反相器,在⑤、⑥、⑦脚外接阻容元件组成振荡器,振荡器的输出信号经内部的2分频器分频后再经整形电路输出作为时钟信号。




在图3电路中IC\(_{1}\),为双声道前置放大器,用于小信号放大。其余各部分用于环绕声处理。左右声道信号由A、B端输入IC2后,一路经两个220kΩ电阻混合后送入IC\(_{6}\)构成的低通滤波器,该低通滤波器的转折频率为8kHz;另一路送入IC3。IC\(_{7}\)为BDD器件MN3007,信号由它的第3脚输入,由第7、8脚分别输出到IC5A的输入端。IC\(_{8}\)是MN3101,调节延时控制电位器W1,可使BBD的延时时间在3.4~34ms之间变化。IC\(_{5A}\)也是一个低通滤波器,转折频率为8kHz。设置低通滤波器的目的在于滤除不必要的高频成份(BBD只适合于处理频率低于时钟频率一半的信号),延时后的信号分成两路,一路送入IC5B构成的混响放大器,IC\(_{5B}\)的输出信号再反馈回IC6B的输入端,用以模拟厅堂内的多次反射声,使处理器具有混响效果。调节混响电位器W\(_{2}\)可控制IC5B的增益,用来调节混响深度。另一路送入IC\(_{4B}\),其输出信号经W3送入IC\(_{3B}\),并与IC2B输出的右声道信号混合,形成后方右声道信号,调节W\(_{4}\)可以改变环绕声和直达声的比例。IC4A是反相器,它把IC\(_{4B}\)输出的信号反相后送入IC3A,并与来自IC\(_{2A}\)的左声道信号混合输出,形成左声道的后方信号。
MN3007第1脚至第8脚的参考电位分别是:10V、4.3V、3.2V、0.6V、0V、4.3V、5.2V、5.2V。MN3101第1脚至第8脚的输出电压(对地)分别是:8.7V、4.3V、0V、4.3V、3.6V、4.8V、3.6V、0.6V。其它各集成块的输出直流电位均为0V。本电路只要元件良好、焊接正确,焊好即可使用。
本机设有4路信号输入端:激光唱机(CD),模拟唱机(LP),录音座,调谐器;信号由四位互锁式琴键开关切换,另外还有一个自锁开关,按下时有环绕声,不按下时只有前方声道输出。开关的状态机上均有发光二极管指示。
需要指出的是使用环绕立体声处理器必须配有两台立体声扩音机和4只扬声器箱。一台扩音机做前方声道扩音,另一台做环绕声扩音。接线方法请见图5。

邮购消息:广西梧州市白云电器厂(大东上路15号)供①本文介绍的全套IC线路板,互锁开关106元/份②用420×200×60无光黑壳按本文装调好整机245元/台③用420×200×100黑壳装双电平表4组输入转换TLO82前置高、中、低旋钮式音调本刊89—7期STK4191全保护功放150W×2扩音机298元/台,STK4151全保护功放100W×2扩音机265元/台④420×200×80黑壳TLO84×6装双十段均衡器整机138元/台加装日产集成十分频频谱显示屏236元/合,均含邮资款到十天发货开户:北环办帐号1011—7185。(陈启新)