彩色电视机图象扭曲故障是指在收看节目时图象出现扭动、紊乱、摆头、晃动、失步、不稳定等现象。故障严重时,满屏图象扭曲,无法收看;故障轻时,图象抖动、拉毛令人心烦。这种故障常发生在使用长久的电视机上。在彩色电视机中直接影响图象稳定的电路有稳压电源电路、AGC电路、同步电路、AFC电路及其它相关电路。本文以长城JTC471-2(东芝机型)型彩色电视机为例,介绍图象扭曲的故障检修方法。
一、稳压电源电路
在稳压电源电路中引起图象扭曲的原因有4点:(1)由于滤波电容漏电、容量减小或开路使输出的电压纹波成份增加,并进入扫描电路导致图象扭曲,如图1中的C\(_{8}\)07、C818、C\(_{446}\)、C449等滤波电容器。(2)电源整流桥(D\(_{8}\)01~D804)中有一个二极管开路,使之变成半波整流,导致图象扭曲。(3)由于稳压电路内部的元件变质,使输出电压不稳或不足,造成同步电路不能正常工作,导致图象失步、扭曲。(4)个别彩色电视机由于在交流电源电压过低(如低于160V)时,稳压效果差,也能产生图象扭曲故障。

一般来说,这4种原因很好查找,由滤波电容器C\(_{8}\)07失效或整流管中某个管开路所造成的图象扭曲,不光是图象扭,而且整个光栅也在水平方向作周期性扭摆,并且是低频扭曲,在屏幕两边只有一、两个波浪;由滤波电容器C819、C\(_{446}\)、C449等失效造成的图象扭曲,扭曲频率较高,而且往往形成小波浪或拉毛状,当然有时也会引起失步;由输出直流电压过低造成的图象扭曲,一般常伴有光栅幅度压缩现象,很好识别,但当输出的114V电压正常而只是12V电压下降较多时,常出现图象局部扭动或失步,当市电电压太低而稳压电源功能又较差时,也会出现这种现象。
二、图象中频通道
长城彩电的图象中频通道采用了集成电路TA7607AP,见图2,TA7607AP的主要功能有图象中频放大、视频检波、噪声抑制、自动增益控制(AGC)和自动频率调谐(AFT)等。与图象扭曲故障有关的电路主要是AGC电路和AFT电路。

AGC电路的主要作用是根据远近电视台的弱强信号来自动控制中放级和高放级的增益,使输出的视频信号幅度趋于一致,这对稳定图象起着极其重要的作用。例如:对于接收的弱台信号,它能保证正常的线性放大,此时中放、高放AGC都不起控,具有足够的增益使电视机正常收看。对于接收近地强台信号,当接收信号增强到一定值时,中放AGC电路就先行起控,使集成电路IC\(_{1}\)01中的3级中频放大电路的增益下降。AGC电压是由IC101脚外的R\(_{1}\)07、C106产生的延迟来控制,以保证有较大的AGC范围。随着中放增益的下降,脚电压降低,当降到一定程度,高放AGC也开始起控,IC\(_{1}\)01的④脚电压受控下降,输出一个负向高放AGC电压去控制高频头的增益。IC101的③脚接电位器R\(_{151}\),用于调节高放AGC的延迟起控,这样,对强信号自动进行两级增益调节,保证不失真、稳定的高增益。
当收看远台图象较好,而收看近台图象却出现扭曲,并且调节行、场同步旋钮又均无效时,首先应考虑到是AGC电路的问题,具体检查方法:(1)从信号发生器上接收彩条信号,改变信号的强弱,观察图象的变化(若无信号发生器也可通过改变拉杆天线的长度及方向来改变信号的强弱)。一般在弱信号下故障现象不变,则是AGC电路的问题,此时可进一步测量IC\(_{1}\)01的脚电位。在空频道时,脚电位为6~7V,有信号时,并且信号在从弱到强变化时,脚电位应从8V至4V呈下降趋势变化。如果此电位不变,应检查C106是否短路,R\(_{1}\)07是否断路。(2)测量IC101④脚电位,在空频道时,此脚电位为1.5V左右,当接收的信号增强到一定的程度,它应下降,否则应检查C\(_{1}\)04是否有短路或漏电现象。(3)调节R151看图象质量是否改善,如无改善,可检查R\(_{1}\)03、R151是否接触良好,C\(_{1}\)03是否有漏电或短路现象。如果调测均无效,则可能是集成电路IC101损坏。
自动频率调谐(AFT)电路的主要功能(如载波分离级、乘法器、直流放大器等)是在集成电路IC\(_{1}\)01内完成,在集成电路⑦~⑩脚外还接有由L171、C\(_{174}\)等元件组成的频率微调电路,调整L171可使中心频率为37MHz,这样⑤、⑥脚输出的AFT电压就能控制高频头的本振频率始终保持在37MHz,以达到自动频率跟踪的目的。
检查这部分电路时,可借助在选台盒中的AFC开关,如果断开AFC开关,图象变好,则说明这部分电路有问题,再进一步测量IC\(_{1}\)01⑤脚电位并且调节L171,如果此时⑤脚电位变化,则说明集成电路IC\(_{1}\)01没有损坏,是L171失谐,此时,调整L\(_{171}\)使⑤脚电位为6.5V为止。
三、同步及扫描电路
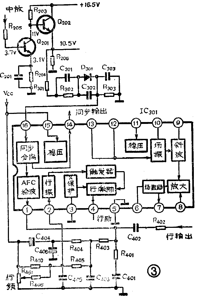
长城JTC471-2彩电的扫描电路采用了集成电路TA7609P,见图3。TA7609P的主要功能有同步分离、2倍行频振荡、分频、自动频率控制(AFC)、X射线保护和场振荡等。与图象扭曲故障有关的电路主要有同步分离电路和AFC电路。

来自IC\(_{1}\)01的彩色全电视信号经过由Q201、Q\(_{2}\)02等组成的二级视频放大器放大后,再经R301、R\(_{3}\)02、D301、C\(_{3}\)01、C302进入IC\(_{3}\)01的脚。在集成电路IC301内,同步分离电路将分离出的同步脉冲。从行输出电路馈送回来的行逆程脉冲经C\(_{4}\)01、C402、R\(_{4}\)01、R402等组成的积分电路,变成锯齿波信号送到IC\(_{3}\)01的①脚,在IC301内与行同步信号进行相位比较,一旦发生相位偏移就输出一个与偏移相位成比例的误差信号,并且经接于①脚的R\(_{4}\)03、R404、C\(_{4}\)03、C404、C\(_{4}\)06等元件进行积分,取得直流电压。此电压再经②脚去控制行振荡级,以达到与行频同步。另外,在IC301②脚外还有一个振荡电路,这个振荡电路是由R\(_{4}\)06、R410、R\(_{451}\)、C405组成,它产生一个2倍行频的方波,这个方波由集成电路内的分频电路分频成行频(15.625kHz),因此,改变R\(_{451}\)即可调节行频的高低。
一般说来,由Q\(_{2}\)01、Q202以及其它元件组成的两级前置视放电路出故障造成图象扭曲或失步往往还伴有图象弱及色淡等现象,很好识别。其它电路的检查可按如下步骤:(1)首先调节行频电位器R\(_{451}\),着扭曲是否消除,如能消除,说明只是行频偏移。(2)如调节R451只能使图象瞬间稳定,可进一步检查IC\(_{3}\)01是否损坏,AFC电路中的R401、R\(_{4}\)02、C401、C\(_{4}\)02等元件是否有问题。(3)如调节R451毫无反应,则应先检查行频调节电路中的R\(_{451}\)、R410、R\(_{4}\)06等元件是否断路;再检查C301是否开路或变质,C\(_{3}\)02、C303是否短路;最后检查行振荡电路的C\(_{4}\)05是否有漏电现象,定时元件是否损坏等。
还要说明一点,有些彩色电视机,如三洋83p机芯的两片机采用的是双AFC电路,一方面锁定行频,另一方面也锁定行激励信号,以此提高鉴相的精度,稳定图象。但是双AFC电路又使得时间常数增大,因此,对于时基误差较大的录象节目不能适应,容易产生图象上部扭摆现象。对于这种情况一般是采用AV预选键进行收看,如果当地电视台较多,可将机中的IC\(_{2}\)01外所接的电阻R414的另一端(Q\(_{4}\)02的集电极)接地,使各预选键均工作在AV状态。
以上我们介绍了对图象质量有直接影响的电路的检修方法,为了便于掌握,我们将此检修过程作一个小结,见图4。下面列举几个实际例子来说明图象扭曲故障的具体处理过程。

例1:一台长城JTC471-2型彩色电视机,入夏以来,收看半小时就出现颜色淡,图象拉毛、左右扭曲现象。
分析与检修:开机半小时后出现故障,有可能是某个元件热稳定性不良所致。参考图4步骤逐步查找。(1)当故障出现时,压缩拉杆天线的长度并改变其方向以减弱接收信号的强度,结果无效,说明问题不在AGC电路中。(2)开启选台盒盖,断开AFC开关,故障现象没有变化,说明AFT电路和故障没有关系。(3)检查两级视放电路,具体电路见图3。测量第一视放级Q\(_{2}\)01各脚电位,基极为5.8V,发射极为5.2V,集电极为6.3V,该管已趋近饱和,和图纸上的标注值明显不符。用酒精棉团浸擦该管的塑壳,图象有好转趋势。换新管(Q201原用2SC1815,现用3DG12C代之),故障消除。说明此故障是由Q\(_{2}\)01热稳定性不好所致。
例2:一台东芝C-1831zF型彩色电视机(电路和长城JTC471-2型相同),有时出现行扫描紊乱、扭动不稳现象,拍拍机壳偶尔又正常。
分析与检修:东芝机这类故障大多出现在AGC电路或AFC电路中,可能是某元件有虚焊或接触不良现象。检修步骤:(1)在出现故障时,调节机内行频电位器R\(_{451}\),发现图象可以瞬间稳住,但随之又扭动,说明同步信号已进入IC301中,并且同步分离电路没问题,问题可能在AFC电路中。(2)用绝缘杆(如木筷)拨动与AFC电路有关的元件,如R\(_{4}\)01~R405、C\(_{4}\)02、C405、C\(_{4}\)06等,见图3。当拨到R401时,图象立刻稳定。仔细检查,发现是R\(_{4}\)01引脚松动,重焊该引脚,图象恢复正常。
例3:一台JVC14英寸彩色电视机(电路与长城JTC471-2型彩电相同,但图纸上元件编号不同),白天收看基本正常,只是在把对比度突然调大或转换频道时,图象出现扭曲。晚间收看时,图象除明显扭曲外还伴有行幅不足,右侧缺边,但到10时半左右,故障又消失。
分析与检修:从故障现象看,图象扭曲可能电源输出电压不稳造成的,特别是到了晚间,电网电压下降,稳压输出电压B\(_{1}\)也随之下降,导致行幅不足。因此,这类故障可直接从稳压电源电路入手进行检查。具体检查步骤:(1)首先检查整流桥二极管和滤波电解电容器C907、C\(_{918}\),整流桥二极管正常,没有断路现象,滤波电容器充放电也正常,没有开路和漏电现象。(2)用1个自耦调压器给电视机供电,当把电压调到180V时,若突然增加对比度,则出现图象扭曲,此时B1端输出电压只有98V(正常时应为114V)。当把电压调回到220V时,则图象正常,并且不受调节对比度的影响,但此时B\(_{1}\)端电压也只有100V,其余输出电压也低于正常值。(3)在B1端串入1A的直流电流表,实测电流近300mA,说明负载电路没有问题,问题在稳压电源电路中。(4)检查误差取样放大电路,发现稳压管D\(_{9}\)05(相当于长城机中的D814)接近短路,换1个新的稳压管,通电调节取样电位器R\(_{922}\)(相当于长城机中的R851),使B\(_{1}\)端输出为114V,则故障消除。为了慎重起见,再用自耦调压器实验,当把电压调到160V时,图象仍然稳定,不受转换频道和调节对比度的影响,电视机使用正常。(李蒙)