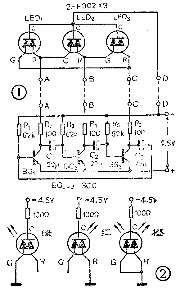
电路如图1所示。它是由BG\(_{1}\)~BG3及有关的R、C组成的3相多谐振荡器。工作时电路以二个管导通,一个管截止的方式进行循环。其中R\(_{1}\)、R3、R\(_{5}\)和C1、C\(_{2}\)、C3的数值决定循环的速度。本电路利用三色LED的变色原理,当G和R先后导通时LED分别发出绿、红两种色光;当G、R同时导通时LED发橙色光,如图2所示。电路工作时LED\(_{1}\)~LED2分别按红、绿、橙顺序交替闪烁,非常好看。(朱德辉)

电路如图1所示。它是由BG\(_{1}\)~BG3及有关的R、C组成的3相多谐振荡器。工作时电路以二个管导通,一个管截止的方式进行循环。其中R\(_{1}\)、R3、R\(_{5}\)和C1、C\(_{2}\)、C3的数值决定循环的速度。本电路利用三色LED的变色原理,当G和R先后导通时LED分别发出绿、红两种色光;当G、R同时导通时LED发橙色光,如图2所示。电路工作时LED\(_{1}\)~LED2分别按红、绿、橙顺序交替闪烁,非常好看。(朱德辉)
