城市及乡镇道路和某些公共场所的路灯若整夜长明则耗电很大。为节约用电,人们希望路灯能在前夜点亮,而在后夜则部分或全部熄灭,即所谓的“半夜灯”与此对应,整夜不熄的路灯称为“全夜灯”。根据四季昼夜长短的变化,一般“半夜灯”的亮灯时间为3~6小时。为使“半夜灯”能实现自动控制,以往的控制器均采用RC长延时电路,而这种电路定时不准且调整费时。笔者以普通5功能电子表芯制作的控制器,定时准确可调,不仅可用于“半夜灯”的控制,还可用于其它需要定时控制的场合。
我们对“半夜灯”的要求是:可与“全夜灯”配合使用以实现各种灯光组合。它每晚与全夜灯一起点燃,亮灯后点燃3~6个小时(可调),而后到时自动熄灭。
电子表的特点及信号的检取:目前市场上出售的电子表芯,至LCD显示板的引线有24线和13线两种,且以13线的为多。加电复位后开始显示的时间有12∶00和1∶00两种。我选用的是13线及开始显示12∶00的那种表芯,它的各笔段代号示于图1。其中a\(_{1}\)、b1、f\(_{1}\)3段使用一个公共零线COM1;c\(_{1}\)、d1、e\(_{1}\);g1用另一公共零线COM\(_{2}\)。笔段显示时,相应电极与公共零线间有1V左右的32Hz交流电压。信号的检取过程如下:当钟从12∶00开始走时后,小时的个位按2、1、2、3、4、5、6顺序显示。我们可以发现,当小时的个位显示“3”(即经过3小时后),c1、g\(_{1}\)相对于COM2均为高电平,将它们取出后可做3小时的定时信号;当小时个位显示“4”(即4小时后)时,b\(_{1}\)、f1相对于COM\(_{1}\)均为高电平,它们可做4小时的定时信号;当小时个位显示“5”时,a1、f\(_{1}\)相对于COM1为高电平,可做5小时的定时信号;同理,6小时的定时信号可由c\(_{1}\)、e1和COM\(_{2}\)间取得。

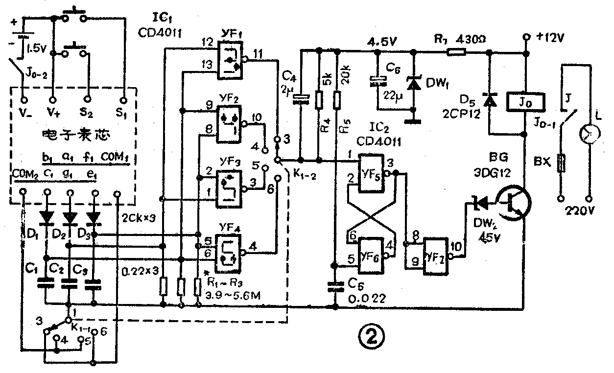
图2是“半夜灯”控制器的原理图。如上所述,IC\(_{1}\)四与非门的输入端分别连接到电子表的相应电极上,以检取3、4、5、6各小时的定时信号。因为电子表各电极输出的是32Hz的交流信号,故以D1~D\(_{3}\)和C1~C\(_{3}\)组成相应的整流、滤波电路,R1~R\(_{3}\)则为整流、滤波电路的负载电阻。YF5、YF\(_{6}\)组成双稳态电路,YF7、YF\(_{8}\)接成反相器,DW1、R\(_{7}\)、C6为简单的稳压电路,为IC\(_{1}\)、IC2供电。K\(_{2}\)是3~6小时定时选择开关。

工作原理:电源接通后,由于C\(_{5}\)两端电压不能突变,双稳态输出一低电位,经YF7反相,10脚输出高电位,DW\(_{2}\)导通,BG导通,J0吸合,其触点J\(_{0}\)-1由常开变为常闭,路灯点亮。同时,J0-2接通了电子表的电池,电子表开始从12∶00计时。电子表b\(_{1}\)c1、a\(_{1}\)g1、f\(_{1}\)e1点的输出信号经整流滤波后加于与非门的输入端。设K\(_{1}\)置于“3”位置,当电子表小时个位分别为2、1、2时,YF1两输入端不能同时为高电位,故输出端11脚为高电位。当然,在每整点显示数字变换的瞬间,YF\(_{1}\)两输入端有时会同时为高电位,此时11脚输出一负尖脉冲,由C4予以滤除,以免产生误动作。当小时个位显示“3”时,YF\(_{1}\)两输入端均为高电位,10脚输出的负脉冲加至IC2组成的双稳态并使其翻转,YF\(_{7}\)输出为低电平,BG截止,J0释放,路灯熄灭。同时,J\(_{0}\)-2将电子表的电源断开,使其复位,准备下次使用。同理,K1至4、5、6位置时,路灯将分别在4、5、6个小时后自动熄灭。
元器件的选择与组装:元器件最好选用正品,尤其是IC\(_{1}\)。电子表用一节5号电池供电,J0用JQX-4型,工作电压12V的,其触点电流3A,若控制的灯数较多可做为中间继电器使用。表芯引线最好取得细一些,以利焊接。焊时烙铁应接地,以免损坏表芯的CMOS电路。表芯引线方式如图3所示。电路焊接无误后,用调表钮S\(_{1}\)、S2使电子表的小时个位由2、1、2至3、4、5、6变化,同时调K\(_{1}\)至相应位置,看电路能否正常工作,必要时可适当调整R1~R\(_{3}\)。调好后最好用703胶等将表芯引线封好,并给表芯加一金属屏蔽罩,以防干扰。(张林 张志)
