本文介绍的双卡录放电路在吸取《无线电》1988年第2期19页特殊频率补偿双卡录放电路优点的基础上,又增加了多种功能电路。其中有立体声磁带放音、复录、立体声唱片放音、磁带复制立体声唱片节目、直接驱动耳机放音、卡拉OK录放音等多种功能。
电路介绍
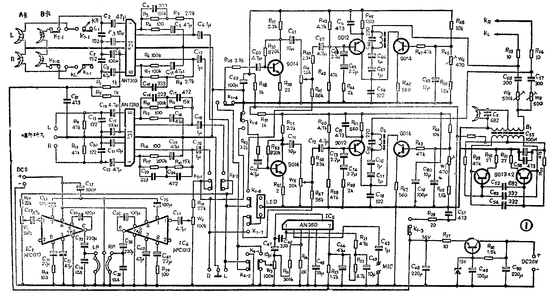
电路由磁带均衡放大器、唱片均衡放大器、话筒前置放大器、立体声功率放大器、高阻恒流频率补偿电路、推挽偏磁振荡电路、稳压电路组成,电路如图1所示。印制电路版图请见图2(1∶1∶2)。各IC的引脚电压见附表。下面介绍各部分电路。



磁带及唱片均衡放大器 该放大器由两块AN7310组成。两个放大电路除均衡网络不同外,电路的其它部分完全相同。
AN7310是单列9脚结构,外围元件少,使用方便。有低噪声、低失真的性能。非常适合用作前置放大器。AN7310有内置射极跟随器,输出阻抗低,有利于与后级电路配接。并且由于其低阻抗的输出特性。对减小信号传输线对高频的衰减和防止感应交流声均有明显效果。
功率放大器 它由两片μPC1213C组成立体声功率放大器。μPC1213是双列8脚带散热片结构。内电路有差动输入、静噪电路,噪声低、频响好。4Ω负载时输出功率为2.4W。配接各种耳机均可得到足够音量,也可外接小功率音箱放音。
μPC1213的印板排列应符合以下要求:输出端的接地点,滤波电容器C\(_{27}\)的负端、消振电容器(C34、C\(_{39}\))的地端应在散热片附近接地。C39、C\(_{34}\)要用聚酯电容器或聚苯电容器。电路排列不当,消振电容器不良都会产生自激。可用μPC1212代用本电路中的μPC1213。
话筒前置放大器 话筒前置放大器是为“卡拉OK”录音设置的。也可做讲话录音用。该电路由低噪声、高增益前置集成电路AN360组成。能满足高增益、大动态范围的要求。电路实测指标为:增益50dB、动态范围60dB、信噪比65dB、失真度小于0.2%。图1中R\(_{25}\)是反馈电阻、改变R25的阻值可改变电路的增益。
功能转换电路 共用4只开关进行电路功能转换。K\(_{1}\)是录放开关,K2、K\(_{3}\)、K4是2×2自锁按键开关。
K\(_{1}\)共使用7组接点:K1-1、K\(_{1}\)-2接通录音电流到“B卡”磁头。K1-3接通恒流补偿电路和偏磁振荡电路的电源。K\(_{1}\)-4,K1-5将前置放大器来的放音信号接到频率补偿电路的输入端。K\(_{1}\)-6、K1-7用作电平指示器/放音信号切换。
K\(_{2}\)是A-B卡选择开关。当K2在复位位时,电路工作于A卡放音状态。按下K2时电路工作于B卡放音状态。
K\(_{3}\)是立体声/卡拉OK转换开关。K4复位时由K\(_{3}\)来的磁带放音、唱盘放音L声道信号经K4-2接到K\(_{1}\)-4进入L声道的补偿电路,录放电路处于正常放音状态。当K4按下时,放音L声道信号被切断。K\(_{4}\)-1将话筒信号经K1-4接入L声道补偿电路,录放电路处于“卡拉OK”录、放音状态。
使用方法
磁带放音 K\(_{3}\)置“磁带”位置,K4置“立体声”位置。在A卡或B卡放入原声带,通过K\(_{2}\)选择A卡或B卡放音。
立体声唱片放音 K\(_{3}\)置“唱盘”位置,K4置“立体声”位置,其余开关置任意位置,即可进行唱片放音。
磁带复制 K\(_{2}\)置“A卡”位置,K3置“磁带”位置,K\(_{4}\)置“立体声”位置,在“A卡”放入原声带,“B卡”放入空白带,按下“A卡”放音键和“B卡”录、放音键,即可进行磁带复制。录音时调节手动电平控制电位器W4、W\(_{5}\),使复制的磁带与母带有相同的放音电平。
录制唱片节目 K\(_{3}\)置“唱盘”位置、K4置“立体声”位置。唱盘信号接入均衡放大器,在“B卡”放入空白磁带,按下B卡录、放音键,即可用磁带录取立体声唱片节目。
“卡拉OK”录音 K\(_{3}\)置“磁带”位置。K4置“OK”位置。话筒接入MIC插座,功放输出端接上耳机。在“A卡”放入原声“OK”带,按下放音键,“B卡”放入空白磁带,按下录、放音键即可。“OK”录音时,应使用动圈式话筒,电平指示器用《无线电》1988年第2期19页介绍的电平指示器。
调试方法
各路前置放大器和立体声功率放大器无需调整,只要焊接无误即可工作。以下电路还要调整。
偏磁电路 将C\(_{6}\)0、C70负端对地短接,数字频率计接B\(_{1}\)次级,双通道示波器接BG2、BG\(_{5}\)集电极。双通道毫伏表接B卡磁头引线R、L端子。接通电源,调B1磁芯,使振荡频率为80kHz。然后调B\(_{2}\)3磁芯,使示波器显示的偏磁电压波形幅度最小,再调W\(_{8}\)、W9,使毫伏表指示电压为11.5V(B卡磁头直流电阻为220~240Ω),偏磁电路即已调好。以上过程应进行两次。
恒流电路的调整 解除偏磁调整时C\(_{6}\)0、C70负端对地的短接、将C\(_{6}\)0、C70负端用导线并接到音频信号发生器输出端子,B卡录放磁头R、L端子接双通道毫伏表,接通被测电路和仪表电源(偏磁振荡电源要断开),信号发生器输出50mV15kHz信号,调W\(_{6}\)、W7,使毫状表电压指示在最大值,恒流电路即调好。
业余条件下的调式方法请见《无线电》1988年第3期19页,这里不多讲了。
制作装配注意事项
一、保证元件质量,阻、容元件要经过测试,数值误差应在5%以内。均衡网络和偏磁电路的谐振电容器要用聚苯或聚酯电容器。录放磁头的质量十分重要,如果经常大量复制磁带,最好用磁极面经玻璃喷涂的耐磨磁头。
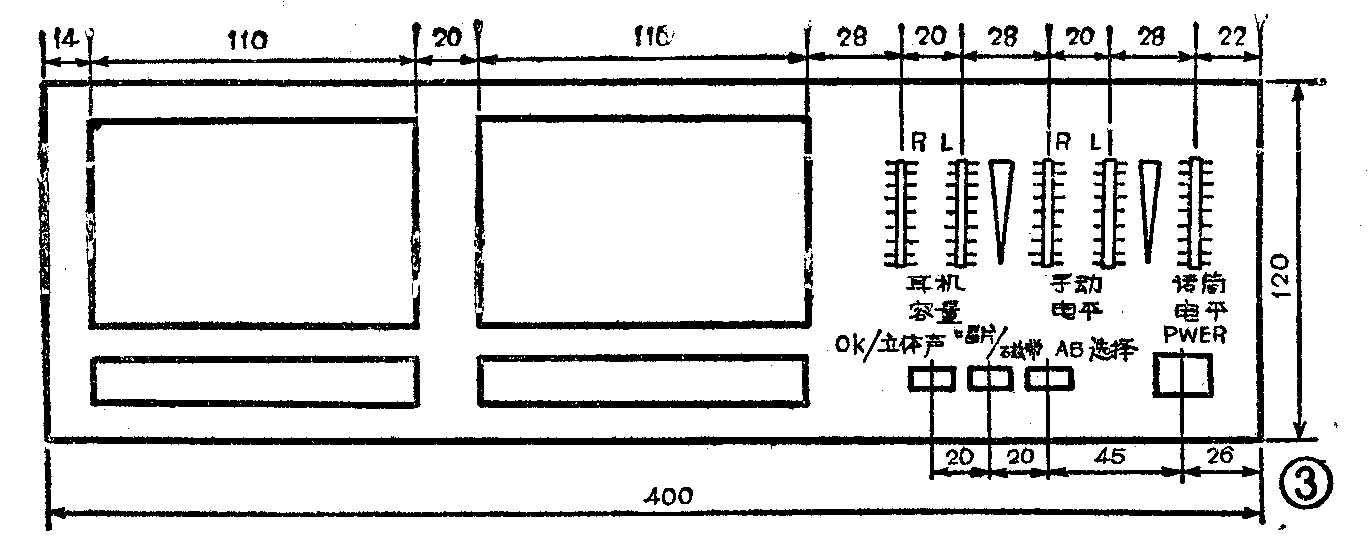
二、整机的装配结构可参考图3。录放开关与B卡机芯的配合,采用拉线方法。用较粗的收音机调谐拉线,一头绑在录音键的压块上,另一头绑一个小拉簧,拉簧钩在录放开关的方孔中,在拉线中间位置上装上滑轮。

三、电源变压器的漏磁干扰会使电路产生交流声,变压器的安装位置和角度应经过试验。最好自绕变压器,采用较低的磁通密度(8000高斯)计算每伏圈数比,这样变压器的漏磁干扰将大大降低。
各输出、输入信号连接线,电位器引线,一律要用屏蔽线。屏蔽层应在电路板上信号线焊点傍接地。W\(_{1}\)、W2、W\(_{3}\)、W4、W\(_{5}\)使用直滑电位器,装在面板上。
本电路磁带录放音指标如下(用666磁头):
放音失真<1.5%;自录自放失真<2.5%;放音信噪比>60dB;自录自放信噪比>55dB;放音输出电平23mV(-10dB磁平);放音频响:40Hz~12.5kHz(0.45dB)。(张兴旺)