本栏在1988年第10期上曾介绍了PL-7226B 10MHz通用计数器系统并刊登了该系统的原理图。本期着重介绍一下INTERSIL ICM-7226B芯片的主要特性及PL-7226B10 MHz通用计数器系统功能的扩展。(编者)
ICM7226B的主要特性及应用
ICM7226 B采用低功耗CMOS电路,输出可直接驱动8位共阴极大型LED数码显示板,频率测量从DC到10MHz,周期测量从0.5μs至10s,高频振荡器可使用1MHz或10MHz晶体,具有外部操作系统接口及BCD输出。
ICM7226B可做为频率计数器,周期计数器,单位计数器,频率比计数器,时间间隔计数器。当用10MHz晶体时基时,对于频率测量,显示分辨率可达0.1Hz,对于周期和时间间隔测量,分辨率可达0.1μs,在平均周期和平均时间间隔方式下,分辨率可在nS范围。
PL—7226B通用计数器的功能扩展
PL-7226B通用计数器是集ICM-7226B,10MHz晶振,8位0.3英寸LED显示板,开关和少数电阻、二极管、电容于一块140×65mm\(^{2}\)双面印制板上的10MHz通用计数器。它可做为便携式测试设备。可对低频信号进行高精度周期测量,直接测量频率达10MHz。此计数器在印制板上为用户留有开发区,包括两个16针IC插座和不连续的焊盘区。用户可加入放大器,预置定标器和输入衰减器等。输入A和输入B可以用TTL或CMOS逻辑直接接口。
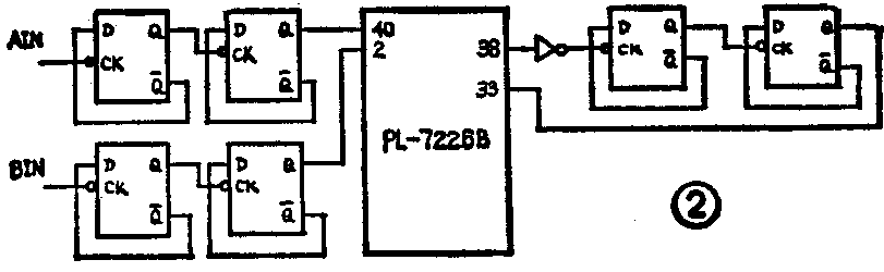
PL—7226B通用计数器很容易与微型计算机接口。例如它与8位微型机MC6800可构成智能化测试仪表,其框图见图1。为了扩大其测量范围,可以把它开发为40MHz的频率、周期计数器。如图2所示,只需在PL-7226B前增加两块74LS74进行4分频即可。(普乐)

