本文介绍一种以CMOS集成电路及变色发光器件为主体的三色闪光电路,如图1所示。该电路构思新颖,元件少、成本低。它能交替闪烁,显示红、绿、橙三种颜色,应用面较广。

电路原理
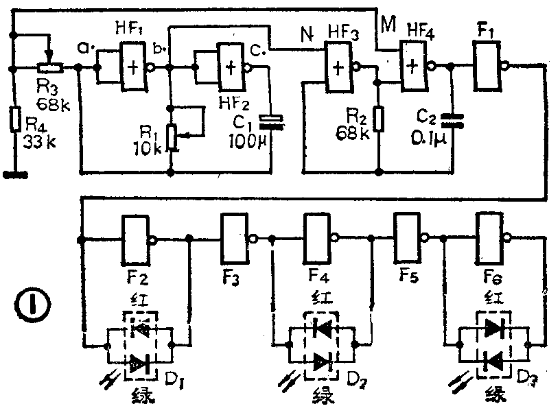
该电路可分为三部分:1.闪烁节奏调节级。该级由R\(_{3}\)、R4、或非门HF\(_{1}\)、HF2等组成。HF\(_{1}\)、HF2在此作倒相器用,它配上R\(_{1}\)、C1组成1Hz频率的振荡器。2.三色光控制级。它是由HF\(_{3}\)、 HF4、R\(_{2}\)、C2组成的可控振荡器,其振荡频率为数百赫,它的工作状态通过M、N端受第1级控制。3.驱动级。它由3对倒相器F\(_{1}\)~F6和3组由红色与绿色LED反向并接的变色发光器件D\(_{1}\)~D3组成,其发光状况受HF\(_{4}\)输出端控制。第1级振荡器工作时,点a、b和c的波形如图2所示。电路中b点直接接第2级的N端,a点信号通过电阻R3、R\(_{4}\)分压后接至M端。当点b为高电平点a为低电平时,振荡器停振,HF4输出高电平。这时,F\(_{1}\)、F3、F\(_{5}\)输出低电平,F2、F\(_{4}\)、F6输出高电平,驱动D\(_{1}\)~D3中的红色LED发光。当点b为低电平时,a点电压逐渐下降,由于电阻R\(_{3}\)、R4的分压作用,可使M点电平由略低于V\(_{DD}\)值下降到转换电压值VTM以下,这样,当M端取V\(_{TM}\)以上电平时,将强迫第2级振荡器停振,HF4输出为低电平。于是F\(_{1}\)、F3、F\(_{5}\)输出高电平,F2、F\(_{4}\)、F6输出低电平,驱动D\(_{1}\)~D3中的绿色LED发光。当M端取V\(_{TM}\)以下电平时,由于M、N端的电平都低于本端的转换电压,第2级振荡器不受外界控制,将按所设计的频率产生上百Hz的方波,由HF4输出端送入下一级。于是D\(_{1}\)~D3的红色与绿色LED按此频率迅速交替点亮,肉眼所见,呈现橙色光的效果。

元器件选择
HF\(_{1}\)~HF4用一块CMOS四2输入或非门CO39(即4001),F\(_{1}\)~F6用一块六反相器4069。变色发光器件采用4PT241(四端变色平面发光器件)。若选用红色与绿色 LED共阴极的三端变色管,可依图3连接。阻容元件无特殊要求。R\(_{1}\)、C1视闪烁节奏而定,一般职R\(_{3}\)与R4的比值为1.2/1,且B\(_{3}\)+R4应比R\(_{1}\)大10倍左右。(袁玉仁)
