前些年,社会上拥有较大数量的变压器推挽输出形式的晶体管扩音机,其功率管都是用3AD30锗管。由于这类管子的固有缺陷很容易损坏,用同类管子换上后,寿命也不长,给用户带来很大的麻烦,也增加了经济损失,有些机器因而被判处“死刑”,成为废物,造成社会财富的浪费。由于3DD 15硅管的大多数性能指标优于3AD30,我试验用3DD15取代3AD30,并对原机有关电路作了相应改动,获得了成功,现将改换方法介绍如下。
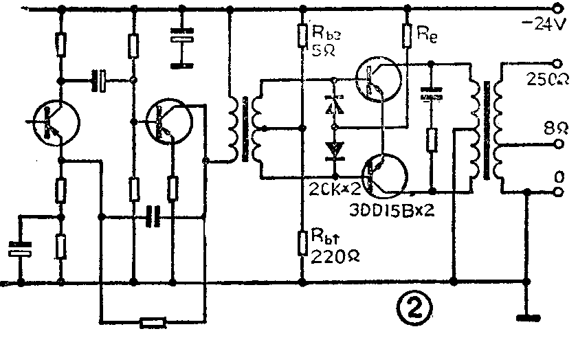
这里以50W晶体管扩音机为例。该机有关电路见图1,改动后的电路见图2。拆下原机上两只3AD30管,在3DD15管上加绝缘衬垫后装在原位上。按照图2电路将输出变压器的初级中心抽头与电源“+”端(即原机接地线)连接,两管发射极连接后通过新添加的电阻Re与电源“-”端相接。原机的两只3AD30管基极是直接通过输入变压器次级接地的,为乙类放大电路,这是因为锗管发射结死区电压较低,在扩大机上使用时,交越失真不甚突出。而现在使用硅管,其死区电压>0.5 V,故必须提供正向偏压,所以用了R\(_{b1}\)、Rb2组成分压式偏置电路,其中R\(_{b1}\)必须选用功耗≥5W的电阻。由于硅管的V(BR)EBO很小(≥4V),为防止发射结瞬间被击穿,所以分别在两管b、e端加上二极管用作保护。因为3DD15的截止频率高于3AD30,所以换管后,必须将原电路上由 C\(_{24}\)、 R40组成的反馈支路取消,否则会产生自激振荡。Re的阻值在0.3~0.5Ω范围内选取,可以自制,但不能取消。(展明熙)

