利用录音机学习外语时,往往希望能够分句放音,以便跟读练习,矫正发音等。本文介绍一种能在各种型号录音机上实现自动分句功能的附加装置,它使用两节五号电池供电,体积小,线路简单,成本很低,分句可靠。凡是有遥控插口和线路输出的收录机都可不加任何改动使用本装置,使用时将本装置用插头分别插入收录机的遥控插口和线路输出插口,不用时拨下,不影响收录机的原有功能。没有遥控插口的收录机可将电机引线断开,引出接线,设置一个插口即可使用本装置。
工作原理
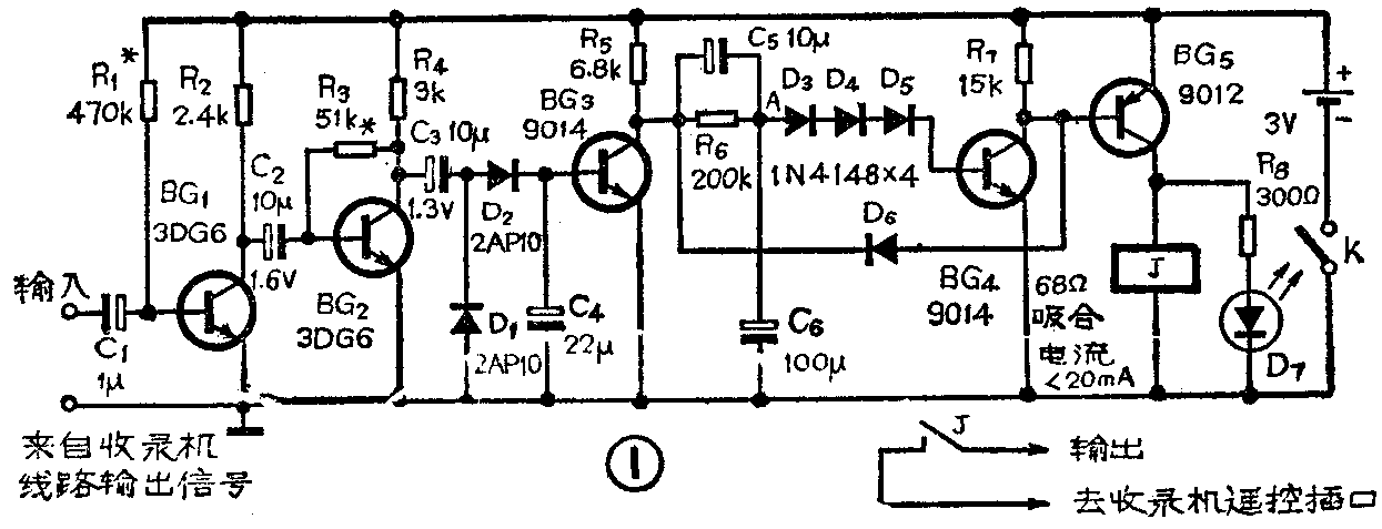
本电路是利用收录机线路输出信号来推动开关电路通过遥控插口对收录机电机进行控制的。电路原理见图1。BG\(_{1}\)、BG2组成两级交流放大器,BG\(_{3}\)、BG4、BG\(_{5}\)构成自动开关电路。合上开关K后,电流通过BG5 的eb结、D\(_{6}\)、R5、R\(_{6}\)、对C5、C\(_{6}\)充电,当C6上的电压达到D\(_{3}\)、D4、D\(_{5}\)的导通电压时,BG4饱和导通,BG\(_{5}\)导通使继电器吸合,常开触点闭合,通过收录机遥控插口,接通电机电源,放音开始。同时A点电位被钳制在2.4伏左右。来自收录机线路输出的音频信号通过BG1、BG\(_{2}\)放大后,经D1、D\(_{2}\)、C4整流成直流电压,使BG\(_{3}\)饱和导通。BG3导通后,一路经D\(_{6}\)使BG5导通,保证继电器继续吸合。另一路使C\(_{6}\)通过R6(C\(_{5}\))放电,A点电位随时间逐渐下降,导致BG4截止。当一句话讲完停顿时,经0.5~1秒(由C\(_{4}\)对BG3的be结放电时间决定)后, BG\(_{3}\)截止,使BG5也迅速截止,继电器触点断开,使收录机停止走带。此时,电源又对C\(_{6}\)充电,经过一定时间(即跟读学习时间),A点电压上升到使D3、D\(_{4}\)、D5导通的电压后,BG\(_{4}\) BG5导通,继电器吸合,又使收录机开始走带。一个语句越长,A点电位下降越多,电源通过R\(_{6}\)对C6充电到BC\(_{4}\)导通的时间越长,即一个语句越长,停顿延时的时间也越长,从而保证了跟读学习的时间要求。

元件选择与安装调试
BG\(_{3}\)、BG4、BG\(_{5}\)应选β值高、穿透电流小的三极管。继电器可选直流电阻约60~70Ω,吸合电流小于20mA的小型继电器,触点电流应大于0.5A以上,因有些收录机遥控插口不但控制电机还控制低放电路,所以不能用干簧管。电路中其它元件无特殊要求。本机安装极为简单,按图中元件数据安装无误,调整带*号的电阻使BG1、BG\(_{2}\)静态集电极电压达到如图中所示数值,分别用插头将本装置输入、输出端连至收录机的线路输出插口和遥控插口后即可正常工作。(吴悦)