电子摇马是在原有的木马上装上发声发光的电子装置而制成的。当小孩坐在木马上前后摇动时,木马的双眼闪烁发光,同时可听到逼真的马蹄声及马的嘶叫声,增加了玩具的吸引力。
电路原理
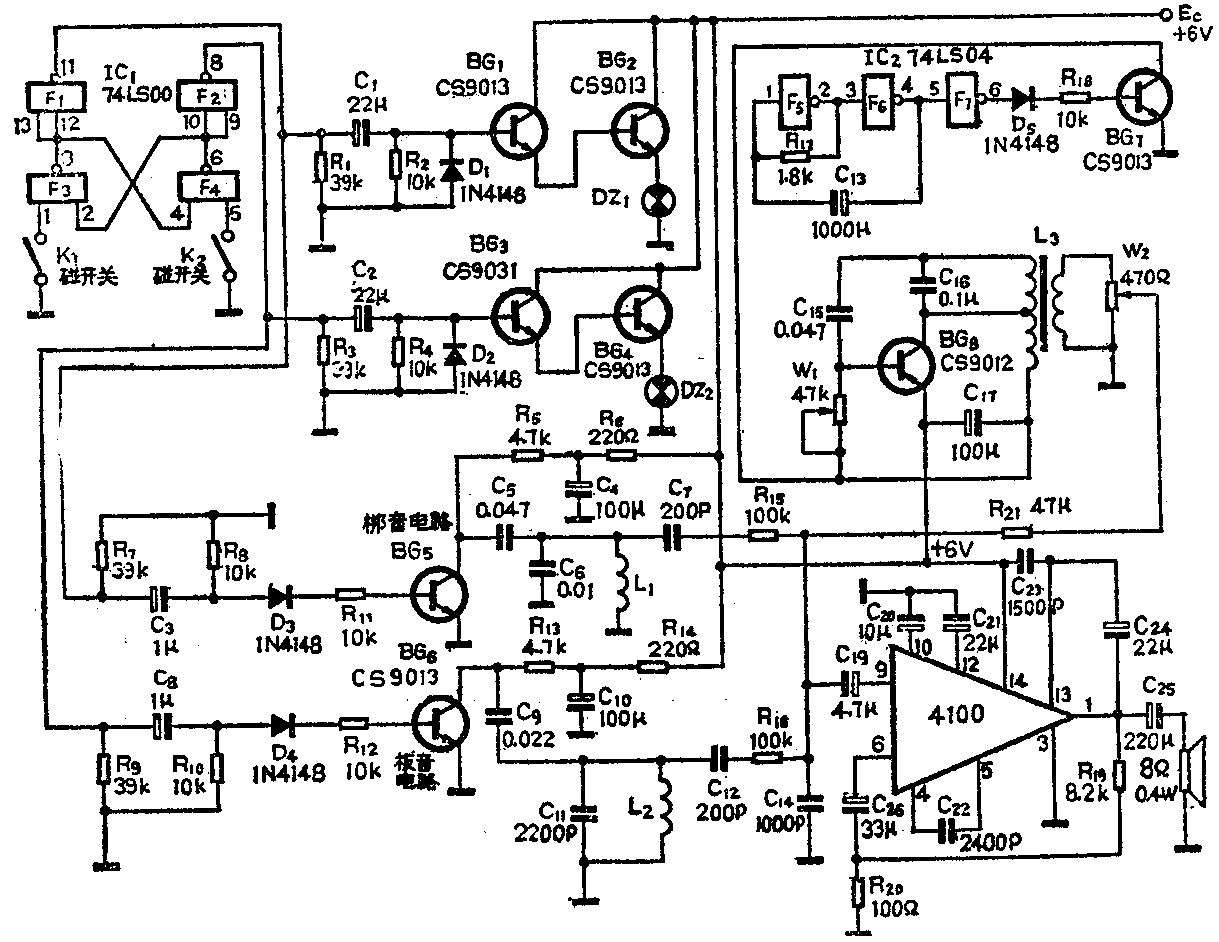
电子摇马的电路见图1,它可分为三个部分。第一部分是模拟马蹄声及马眼闪烁的电路。所谓马蹄声即为蹄嗒、蹄嗒……的声响,它与敲梆声和敲板声交替出现的声响效果是十分相似的。因此采用两个电子开关分别控制梆声电路和板声电路以模拟马蹄声。

BG\(_{5}\)为一个电子开关,当它截止时,电源通过R6、R\(_{5}\)向C5、C\(_{6}\)充电。当F1的输出端输出正脉冲时,经C\(_{3}\)、R8微分电路形成正负尖顶脉冲。再经过单向导电的D\(_{3}\)及限流电阻R11,出现正向脉冲,它使BG\(_{5}\)饱和导通,于是C6放电,在L\(_{1}\)、C5、C\(_{6}\)组成的并联回路中产生一个急剧衰减的阻尼振荡,即产生敲梆声,它模拟马蹄声中的“蹄”声。同理,由L2、C\(_{11}\)、C9组成的并联回路和BG\(_{6}\)电子开关产生敲板声,来模拟马蹄声中的“嗒”声。当BG5、BG\(_{6}\)两个电子开关交替导通和截止,就产生蹄嗒、蹄嗒的模拟马蹄声。
线圈L\(_{1}\)与L2完全相同,绕制时采用直径为20毫米的磁罐,并用直径为0.1毫米高强度漆包线密绕200圈即可。
图1电路中BG\(_{1}\)、BG2与DZ\(_{1}\)等组成一路马眼闪烁电路。当F1输出正脉冲,经过C\(_{1}\)、R2组成微分电路,产生正、负向尖脉冲,其中负脉冲被D\(_{1}\)旁路,正脉冲使BG1与BG\(_{2}\)组成的复合管饱和导通,灯泡DZ1闪亮。BG\(_{3}\)、BG4与DZ\(_{2}\)等组成另一路马眼闪烁电路。此两路电路的触发端分别与梆声电路和板声电路的触发端相连,以实现DZ1与DZ\(_{2}\)交替发光。
DZ\(_{1}\)、DZ2可选用3.8V的小灯泡,因电流较大,BG\(_{1}\)、BG2及BG\(_{3}\)、BG4要求选用中功率三极管如3DK4、CS9013等均可。电路中K\(_{1}\)、K2采用摇动式或轻触式开关,如水银开关及自制的摆动式开关。为消除因开关的抖动所产生的多次触发,电路中加了一级由F\(_{3}\)、F4组成的双稳态R-S触发电路。并分别通过F\(_{1}\)、F2整形后供给四个触发端。IC\(_{1}\)选用74LS00,这是2输入端四与非门。
电路的第二部分为马叫电路。晶体管BG\(_{7}\)是个电子开关,它导通时,BG8的电源电路才接通,电源向C\(_{17}\)充电,由BG8与L\(_{3}\)、C16等组成的Lc振荡电路起振,产生500Hz左右的音频振荡;当BG\(_{7}\)截止时,C17放电,BG\(_{8}\)管上电源电压逐渐降低,振荡频率降低,直到停振,出现变调效果,以模拟马叫声。电路中L3可采用普通小型输出变压器。调整时,将8欧姆扬声器直接接变压器的输出端,调整W\(_{1}\),使其音调适度。
BG\(_{7}\)电子开关的通与断是受F5,F\(_{6}\)所组成的超低频振荡器来控制的。F7的作用是整形、D\(_{5}\)作用是当F7输出低电平时,使BG\(_{7}\)可靠截止。此振荡电路通过BG7每5秒钟向马叫模拟电路供电一次,使马叫电路每间隔5秒钟工作一次,并通过隔离电阻R\(_{21}\)与梆声、板声电路的音频输出汇总输入功放电路。调整W1,使其音量与梆声、板声电路的音量接近,使整个音响输出达到最佳效果。IC\(_{2}\)选用74LS04,这是六反相器。
电路的第三部分为功率放大电路,在安装无误的情况下,功放电路无需调整就可正常工作。玩具的主体摇马可自己制作。(吴宁 何天浩)