目前青少年视力下降现象比较严重,其主要原因之一是青少年在阅读写字时,环境光线照度太弱。根据国家教委和卫生部的有关规定,阅读书写时,环境光线照度应不低于100lx(勒克斯)。这里介绍一个测光电子小制作,当光线照度符合要求时,绿色发光二极管亮;光线低于标准照度时,红色发光二极管将发出阵阵闪光,以示警告。
电路原理
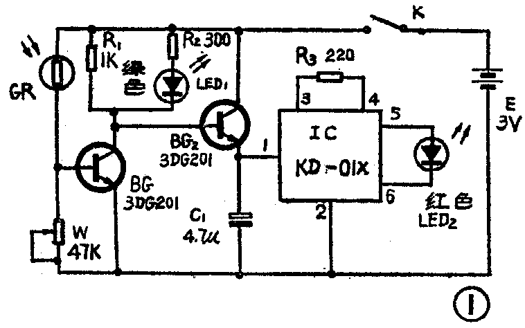
测光器电路见图(1)。GR是光敏电阻器,它与电位器W构成分压器,分压点接在BG\(_{1}\)的基极。当环境光线较强,GR阻值变小,分压点即BG1的基极电位上升,BG\(_{1}\)因此而导通,绿色发光二极管LED1通电发光,此时BG\(_{1}\)集电极为低电位,BG2截止。闪光集成电路IC得不到电源不工作,红色发光管LED\(_{2}\)不亮。

如果环境光线较暗,GR阻值变大,BG\(_{1}\)基极电位下降,BG1由导通变为截止。LED\(_{1}\)停止发光。这时BG1集电极输出高电位,BG\(_{2}\)由R1获得正向偏流而导通,IC即接通正电源,闪光集成块开始工作,红色发光二极管LED\(_{2}\)就会发出醒目的阵阵闪光,提醒你光线太暗已不宜继续学习。
调节电位器W,即可改变分压比,以便将测光器的转折点调整在1001x的标准照度上。
元器件选择
IC是专用闪光集成电路,型号为KD-01X。它采用黑膏软封装,硅晶片用黑膏封装在一块直径为φ22mm的小印制线路板上(见图(2)),印板上开有4个小圆孔,3、4孔用来插焊电阻R\(_{3}\),5、6孔用来插焊发光管LED2,1、2点焊盘分别为电源的正极端和负极端。该芯片闪光频率有1.2Hz和2.4Hz两种,每种频率都是由芯片内电路振荡电阻决定,外界不可调。它的工作电压范围较宽为1.35V~5V,静态功耗很小,3V电源时,静态电流<2μA。R\(_{3}\)是发光管LED2的限流电阻,一般可取值220欧姆。

BG\(_{1}\)、BG2可用普通3DG201型等硅NPN小功率三极管,要求β≥100。LED\(_{1}\)、LED2可分别采用圆形绿色和红色发光二极管。
GR为MG45型非密封型光敏电阻器,暗阻和亮阻相差倍数愈大愈好。W可用卧式微调电位器,R\(_{1}\)~R3均为1/8W型碳膜电阻器。
安装和调试
左下图是测光器的印制电路板图,印制板尺寸为60×35mm\(^{2}\)。

R\(_{3}\)和LED2直接插焊在IC的小印板上,将IC固定在自制印板上,接好电源线①、②。其它元器件均安装在自制印板上,最后制作一个合适的外壳,并在对准光敏电阻器GR的地方,开一个透光小孔。
调试:将测光器置于100lx标准照度下,W阻值由大逐渐调小,调试开始时LED\(_{1}\)应发光,LED2不发光。在W逐渐调小时,调到某一位置上,LED恰好熄灭,LED\(_{2}\)恰好闪闪发光。保持W不变,增大光照,LED1应发光,LED\(_{2}\)不亮;减弱光照,LED1熄灭,LED\(_{2}\)发出醒目的闪光。此时认为W已调好,可用火漆封固电位器W,使它不再变动。
100lx标准照度可由下法确定:用15W白炽灯泡为光源,在灯泡正下方0.3米处照度约为100lx。注意,调整时周围不准有其它光源干扰,否则100lx照度不标准。(陈有卿)