微型音乐烛光灯
当夜晚独自欣赏音乐的时候,要是身边有一组随音乐闪烁的彩灯的话,定会增加乐趣。下面介绍的用电池供电的音乐烛光灯,既使在野外,也可替你驱赶寂寞。音乐信号(数百毫伏至数伏)经W\(_{1}\)适当衰减后加至BG1、BG\(_{2}\)组成的直耦放大级,而后经二极管D1和33μF电容等整流滤波后加至BG\(_{3}\)、BG4组成的开关电路,控制着小灯LI随音乐闪动,似一点若隐若现的烛火。W\(_{2}\)控制开关电路的灵敏度,配合调节W1可使LI时时体现出音乐的节奏。LI为2.2V/0.25A的手电筒电珠,图中其余元件无特殊要求。

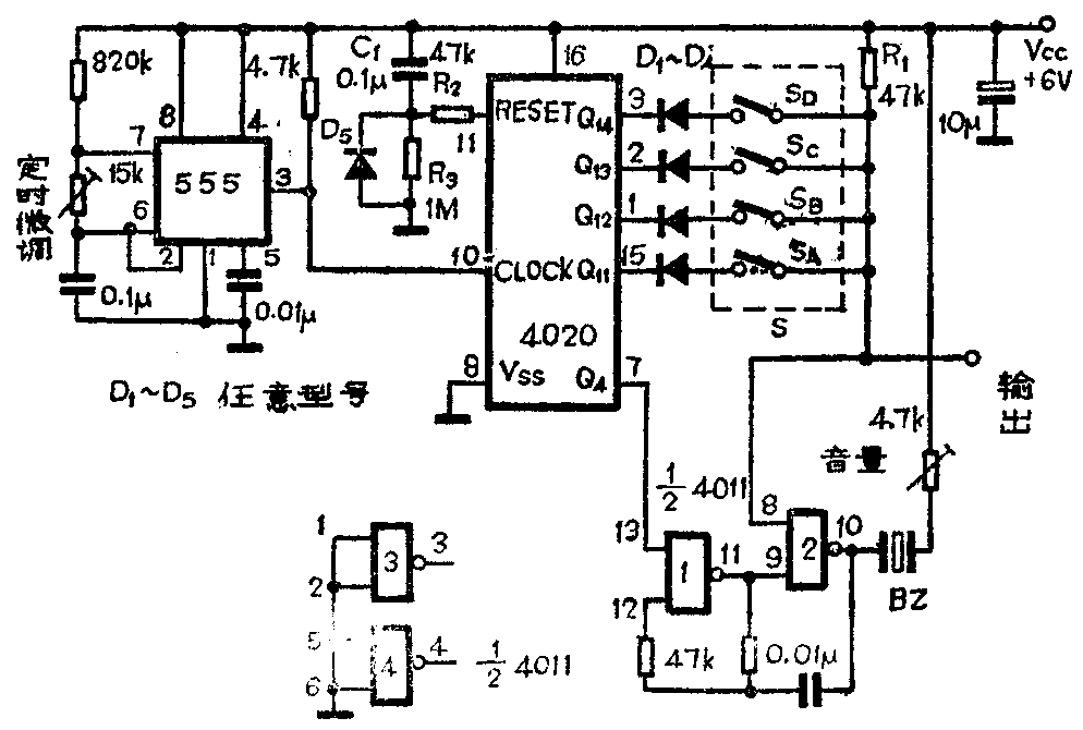
1~15分钟电子定时器
如附图所示,本定时器选用一只BCD打码开关作为定时设定开关,以高精度时基电路555和14级二进制分频器4020为定时元件,制成的定时器具有精度高,操作简便,输出明显等优点,且电路设计巧妙,实用性强。

555时基振荡在17Hz左右,先经4020的前10级1024分频后得到分钟的时基,而后Q\(_{11}\)至Q14等4级的输出将按BCD码由O变至F,此输出再经D\(_{1}\)~D4、R\(_{1}\)和S组成的与门控制由与非门1、2组成的音频振荡器。例如将S置于“6”位置,则SCS\(_{B}\)接通。开机后D5、R\(_{2}\)、R3、C\(_{1}\)等先令4020复位,Q13、Q\(_{12}\)为低电平,音频振荡器停振。6分钟以后,Q13、Q\(_{12}\)均为高电平,音频振荡器起振,并被Q4输出的约1Hz信号调制,使BZ发出断续易闻的蜂音。
1.5V调频无线话筒
如附图所示电路的调频(FM)无线话筒只需一节1.5V电池供电即可正常稳定地工作。使电路稳定可靠的主要原因是:有一级带反馈的音频放大级,使调制信号大且稳定;一级射频射极缓冲器,使天线变动对振荡级的影响减至最小;在振荡和输出级增加射频阻流圈并使用小容量的射频耦合电容。图中的LC回路参数可依所选工作频率设计或选用成品线圈。

宽带射频前置放大器
实现线性射频放大器有两种方法:一是采用线性有源器件;二是采用非线性有源器件加负反馈。附图所示电路使用的是第二种方法。这个共基极的射频放大器使用了一只莫托罗拉公司的UHF频段A类功放管ZN5109做有源器件,负反馈是通过射频变压器TR实现的。电路的输入、输出阻抗均为50Ω,增益约9.5dB,噪声系数2至3dB。电路中的射频变压器TR绕在FT37—75型铁氧体磁芯上,输入端绕1匝,输出端绕5匝并在3匝处抽头。若有寄生振荡,可增加虚线所示R\(_{3}\)、C5网络。在中、低功率输出场合,此电路可直接当输出级使用。(以上均为子睚编译)
