目前录象机集成电路的内部资料甚少,并且价高难买,给修理带来一定的困难。在维修中我发现有些内部功能比较简单的集成电路,通过了解其工作原理是可以修复或用分立元件组成的电路代换,下面例举两个实例。
例1:一台日立牌VT-426E型录象机,开机后约3秒钟电源自动保护,经检查,发现电源稳压集成电路STK-5372H的第⑤、⑥脚电压异常,分别为24V和23.1V,正常时这两脚电压分别为12.1V和13.2V,并且第⑥脚的电压随第⑤脚的电压变化而变,两脚的差值始终保持在1V左右,STK-5372H的内部方框图如图1所示,从上述现象看很可能是第⑥脚内部的12V稳压控制电路有故障,试在第⑥脚与地之间加接一只13V的稳压二极管(如图1中虚线部分),第⑤脚的输出电压恢复为12V,故障排除。

此故障还有一种修理方法,将第⑥脚的输入线断开不用,将第⑦脚的输入线断开,改接在一个附加的三端稳压集成块7812的输入(IN)端上,7812的输出(OUT)端接在第⑤脚上,如图2所示。根据实测,在录象机工作时,12V稳压电流最大为1.3A左右,而7812的输出电流最大为1.5A,功率余量不够,因此,最好用两只7812并联使用,7812可安装在原散热板上。

例2:一台三菱牌HS-306HD录象机,每次录、放时,开始正常但经10多分钟后主导马达就出现时转时停现象。经检查,马达完好,主导马达两端的电压时有时无,怀疑该马达的驱动集成电路有问题,有关电路如图3所示,图中各引脚的电压为录、放时的数值。这部分电路的工作原理是:当主导马达未工作时(如按下“停止健”时),由微处理器送到Q\(_{5A8}\)、Q5A9输入端的是高电平(9V),此时这两管饱和导通,集成块⑦脚、②脚为0V电压,连接于主导马达的③、⑥脚也为0V,故马达停转。当按下录、放键时,Q\(_{5A8}\)输入为低电平(0V),Q5A9仍保持高电平,此时Q\(_{5A8}\)为截止状态,⑦脚电压为4V,⑦脚的电压是由电源11.1V经R5B8降压同时受伺服信号AFC、APC控制得到的,⑥脚为3.1V,③脚为0V,马达为正转。当按下快进键时,马达也是正转,由于此时AFC、APC停止作用,⑦脚电压为8.4V,是由电源11.1V经R\(_{5B8}\)降压而形成的,⑥脚为7.6V,③脚仍为0V。当倒带时(快倒时),Q5A9输入为低电平,而Q\(_{5A8}\)输入为高电平,Q5A8为截止状态,电源电压11.1V经R\(_{5B9}\)降压后使②脚电压为8.5V,③脚为7.5V,⑥脚为0V,马达反转。

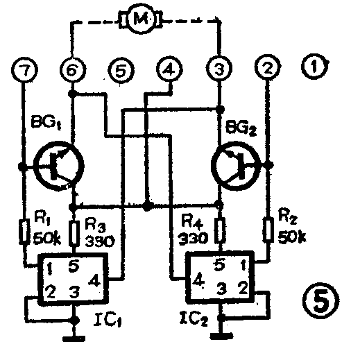
从以上工作原理得知:马达的驱动电流分别受⑦、②脚控制,马达的转向分别受⑥、③脚控制,该集成电路的作用实际上是两个功率放大器和两个电子交换开关,因此,STK—6962的内电路可设想为图4所示结构。根据这个想法,我用分立元件设计一个电路来代替STK—6962的作用,具体电路见图5。这个设计电路的工作原理是:当按下录、放键或快进键时,⑥脚电压为4V,BG\(_{1}\)导通,由发射极输出驱动电流经原⑥脚焊点,接通马达,同时,IC1开关的③、④脚接通,使原③脚焊点为0V电压,马达正转。同理,当按下倒带键时,原②脚焊点的电压为8.5V,BG\(_{2}\)导通,由发射极输出电流至原第③脚焊点,接通马达,同时,IC2开关的③、④脚接通,使原第⑥脚焊点为0V电压,马达反转。


元件选择及注意事项:BG\(_{1}\)、BG2选用To-200型封装的大功率管MJE3055,也可以选用V\(_{CBO}\)≥60V,ICM≥5A,P\(_{CM}\)≥50W的其它To-200型封装管,如2SD768、2SD812、2SD970、2SD1024等,采用To-200型封装管的目的是这两个管子刚好能安装在原集成电路的散热板上,并且管子与散热板间要加簿云母片绝缘。IC1、IC\(_{2}\)选用大功率开关集成电路TWH8751(有关使用说明详见《电子报》1987年28、29期第2版),可安装在BG1、BG\(_{2}\)散热板的两端,与散热板不需要绝缘。R1、R\(_{2}\)分别为IC1、IC\(_{2}\)输入端的降压电阻,其阻值为50k,在选择时不宜过大或过小,过大则输入信号不够,过小则增加⑦、②脚信号的分流损耗。R3、R\(_{4}\)分别为IC1、IC\(_{2}\)的工作降压电阻,其阻值为330Ω,在选择时也不宜过大或过小,过大则达不到集成块内设6V稳压要求,过小则增加电源损耗。(万杰英)