随着数字集成电路技术的快速发展,使一些数字电路得以广泛应用,数控装置正在逐渐取代模拟元器件。特别是在一些遥控装置中,采用编码计数的方式对模拟量进行多级增减量控制是非常方便的。现在常用的是多级模拟开关方式,其不足是控制等级不能很多,若要实现几十个等级,电路将会非常复杂以至于无法实现。本文介绍一种用数/模转换芯片DAC0832构成的高精度数控电位器,受控电压的等级可达256级,并且外围电路非常简单。
工作原理
D/A芯片的功能是将输入的数字量转换成与其成比例的模拟量,输出模拟量的大小随输入数字的不同而变化。对于8位数据输入的D/A芯片,其输出模拟量可有2\(^{8}\)=256个不同等级。输出与输入的数字关系可用下式表示:
V\(_{OUT}\)=VREFR\(_{REF}\)R0(D\(_{7}\);2\(^{1}\)+D622+D\(_{5}\);2\(^{3}\)+D424+D\(_{3}\);2\(^{5}\)+D226+D\(_{1}\);2\(^{7}\)+D028)
式中D\(_{0}\)~D7是输入的二进制数据“1”或“0”,
V\(_{REF}\):参考电压,
R\(_{REF}\)、R0:参考电阻,为常量。
当D\(_{0}\)~D7取不同值时,输出电压V\(_{OUT}\)与参考电压VREF的关系示于下表(此处取R\(_{REF}\)=R0=1)

从表中可见,输出电压V\(_{OUT}\)随D7~D\(_{0}\)的取值不同成比例变化。如果我们用模拟输入信号V1取代参考电压V\(_{REF}\),则建立起Vi与V\(_{OUT}\)的比例关系,且该比例受控于D7~D\(_{0}\)的取值。这恰好构成一个数控电位器,且控制电压等级达256级。
DAC0832性能及管脚介绍
DAC0832是一个8位数据输入的数/模转换芯片,电源稳定时间为1μs,功耗20mW,单电源为+5V~+15V。
管脚分布及功能如图1所示。

D\(_{0}\)~D7:8位数据输入端
I\(_{OUT1、2}\):模拟电流输出端IOUT1+I\(_{OUT2}\)=常数
ILE:允许数据输入锁存端
CS-:选片端
WR-\(_{1、2}\):写信号1、2
XFER-:传输控制信号
R\(_{fb}\):内部电阻,为外接运放提供反馈,以输出适当的电压。
注意:DAC0832的模拟输出量为电流信号,必须再接一级运放,将其转变为电压输出量。
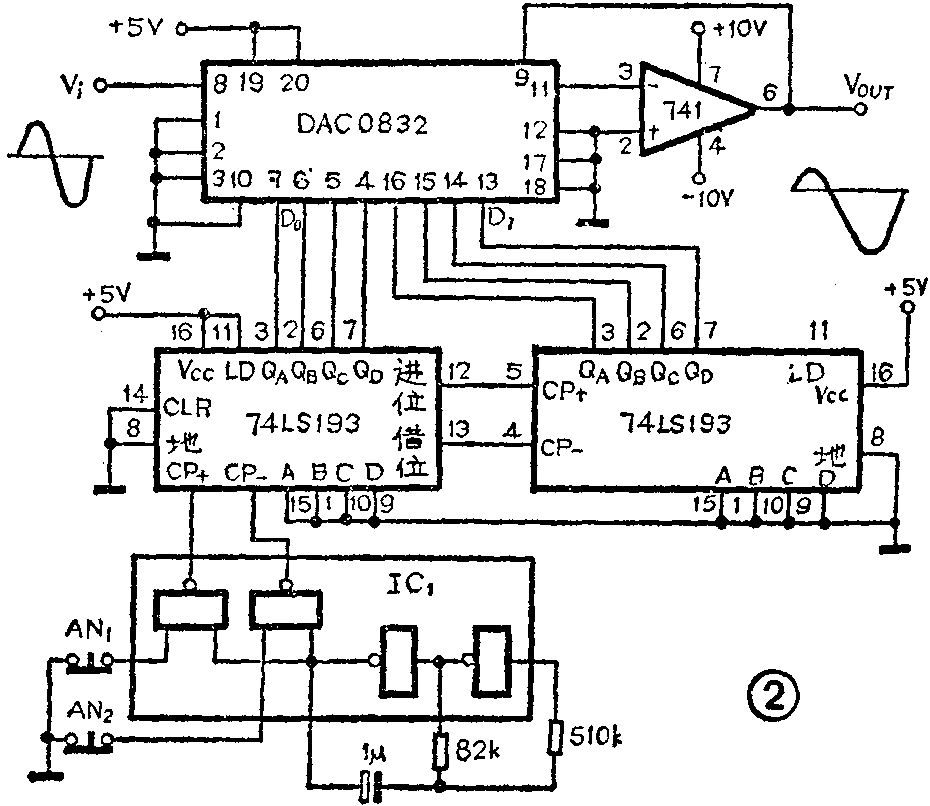
实际线路图

设电位器的具体接线图如图2所示,它主要由方波发生器、8位二进制可逆计数器和D/A转换器组成。IC\(_{1}\)(74LS01四2输入与非门)同时完成方波信号产生及加/减计数控制。按下AN1,计数器工作在加法计数状态,输出电压增加。按下AN\(_{2}\),计数器工作在减法计数状态,输出电压减小。AN1、AN\(_{2}\)均不按,计数器保持原数据,输出电压不变化。8位计数器是由两块74LS193组成。DAC0832的参考电压VREF(即输入模拟电压V\(_{i}\))的动态范围为±10V,而输出电压VOUT的动态范围要视集成运放741的电源取值而定。为方便,741可用单极性电源供电,但要注意输入信号的极性。(沙毅)