本文介绍一种适合于目前新建楼房中使用的照明灯控制器。该控制器能通过安装在每层楼面上的按钮来控制各层的楼梯照明灯(最高四层)。该控制器的优点是,上一层(或下一层)楼面的开灯按钮可关闭下一层(或上一层)楼面的照明灯,每一层上的关灯按钮可将四层楼面上的任一照明灯关闭。这样,在晚上上下楼时,便可逐层开灯并关闭下(或上)一层楼的照明灯,使用非常方便。
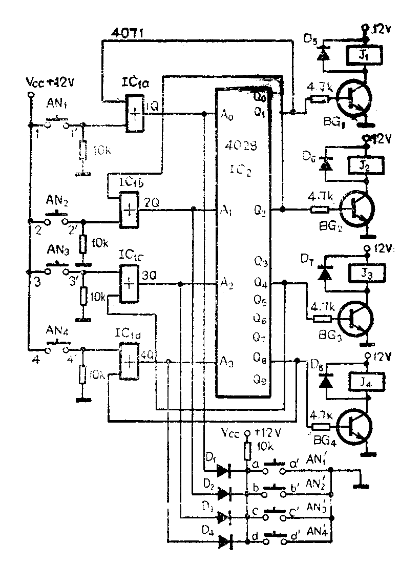
控制器电路见附图。其中IC\(_{1}\)为二输入端四或门4071,IC2为BCD—十进制译码器4028。J\(_{1}\)~J4可选用直流12伏小型继电器,D\(_{1}\)~D8为小功率维整流二极管BG\(_{1}\)~BG4选用常见的3DG12,β值60~100为宜。

电路中的IC\(_{2}\)对输入的四位BCD码可在其10个输出端中的任一端对应输出一高电平,例如当A3A\(_{2}\)A1A\(_{0}\)为0100时,在Q4输出一高电平。本电路选用该译码器并不意在进行BCD至十进制数的转换。从图1可见,在输出端只用了Q\(_{8}\),Q4,Q\(_{2}\)和Q1四根线。例如,当按一下装在一楼的开灯按钮AN\(_{1}\)时,电源电压在10K电阻上的压降,使或门IC1a一个输入端为高电平,从而使IC\(_{1a}\)的输出1Q为高电平,这就使IC2的Q\(_{1}\)输出为高电平,该端一方面使BG1饱和导通,J\(_{1}\)得电,通过触点接通一楼的照明灯,另一方面回送到IC1a的输入端,以使Q\(_{1}\)的高电平状态稳定下来(亦可称自锁)。现如人上到二楼,再按一下装在二楼的AN2,按下的瞬间,IC\(_{2}\)的输入A0\(_{1}\)均为高电平,这时按BCD逻辑应该Q3为高电平。但由于此时Q\(_{1}\)已下跳到低电平,又使IC1a的1Q即刻下跳,J\(_{1}\)稀放,一楼灯灭。此时只有A1为高电平,这样,Q\(_{2}\)出高电平,它一方面使J2得电,接通二楼的照明灯,另一方面又实现了自锁。当然,AN\(_{3}\)和AN4的按下也将以同样的过程来点亮本层楼照明灯而关闭其它接面的照明灯。
AN\(_{11}\)~AN41为分别装在各层楼面的关灯按钮,在不按它们时,由于隔离二极管D\(_{1}\)~D4的作用,1Q~4Q的高或低电平状态均不受其影响。当按下任一AN\(_{1}\)后,它使A0\(_{3}\)全为低电平(约0.7伏),这就使IC2和Q\(_{0}\)~Q9输出全为低电平。几层楼的灯都熄灭。
电路调试时,先可不接入晶体管,分别依次按AN\(_{1}\)~AN4,用万用表测IC\(_{2}\)的Q1,Q\(_{2}\),Q4和Q\(_{8}\)端电位,如不合要求,多半是IC1或IC\(_{2}\)有问题,这时可调1Q,2Q,3Q和4Q来判断IC1是否坏。(沙建军)