声控电风扇变速比起其它遥控方式更为方便,它无需携带任何遥控装置,只要击掌或吹口哨即可遥控电扇的风量及停机。
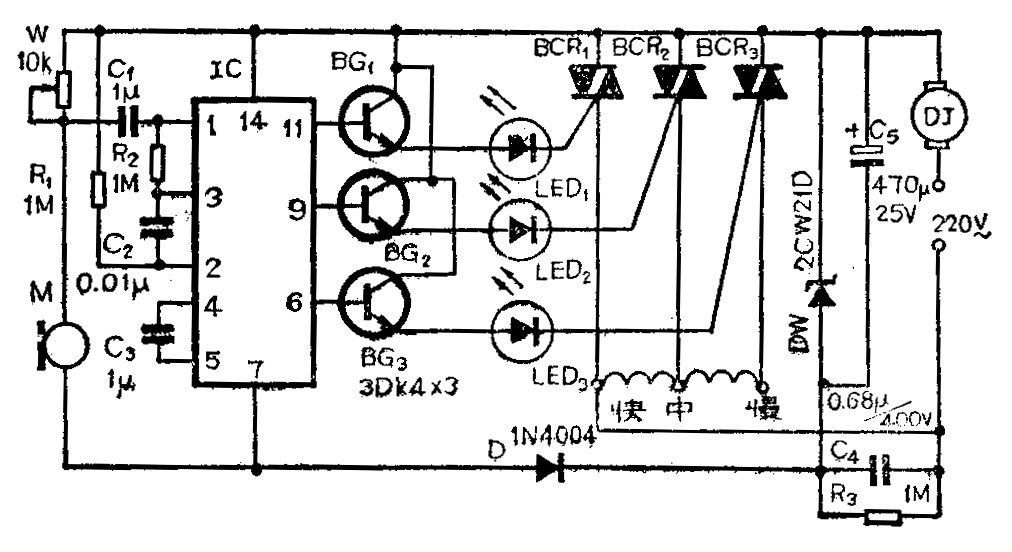
该装置电路见附图,声控集成电路IC具有四种输出状态,输出端11、9、6脚依次为高电平,第四种状态时几种输出端同时为低电平。当话筒M受到第一声响时,产生的脉冲电压经C\(_{1}\)耦合至IC1脚,进入内部放大器及逻辑电路,使IC11脚输出高电平,BG1正偏导通,LED\(_{1}\)亮,BCR1导通。由于BCR\(_{1}\)的T1极直接与电源相连,故加在电风扇电机DJ上的电压最大,风扇处于“强风”状态。当第二次声响时,IC9脚输出高电平,故BG\(_{2}\)正偏导通,LED2发光,BCR\(_{2}\)导通。由于BCR2的T\(_{1}\)极接变速线圈的中段,使得电风扇处于“中风”状态。第三次声响时,IC的6脚输出高电平,BG3正偏导通,LED\(_{3}\)亮,BCR3导通。由于BCR\(_{3}\)的T1极接变速线圈的末端,故电抗最大,风扇处于“弱风”状态。当第四次声响时,IC的11、9、6脚均输出低电平,BG\(_{1}\)~BG3均截止,BCR\(_{1}\)~BCR3均关断,风扇停止。

IC的4、5脚接选频电容C\(_{3}\),可在0.1μ~10μ之间选取,由声源频率决定。BCR1~BCR\(_{3}\)可选3~6A、400~600V的塑封双向可控硅。DW为功耗1W以上的稳压管,电压6~9V均可。L为普通电风扇内的电抗器。安装时要分清电抗器的接及电源的火线与零线,原电风扇定时开关宜作为总开关使用。电路焊好后,调整W使M两端电压稍高于电源电压的1/2,此时声控灵敏度最高,有时为了增强抗干扰能力,可将灵敏度调低些,声控距离一般为3~5米左右就可以了。(陈国华)