测量信号的处理放大与传送显示
传感器输出的信号还要加以适当方式的显示或按一定的要求传送到指定的接收部件(如计算机),才能成为向外界提供的信息。传感器输出的数据信号往往是微伏级或毫伏级的,为满足传送和显示部件或计算机(A/D变换器)对输入信号的信噪比、满量程幅度等的要求,要对数据信号进行一系列处理常用的处理手段为变换(如调制解调,V-I变换,f-V变换)和整形(包括放大、限幅、滤波等),线路结构上大量采用的是以放大为中心手段以其它必须的处理为辅的综合方式。
对处理的基本要求是满足量程需要,不失真和去除已有干扰并且不引入新的干扰。处理放大与传送显示的工作框图如图1。一般讲,经过测量电路的转换,由传感器输至放大电路的都是电压信号(U\(_{1}\)),数字显示和计算机装置所需的信号亦是电压信号(U2),只是U\(_{1}\)为10\(^{-3}\)~10-6伏,U2一般为10\(^{-}\)1~101伏,放大器的放大倍数K=U\(_{2}\)/U1=10\(^{3}\)~107。除满足量程要求外,放大电路要有尽量低的共模干扰和噪声、时间和温度漂移。常见的实用放大器有如下形式:

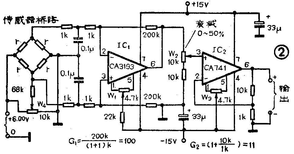
通用低漂集成运算放大器:这类集成运放一般都还兼有低噪声和高共模抑制比(CMRR)的性能。象AD517、CA3193’OP07、OP37、ICL7650/7652等型号的芯片都可选用。图2所示电路由一级差动输入的CA3193和一级CA741同相输入的放大器组成,调整W\(_{2}\)可得到500~1000倍的增益,输出可供8位A/D转换芯片正常工作。

测量放大器:传感器在复杂条件下工作,它的输出信号中往往有很强的共模干抗。要提高放大器抑制共模干扰的能力,可将信号源直接加到放大器高阻的差动输入端,测量放大器就是按这个主要要求设计的。AD521/522就是典型的测量放大器集成电路,其基本连接方法见图3,AD公司提供的AD522在典型测量电桥电路中的应用见图4。由图3可见,测量放大器的输入端直接与测量信号相接(仅对输入信号的差值进行放大),增益由专门设置的电阻R\(_{S}\)和RG调节(增益G=R\(_{S}\)/RG),此外它有专门的输出端子0测量端)和参考端),使用时要注意0直接引至负载R\(_{L}\)两端的0,分别与放大器的“OUT”端和“地”连接。AD522还特地引出了数据屏蔽端,可进一步降低外界杂散电场对输入信号的干扰;并实现单电阻(RG)增益调整(省略了外接R\(_{S}\))。在没有现成的测量放大器IC时,可用3块精密运放IC组成一个测量放大器,图5是接线原理。



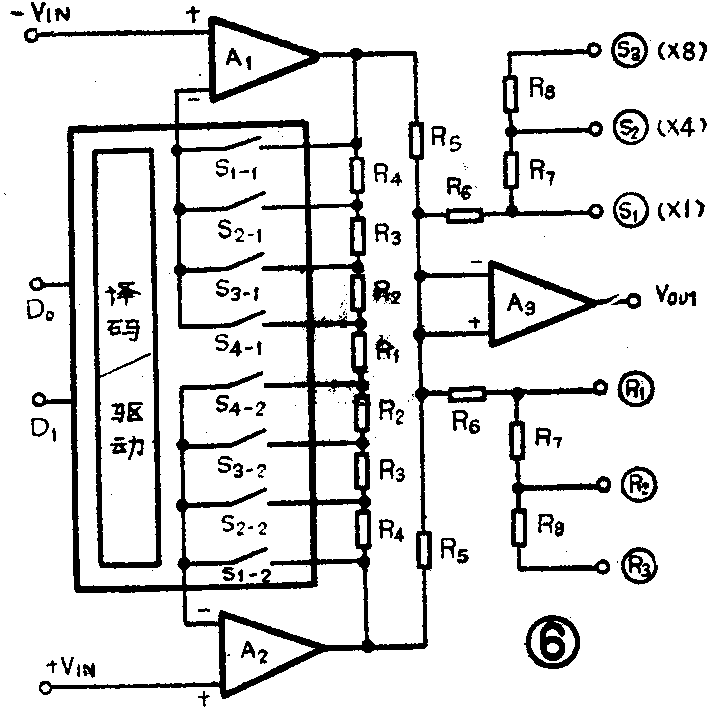
可编程增益放大器(PGA):由于数字系统A/D变换的输入量程是固定的,当传感器的输出变化范围较大时,用固定增益的放大器就显得不理想了。在测量放大器和计算机控制的基础上,现已有一种增益可根据需要由程序进行控制的可编程增益放大器(PGA)投入实际使用。AD公司已推出LH0084 PGA IC。图6是LHO084原理图。实际上它是由一个数字控制的双四通道开关网络和测量放大器组成的。开关网络根据程序给出的两位二进制控制命令(D\(_{0}\),D1)切换电阻,达到改变“R\(_{G}\)”的目的,取得改变增益的效果。此外,为适应增益变化范围更大的要求,LH0084在输出端有3对可供选择的12子,选择不同的端子对,即可选择A3级的不同增益,可再获得一次有3种选择的改变总增益的机会。当然,这3对端子的选择在LH0084内部是不能由程序命令控制的(但可用附加开关网络的办法由程序控制)。综合以上的措施,LH0084就可由程序控制获得最多12种不同增益。用PGA技术很容易做到数字仪表的自动量程切换,使仪表具有初步的智能。

隔离放大器:对有些工业和生物医学量的检测,传感器输出的信号极微,很容易被通过地回路、静电或电磁耦合回路引入的噪声所干扰;有时出于安全的考虑,还要求传感器与放大电路或电源部分之间有一定的隔离能力。解决这个问题,最好是将放大器加以浮置和静电/电磁屏蔽。现已有按上述要求生产的IC模块,称之为“隔离放大器”,其基本功能如图7所示。目前已投入市场的有AD公司的Mode1277/288/289和AD293/294系列。288没有电源部分,它要由专用的隔离电源驱动器向输入和放大部分供电,驱动器可用Model947/948,一个驱动器可提供多至8路独立的驱动电源,AD293/294的设计特意考虑了生物医学量的检测放大。

以上列举的都是对静态或准静态信号进行处理的放大器,对于动态信号。在放大器的漂移、静/噪声等方面的要求相应可放松,交流放大器的技术相对较成熟,这里不再详述。以下再简介几种特殊形式的测量信号的处理放大方法。
电荷放大器:在振动和冲击测量中,广泛采用压电加速度传感器,它输出的是电荷信号,要用专用的高输入阻抗电荷放大器来处理放大。这类放大器由仪器厂以成品型式供应,输出方式有电流和电压两种,可根据信号的显示(记录)和处理设备的要求选用。选用时还要注意测量信号的频率范围与传感器及放大器的上、下限频响是否匹配。
电压——电流转换模块:这是一种具有放大和转换功能的IC模块。它将输入的弱电压信号放大后以电流信号的形式输出。在要将现场测试信号传送到较远处集中控制的使用要求下,用有恒流源特性的电流传送信号可适应传送线路高阻及阻抗变化的情况,可减少杂散电压信号干扰的机会。为此,可将这种模块与现场传感器设置在一起,由模块将传感器输出的电压信号加以放大转换后以电流信号的形式向外传送。这类模块的输出电流有0~10mA和4~20mA两种。在显示或控制端(除特殊配套的电流显示仪表外)一般用让电流信号流经精密电阻网络取出信号电压的方式供数字电压表或A/D转换用。
频率信号的处理:有些传感器(如钢弦式传感器)是输出频率信号的。频率的显示可用专用的频率表,也可选用一定精度的“频率——电压”转换模块变成电压信号后用(数字)电压表显示。对于要用计算机处理的频率信号,可以将该信号通过适当接口(如Z80CTC),并利用接口的计数功能将频率变成数字量后进入计算机处理。这种处理方式线路简单,频率信号有在传送过程中不易受干扰的特点。Z80CTC接受计数的输入频率应略低于计算机主频的一半。
测量信号的远距离传送是实现集中控制所要求的,传送中应尽量避免测量信号受到衰减或干扰,上述的电流传送和频率传送技术优点都是明显的;当电压信号传送不可避免时,应采用在传感器附近进行信号预处理放大后以高电平的方式传送,研制高指标、小型化的处理放大器,采用测量电路与处理放大电路功能合并的新颖设计和制造工艺,建立标准化的测试信号输出电压值系列,都将成为提高测量信号的处理放大和传送显示质量的有效途径。(梁建宁)