本文介绍几种音乐驱动电路,它们非常适合初学者动手制作。通过制作,不仅可以学习一些电子技术,而且还可将这些电路用于日常生活中。
一、开关转换器
电路原理见图1,虚线内为软封装的KD9300音乐集成电路。电路中的BG\(_{1}\)和R2均在软封装的印板上。R\(_{2}\)用来调节乐曲演奏速度,阻值越大则速度越慢(若在软封装内有调速电阻则R2不要安装)。BG\(_{1}\)与BG2组成复合放大管,把音乐信号放大后驱动扬声器放音。BG\(_{3}\)、R1与干簧管j\(_{1}\)组成开关转换电路。把干簧管j装在门框上,把磁铁装在靠近干簧管的门边上。这样,当有人开门时,磁铁离开干簧管,j1接点断开,BG\(_{3}\)导通,e极为正电位2.8V,它触发音乐集成电路,使扬声器 发声;关门时,干簧管接点闭合,BG3的b极为负电位,BG\(_{3}\)截止,触发端“3”上为 0V,音乐集成电路无信号输出,扬声器不发声。图1电路可作报警器用。若将1、2点接上按钮,又可作呼叫器用。图2为它的印刷电路板。若电路焊接无误,接上电源,测量BG1的b极电位为0.8V,BG\(_{2}\)的b极电位为1.3V,e极电位为1.8V,此时只要把BG3的c与e接通一下,就会又发出音乐声,这时BG\(_{3}\)的b极电位为0.8V,当j1接通,BG\(_{3}\)的e极电位为0V。


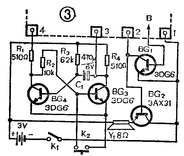
二、定时发音器
电路见图3,其中BG\(_{3}\)、BG4组成单稳态电路。当K\(_{1}\)开关接通后,BG3导通,此管C极为0.6V左右,不能触发音乐电路;当按一下K\(_{2}\),即给1个触发信号,有一个暂稳状态(BG3截止),这时BG\(_{3}\)的C极电位为2.8V左右,这时音乐电路有信号输出,直到BG3还原为导通为止,暂稳时间由R\(_{3}\)、C1决定。根据公式T≈0.7R\(_{3}\)C1(式中R\(_{3}\)的单位为KΩ、C1的单位为μF),可求得一定电阻、电容值,以达到预定延时时间。图3中BG\(_{3}\)、BG4应选β>30的配对管。此电路可使用在工厂流水线上或统计流速时用。

三、间隔放音器
电路见图4。BG\(_{3}\)与BG4管与其他元件一起组成无稳态电路。当K\(_{1}\)闭合后,BG3的C极电压在0.7~2.7伏间间隙变化,使放音亦能间隔进行。放音时间T\(_{1}\)≈0.7R2C\(_{1}\),间隔时间T2≈0.7R\(_{3}\)C2,它是依靠电容充放电自动周期地翻转,以达控制目的。BG\(_{3}\)、BG4管应选用β>30以上的配对管。此电路可作长途电话接通时的显示呼叫器,及危险区请勿靠近等方面作告警器。

四、光敏、热敏放音器
电路原理见图5。图中D\(_{1}\)为锗二极管作为热敏探头,当D1受热(50℃以上),反向电阻明显变小,使BG\(_{4}\)导通,此时BG4的e极为正电位,约0.8V,BG\(_{3}\)的e极为2.2V,这样可触发“3”端,使集成电路输出音乐信号进行报警。若把D1换成D\(_{2}\)(玻璃三极管),当受到光照时,e、b间电阻变小,使BG3、BG\(_{4}\)导通,发出音乐声作为报警。上述电路可应用在室温突然上升或受到强光照射时,发出音响报警。

五、声响、触摸放音器
电路原理见图6。BG\(_{3}\)与R1组成单级放大器。R\(_{1}\)阻值大、BG3处于截止状态,HT为直径27mm的压电陶瓷片。当HT片上传入声波时,BG\(_{3}\)导通,此管e极为正电位2.2V,它触发音乐集成电路输出信号。把A点、B点与HT断开,用手触摸A点时,亦能使BG3导通。声响电路可用于值班控制室,触摸电路可安置于危险禁区前沿,一旦触摸即发声,告之勿向前。(郑祥泰)
