遗物报警器又称遗忘报警器、母子机、亲子机等,主要用来防止贵重物品被窃与遗失及年幼儿童走失迷路等。整个报警器由发射机、接收机两部分组成,体积很小。发射机装在放贵重物品的箱、包中或挂在儿童身上,接收机则置于使用者口袋中。当接通电源后,发射机发出的信号被接收机接收,报警器不报警;一旦贵重物品或儿童离开使用者数米至十数米(具体距离视发射机功率而定并可调),则接收视接收到的信号减弱,进而使接收机中的蜂鸣器鸣响,提醒使用者其贵重物品或儿童已不在身边。此类遗物报警器在国外使用得很普遍,发射机工作频率多选在VHF、UHF波段。由于国内尚无遗物报警器成品出售,故这里介绍一下它的自制方法。因为自制VHF、UHF波段的遗物报警器时很难兼顾灵敏度、频率稳定性、成本等,且不易调试,所以文中介绍的电路以CIC7642为核心,工作于中波波段。CIC7642与YS414等类似,均为高灵敏度直放式AM接收IC,其性能参数和应用详见本刊1988年10期14页。
发射机电路
遗物报警器所需的发射机对输出功率要求不高,但要求较高的长期频率和输出功率稳定度,较低的耗电。其实用电路除88年11期15页图7介绍的典型双管等幅振荡电路外,下面再给出两个实例。例1如图1所示,为一个双管振荡器,输出未被调制的等幅正弦波,其中BG\(_{1}\)、BG2采用直接耦合方式并通过其公共的发射极电阻形成正反馈以产生振荡。该电路的特点是所用元件极少,振荡线圈无需抽头,工作非常稳定,工作电压范围宽等,并且其输出功率极易通过R\(_{1}\)调节。图1电路的工作频率从数百kHz至数百MHz均可,且仅决定于LC回路。当工作于中波波段时,BG1、BG\(_{2}\)可使用任何型号的硅小功率NPN管。实作时,只要接线无误,即可起振,其振荡强度可视需要,通过R1调节,R\(_{1}\)同时决定了电路的工作电流。例2如图2所示,为一个以CMOS反相器为核心构成的发射机电路,本电路具有工作频率稳定、可靠性高、输出功率值可变等特点。由图可知,由1/2CD4069与R3、R\(_{4}\)、C3组成一频率为2kHz左右的音频方波振荡器。音频振荡器的输出再加到由1/2CD4011组成的500kHz高频方波振荡器上对其进行幅度调制,被调制后的高频方波经1/4CD4011组成的反相器倒相缓冲后,推动输出管BG\(_{1}\)工作,将信号放大以提高输出功率。由于BG1集电极上所串的LC回路调谐于高频方波的基频且Q值较高,所以它的高次谐波辐射很小,不会造成干扰。电路中串于BG\(_{1}\)供电回路上的电阻R5可以很方便地调节电路的输出功率,当所需输出功率较高时(例如数瓦),只要换用相应的大功率高频管并去掉R\(_{5}\)即可。若换用大功率输出管后驱动电流不够,可将剩余的反相器并联,作为驱动级使用,如图中虚线所示。若器件质量良好,本电路只需微调R1,即可正常工作。

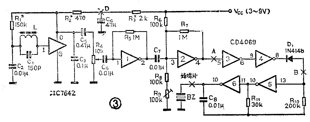
接收机电路
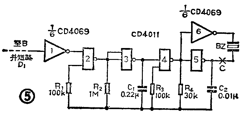
图3为以CIC7642和CMOS六反相器4069组成的接收机电路。图中R\(_{3}\)、C4 为CIC7642提供工作电压,R\(_{1}\)、R2分别为偏置和负载电阻,C\(_{2}\)、C3是高频旁路电容,C\(_{5}\)是耦合电容。当配合图1所示的等幅发射机时,可适当调整C5或将其取消。CIC7642输出的信号进入C\(_{6}\)、R5和反相器1构成的交流放大器放大,放大后的信号经C\(_{7}\)加于R6~R\(_{9}\)和反相器2构成的放大兼比较级上,此级输出的信号经3、4两级反相器反相后,通过二级管D1控制由反相器5、6和R\(_{1}\)0、R11、C\(_{8}\)组成的2kHz音频振荡器。当接收机收到信号时,反相器4输出低电平,D1导通,将反相器5的输入端拉成低电平,反相器5、6组成的振荡器停振,蜂鸣片无声。一旦接收机收到的信号减弱,反相器2输出高电平,D\(_{1}\)截止,振荡器起振,蜂鸣片鸣响。为提高电路的可靠性,也可以图4所示电路代换图3中A、B两点间的电路。图4中反相器1输出的信号首先送到D1、C\(_{1}\)、R1、R\(_{2}\)和反相器2组成的单稳态电路以产生适当延迟,再送至D2、C\(_{2}\)、R3~R\(_{5}\)等组成的施密特触发电路整形,而后才经D3控制振荡器是否起振。由于使用了单稳态和施密特电路,使得电路的抗干扰性大大增强。若感觉连续的2kHz报警蜂音不易引起注意的话,可将B点以后换为图5所示电路。其中C\(_{1}\)、R1、R\(_{2}\)及反相器2、3组成受控的3Hz振荡器,该振荡器控制反相器4、5组成的音频振荡器,使蜂鸣片发出断续音。在使用低电压供电时,若感觉蝉鸣片声音不够大,可将图1、5电路的C点以后换用图6所示的驱动级。图中B为一自制的升压变压器,可用任意线径的漆包线或纱包线在直径3mm以上的铁芯(可用铁钉)上绕制。还有一点,即蜂鸣片的固定方法与其发声大小有很大关系。一般均使用边沿固定法,如音乐片里所用的蜂鸣片。最好采用所谓谐点固定法。当电路组装调试后,让蜂鸣片鸣响,而后在其平置的铜面上洒少量滑石粉。由于蜂鸣片振动时,其某一直径处振荡较弱,滑石粉将在此直径处堆集并形成一环形,量出这一直径并取一段与此直径相当的薄壁管,用502胶一端贴于机壳,另一端贴于蜂鸣片的环形处使其固定,则使蜂鸣片的响声可大大增强。




元件选择与调试
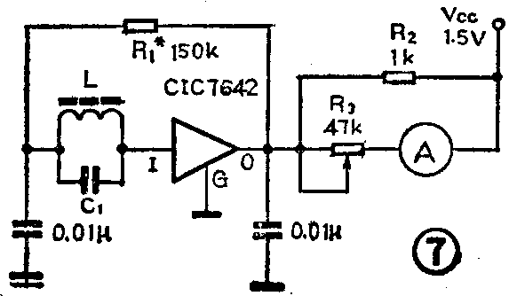
发射机和接收机使用的元件均无特殊要求,唯一要讲的是图1~图3中L的选择。由于此种遗物报警器无编码功能,解决相同机器的相互干扰问题,主要是采用变换L、C\(_{1}\)的方法。选用L、C1时要注意避开AM广播波段并使振荡频率低于CIC7642的截止频率(3MHz)。为方便没有测试条件的读者自制,图1~图3特意选用了线圈无抽头的电路程式。自制时,可直接使用普通AM收音机的磁棒和线圈,只要发射机和接收机所用的L、C\(_{1}\)完全相同即可。为缩小体积,笔者使用的是30×8×4mm\(^{3}\)的超小型磁棒,用7股纱包线乱绕90匝做L。图1~图3电路调试时,最好先按图7搭一简易场强计。电流表使用万用表的μA档,调节R3使表针处于量程中段示数明显处。调图1电路时,将电流表串于电源中,微调R\(_{1}\),使附近的场强计示数最大,而工作电流又不超过20mA为宜。调图2所示电路时,先不接BG1,用蜂鸣片接于反相器3的输出端,蜂鸣片应鸣响。而后接上BG\(_{1}\),并将R5置于最大阻值位置。大范围调整R\(_{1}\),若R1在某一点场强计示数出现峰值,则细调R\(_{1}\)后将其换为固定阻值的电阻。由于不同人所用的L、C1可能相差较大,如果调整中发现R\(_{1}\)值已低于1kΩ或高于100kΩ,场强计示数仍未出现峰值,则应适当分别减小、增大C2的值。输出幅度和耗电可通过R\(_{5}\)调节。图3电路调试时,加电后先调R3,使D点电位为1.4~1.5V,此时,若发射机未开,蜂鸣片应鸣响,否则调R\(_{9}\)。最后配合已调好的发射机调R4、R\(_{9}\)、R2,使控制距离满足要求(一般调在3~5m较实用),且不易误报即可。图4~图6电路均无需调试。 (付兴华)
