注:表中所有带 * 或 * * 号的集成电路在代换时需作如下改动:
⑥脚现⑦脚对调后接入电路。
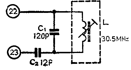
*(a)在脚与脚之间接一个揩振电路,如附图所示。图中C\(_{1}\)为揩振电容,用CYX型,C2为交连电容,用CCXI型瓷片电容,L为揩振线圈,用黑白电视机中10LV355N30.5MHz吸收线圈。(b)在第上接一个0.01μF瓷片电容到6.5MHz伴音滤波器CF\(_{3}\)01的输入端。 (余阜民)


注:表中所有带 * 或 * * 号的集成电路在代换时需作如下改动:
⑥脚现⑦脚对调后接入电路。
*(a)在脚与脚之间接一个揩振电路,如附图所示。图中C\(_{1}\)为揩振电容,用CYX型,C2为交连电容,用CCXI型瓷片电容,L为揩振线圈,用黑白电视机中10LV355N30.5MHz吸收线圈。(b)在第上接一个0.01μF瓷片电容到6.5MHz伴音滤波器CF\(_{3}\)01的输入端。 (余阜民)

