二、亮度信号的重放系统
1.工作原理
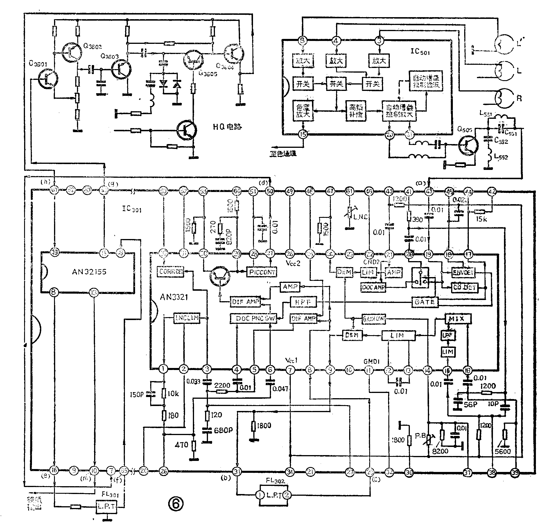
NV-G10MC录象机的亮度信号的重放系统原理框图如图5所示,具体电路如图6所示。在重放时,由视频磁头R和视频磁头L交替拾取低载频FM信号,经旋转变压器进入IC\(_{5}\)01。在IC501中,先进行前置放大,再由开关转换电路将两组信号组成一个连续的信号。开关转换电路的控制信号是由伺服电路供给频率为28Hz的方波信号。从开关转换电路输出FM信号分成两路,一路到色度信号通道,另一路经高频补偿和自动增益电路控制放大后,从IC\(_{5}\)01的和脚输出,经相位比较后进入色度陷波电路。色度陷波电路实际上是627kHz的LC串联谐振电路,其作用是吸收色度信号。从色度陷波电路输出的信号又从IC301的进入信号失落补偿电路。信号失落补偿电路的作用是根据行相关原理,用前一行的FM信号来补偿由磁带损伤和磁粉不均匀所造成信号损失。经过失落补偿的信号又进入双重限幅电路,以消除FM信号中电平变化成分。从双重限幅电路出来的信号进入FM解调电路,将FM信号恢复成亮度信号。经过解调的信号先进入低通滤波器,滤除多余高频残余,再进入与预加重相反的去加重电路,接着再通过一级低通滤波器进入HQ电路。此电路是记录信号和重放信号的公用电路,其作用主要是提高画面质量。经过HQ电路,信号又进入与非线性预加重相反的去加重电路,使信号恢复成原状,然后再进入消噪电路,消除在录放过程中引入的噪声。最后进入混合器与色度信号混合,形成完整的视频信号而输出。


2.检修方法
检验亮度信号的重放系统是否工作正常的方法是:重放标准磁带或已知是良好的磁带,若重放时出现无图象或图象质量不佳、噪声大等现象,则说明重放系统有故障。下面介绍检修方法:重放标准磁带,同时用示波器观察IC\(_{3}\)01的波形,正常的波形如图7(a)所示。若波形异常或无波形,先检查由Q505、C\(_{552}\)、L552组成的陷波器,如陷波器无问题,则故障在IC\(_{5}\)01。若波形正常,再观察IC301的波形,正常的波形如图7(b)所示。若波形异常,说明IC\(_{3}\)01中的集成电路AN3321有问题;若波形正常,再继续观察IC301的波形。正常的波形如图7(c)所示。若波形异常,说明低通滤波器FL\(_{3}\)02有问题;若波形正常,再观察IC301的波形。正常的波形如图7(d)所示。若波形异常,说明IC\(_{3}\)01中的集成电AN3321有问题;若波形正常,再检查IC301的脚波形。正常的波形如图7(e)所示。若波形不正常,说明IC\(_{3}\)01中的集成电路AN3215S有问题;若波形正常,再继续检查IC301的波形,正常的波形如图7(f)所示。若波形不正常,说明低通滤波器FL\(_{3}\)01有问题;若波形正常,再检查IC301的波形,正常的波形如图7(g)所示。若波形不正常,说明IC\(_{3}\)01中的集成电路AN3215S有问题;若波形正常,再检查IC301的波形,正常的波形如图7(h)所示。若波形异常,说明HQ电路有问题,应仔细检查HQ电路中的有关元件;若波形正常,再检查IC\(_{3}\)01的⑩脚波形,正常的波形如图7(m)所示。若波形异常,一种可能是IC301中的集成电路AN3215S有问题,另一种可能是输入的色信号有问题。

以上介绍的是录象机在记录和重放两种工作状态下如何对亮度信号处理系统进行检修。这种利用示波器为测试手段的检修方法,可在较短的时间内指出故障的范围,但不能精确指出某个故障元器件。因此,在对所怀疑的电路作进一步检查时,一定要先检查集成电路的外围元器件,在确定外围元器件无故障后再检查集成电路。 (洪国威)